EasyManua.ls Logo

Scotchman 9012-24M - Page 16

Scotchman 9012-24M
100 pages
Print Icon
To Next Page IconTo Next Page
To Next Page IconTo Next Page
To Previous Page IconTo Previous Page
To Previous Page IconTo Previous Page
Loading...
Page 15
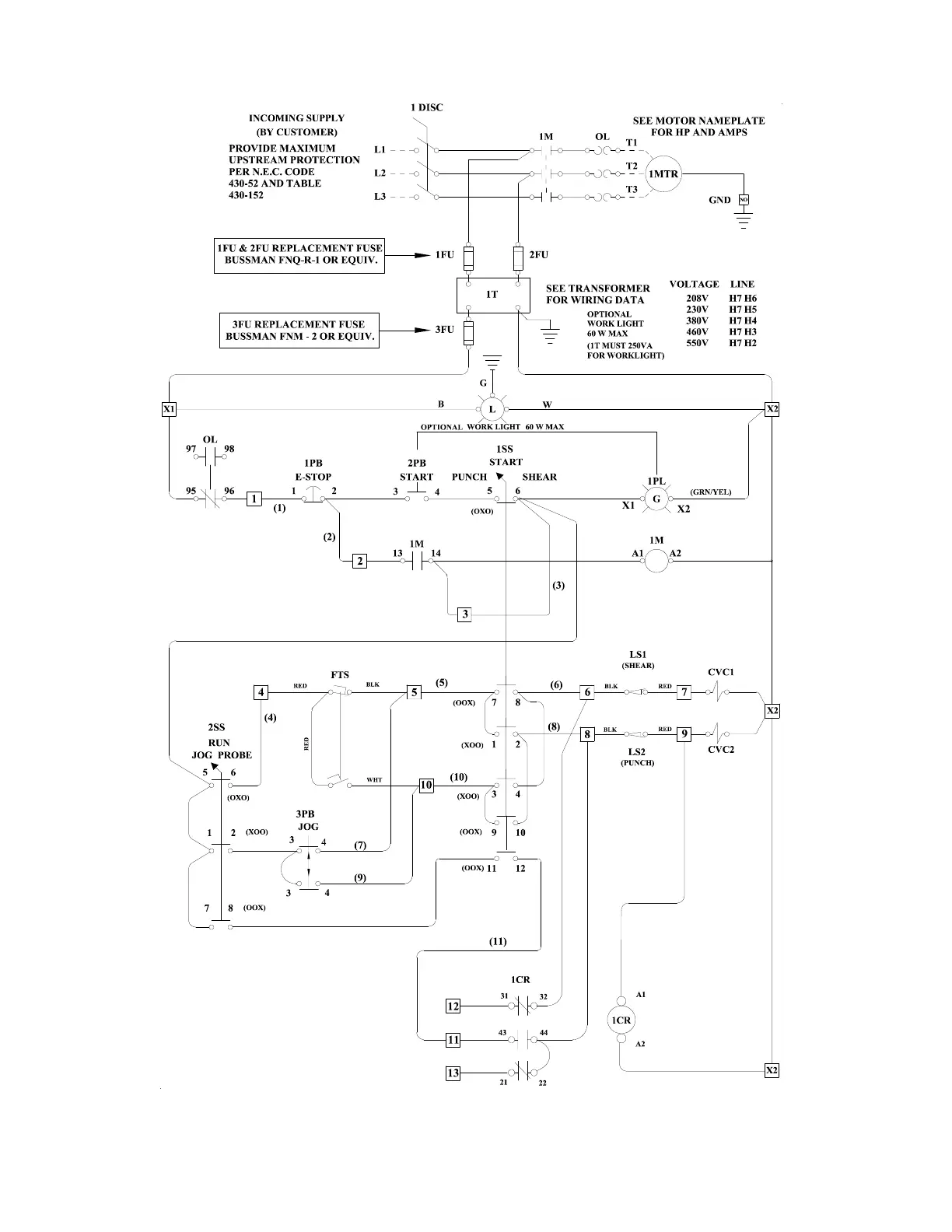
FIGURE 4A

Related product manuals