EasyManua.ls Logo

Sea-Bird Electronics SBE 19plusV2 - Page 18

Sea-Bird Electronics SBE 19plusV2
268 pages
Print Icon
To Next Page IconTo Next Page
To Next Page IconTo Next Page
To Previous Page IconTo Previous Page
To Previous Page IconTo Previous Page
Loading...
Section 2: Description of SBE 19plus V2
8
SBE 19plus V2 options / accessories include:
Titanium housing for use to 7000 meters (22,900 feet)
Internally mounted Quartz pressure sensor in place of strain-gauge sensor
SBE 5M miniature pump with titanium housing in place of plastic housing
SBE 5P (plastic) or 5T (titanium) pump in place of SBE 5M for use with
dissolved oxygen and/or other pumped auxiliary sensors
Sensors for dissolved oxygen, pH (Profiling mode only), fluorescence,
light (PAR), light transmission, and turbidity
Stainless steel cage
Wet-pluggable (MCBH) connectors in place of standard connectors
Nickel Metal Hydride (NiMH) batteries and charger
Nickel Cadmium (Ni-Cad) batteries and charger
Moored mode conversion kit with anti-foulant device fittings, for when
19plus V2 used on moorings
Future upgrades and enhancements to the SBE 19plus V2 firmware can be
easily installed in the field through a computer serial port and the Data I/O,
Pump, and External Power bulkhead connector on the 19plus V2, without the
need to return the 19plus V2 to Sea-Bird.
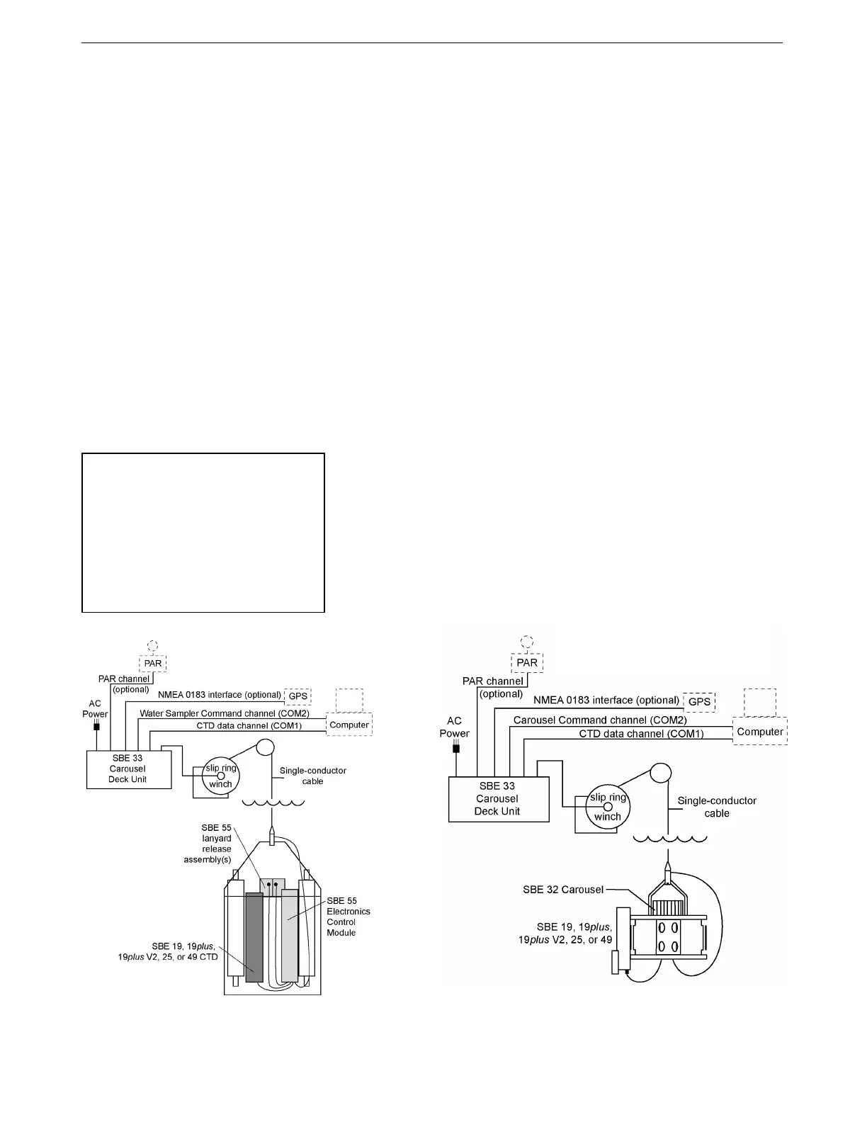
The 19plus V2 can be used with the following Sea-Bird equipment:
SBE 32 Carousel Water Sampler and SBE 33 Carousel Deck Unit OR
SBE 55 ECO Water Sampler and SBE 33 Carousel Deck Unit -
The SBE 32 or SBE 55 provides +15 VDC power to the 19plus V2 and
has ample power for auxiliary sensors not normally supported by battery-
powered CTDs. CTD data from the 19plus V2 is converted into single-
wire telemetry for transmission over long (10,000 meter [32,800 feet]) sea
cables. Bottles may be closed at any depth without interrupting CTD data
via software control using the SEASAVE program or from the front panel
of the SBE 33 Deck Unit. See the SBE 33 manual for operating details.
Notes:
The SBE 32 Carousel is a 12-,
24-, or 36-bottle water sampler. The
SBE 55 ECO is a 3- or 6-bottle
water sampler.
SEASAVE 7.18 or later also
supports acquisition of data from a
NMEA device connected directly
to the computer (instead of the
deck unit
)
.
SBE 32 Real-Time Operation
SBE 55 Real-Time Operation
15

Table of Contents