EasyManua.ls Logo

Sea-Bird Electronics SBE 19plusV2 - Page 19

Sea-Bird Electronics SBE 19plusV2
268 pages
Print Icon
To Next Page IconTo Next Page
To Next Page IconTo Next Page
To Previous Page IconTo Previous Page
To Previous Page IconTo Previous Page
Loading...
Section 2: Description of SBE 19plus V2
9
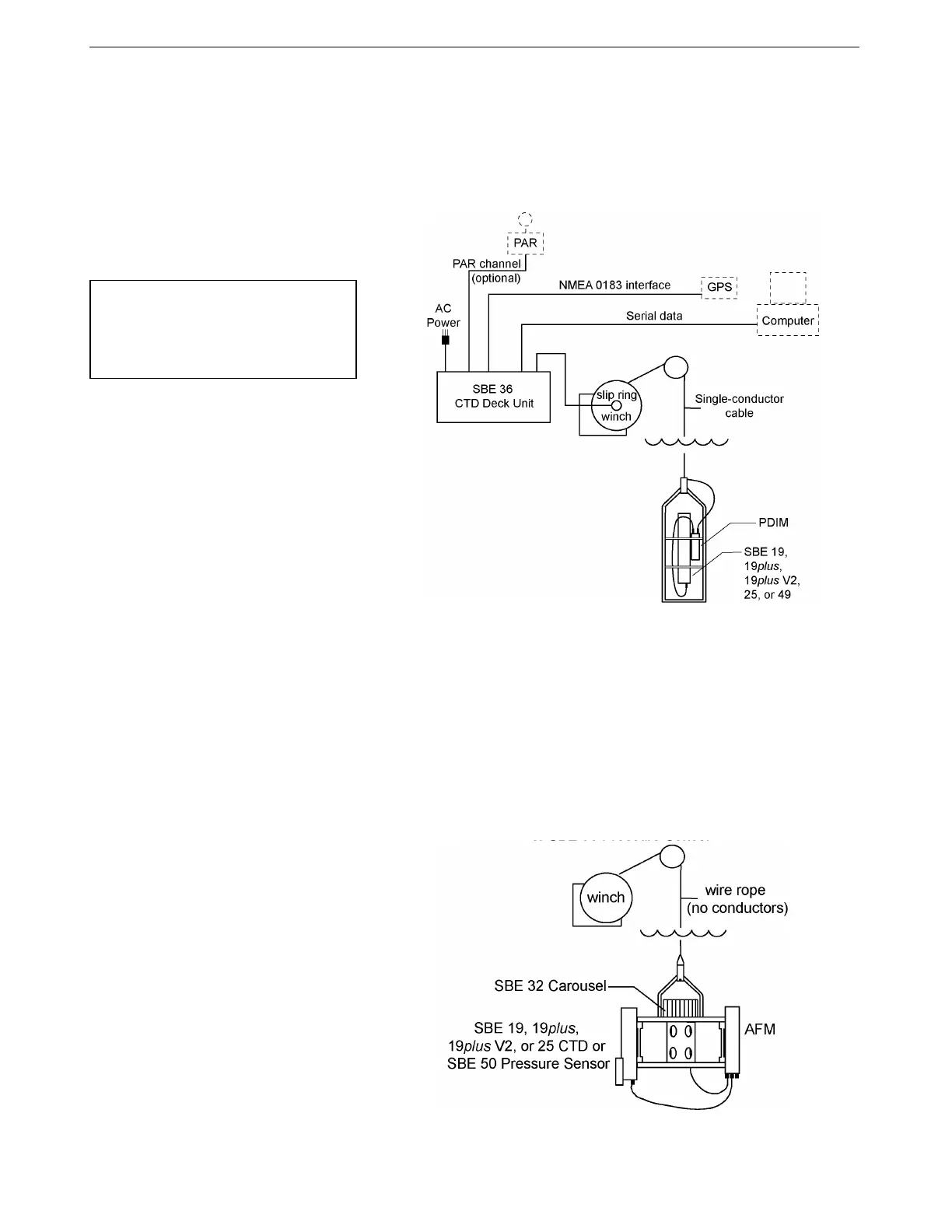
SBE 36 CTD Deck Unit and Power Data Interface Module (PDIM) -
These items provide power and real-time data handling capability over
single-conductor sea cables using the same method employed in the
SBE 32/SBE 33. The PDIM is a small pressure housing that is mounted on
or near the 19plus V2. It provides +15 VDC power to the 19plus V2 and
interfaces two-way RS-232 communications from the 19plus V2 to the
telemetry used on the sea cable. See the SBE 36/PDIM manual for
operating details.
SBE 32 Carousel Water Sampler and Auto Fire Module (AFM) - The
AFM, mounted on or near the 19plus V2, allows the SBE 32 to operate
autonomously on non-conducting cables. The AFM supplies the power,
logic, and control commands to operate the SBE 32. The AFM monitors the
pressure data recorded by the 19plus V2 in real-time, closing water sampler
bottles at predefined pressures (depths) or whenever the system is stationary
for a specified period of time. Bottle number, firing confirmation, and five
scans of CTD data are recorded in the AFM memory for each bottle fired.
See the AFM manual for operating details.
SBE 32 Autonomous Operation
Note:
SEASAVE 7.18 or later also supports
acquisition of data from a NMEA
device connected directly to the
computer (instead of the deck unit).
16

Table of Contents