EasyManua.ls Logo

Sea-Bird Electronics SBE 19plusV2 - Page 233

Sea-Bird Electronics SBE 19plusV2
268 pages
Print Icon
To Next Page IconTo Next Page
To Next Page IconTo Next Page
To Previous Page IconTo Previous Page
To Previous Page IconTo Previous Page
Loading...
2
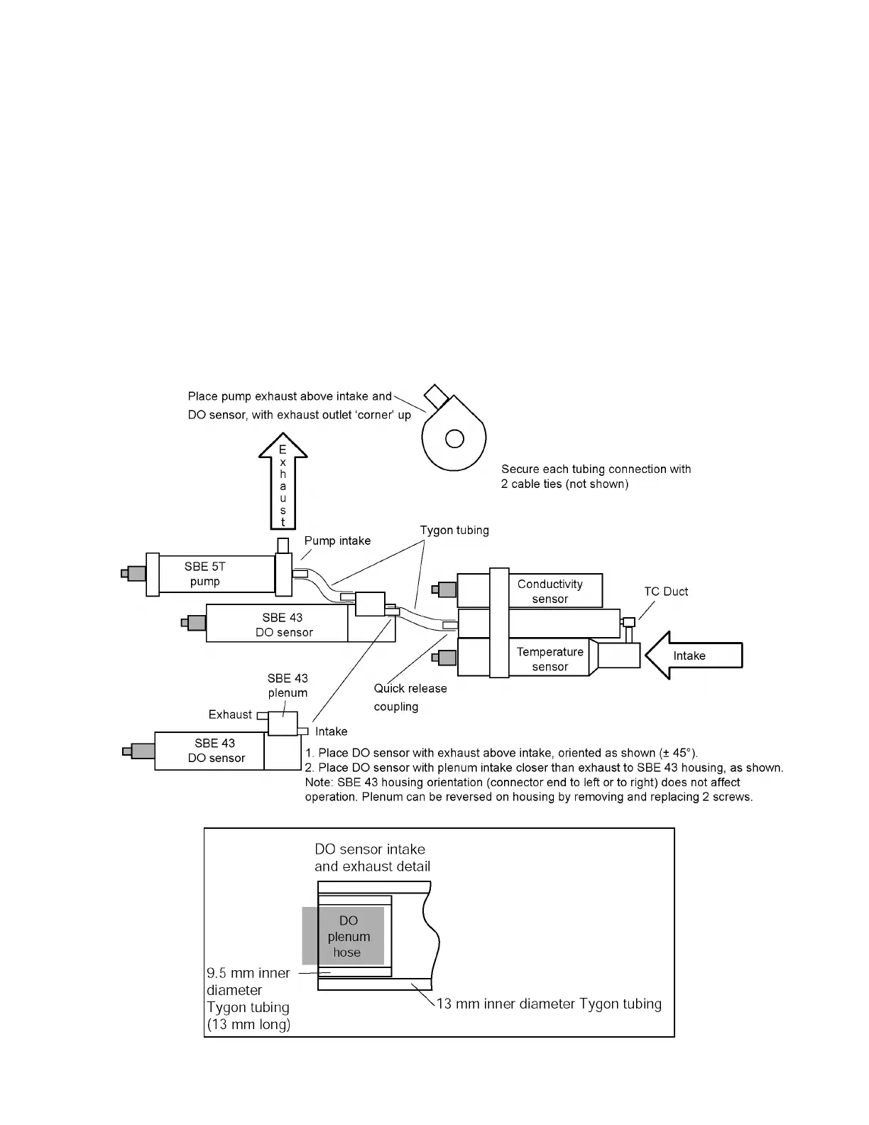
Horizontal Configuration Schematic and Details
The horizontal configuration is most commonly used when the CTD is integrated with an SBE 32 Carousel Water
Sampler with an extension stand. When installing plumbing for the horizontal configuration:
Configure the system as follows:
¾ Place the DO sensor intake above the conductivity sensor exhaust.
¾ Place the pump intake above the DO sensor exhaust.
¾ Orient the pump with the exhaust outlet corner up.
Failure to configure the system in this manner can trap air, preventing the pump from working properly.
Place a 13 mm (0.5 inch) long piece of the 9.5 mm ID Tygon tubing at the DO sensor intake and exhaust. Slide
the larger diameter tubing (13 mm ID) over the smaller diameter tubing to provide tight seals.
SBE 5T titanium pump, which is standard for the 9plus, is shown in the diagram. SBE 5P plastic pump has the
same operational characteristics, and may be ordered with the SBE 19, 19plus, 19plus V2, or 25 CTD for
deployments to 600 m.
If the system does not include a DO sensor, connect the tubing from the conductivity cell directly to the
pump intake.
230

Table of Contents