EasyManua.ls Logo

Sea-Bird Electronics SBE 19plusV2 - Page 31

Sea-Bird Electronics SBE 19plusV2
268 pages
Print Icon
To Next Page IconTo Next Page
To Next Page IconTo Next Page
To Previous Page IconTo Previous Page
To Previous Page IconTo Previous Page
Loading...
Section 2: Description of SBE 19plus V2
21
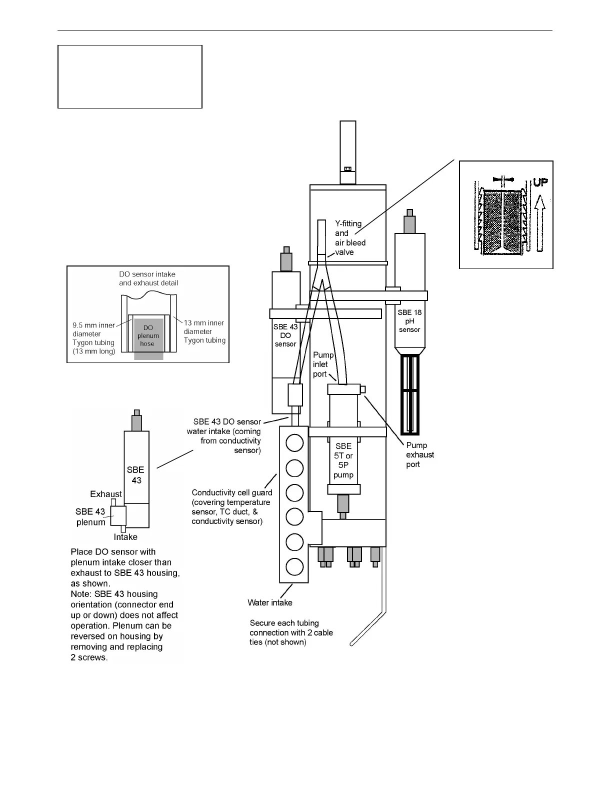
Shown below is the vertical mount plumbing arrangement of a 19plus V2
configured with the optional SBE 5T titanium or 5P plastic pump, SBE 43
dissolved oxygen (DO) sensor, and SBE 18 pH sensor. Note that the SBE 43 is
plumbed into the system between the conductivity cell outlet and the Y-fitting.
The SBE 18 is not connected to the plumbing.
Note:
Sea-Bird recommends use of
the pH sensor on the 19plus V2
only when the 19plus V2 is in
Profiling mode (MP).
Air bleed valve detail
Note: Periodically clean air
bleed valve to ensure
proper functioning.
0.5 mm (0.02 in.)
Main plumbing is 13 mm ID x 19 mm OD
(1/2 inch x 3/4 inch) Tygon tubing.
A 13 mm (1/2 inch) long piece of
9.5 mm ID x 13 mm OD (3/8 inch x 1/2 inch)
Tygon tubing to provide tight seals to the main
plumbing is installed:
- on the SBE 43 intake and exhaust, and
- on the conductivity cell exhaust when optional
anti-foul fittings are installed on the 19plus V2.
28

Table of Contents