EasyManua.ls Logo

Sharp MX-M314N - Fusing Section; Toner Sensor; Thermostat; Thermistor

Sharp MX-M314N
256 pages
Print Icon
To Next Page IconTo Next Page
To Next Page IconTo Next Page
To Previous Page IconTo Previous Page
To Previous Page IconTo Previous Page
Loading...
MX-M264U DISASSEMBLY AND ASSEMBLY 10 – 5
E. Toner sensor
• Clean the sensor only after removing used DV when replacing
DV.
• Without removing the MG roller, clean the sensor surface with
waste cloth in the arrow direction to remove toner.
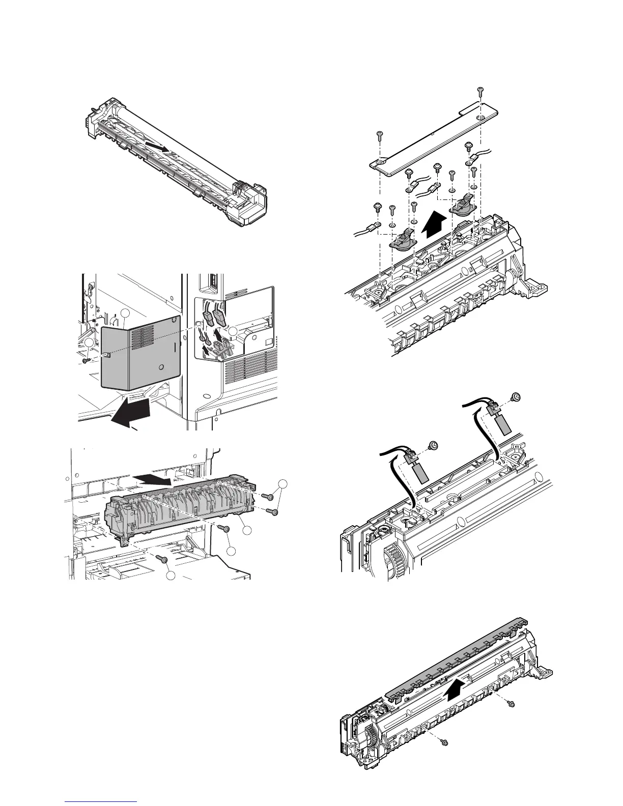
3. Fusing section
A. Thermostat
CAUTION: When securing the lamp harness and the thermostat,
the tightening torque of the screw (4 positions) is 6-9
kgs.
B. Thermistor
C. Paper guide
1
2
3
1
1
1
2

Table of Contents

Other manuals for Sharp MX-M314N

Related product manuals