EasyManua.ls Logo

Sharp MX-M620N - Page 318

Sharp MX-M620N
412 pages
Print Icon
To Next Page IconTo Next Page
To Next Page IconTo Next Page
To Previous Page IconTo Previous Page
To Previous Page IconTo Previous Page
Loading...
MX-M700N PAPER TRANSPORT SECTION G – 9
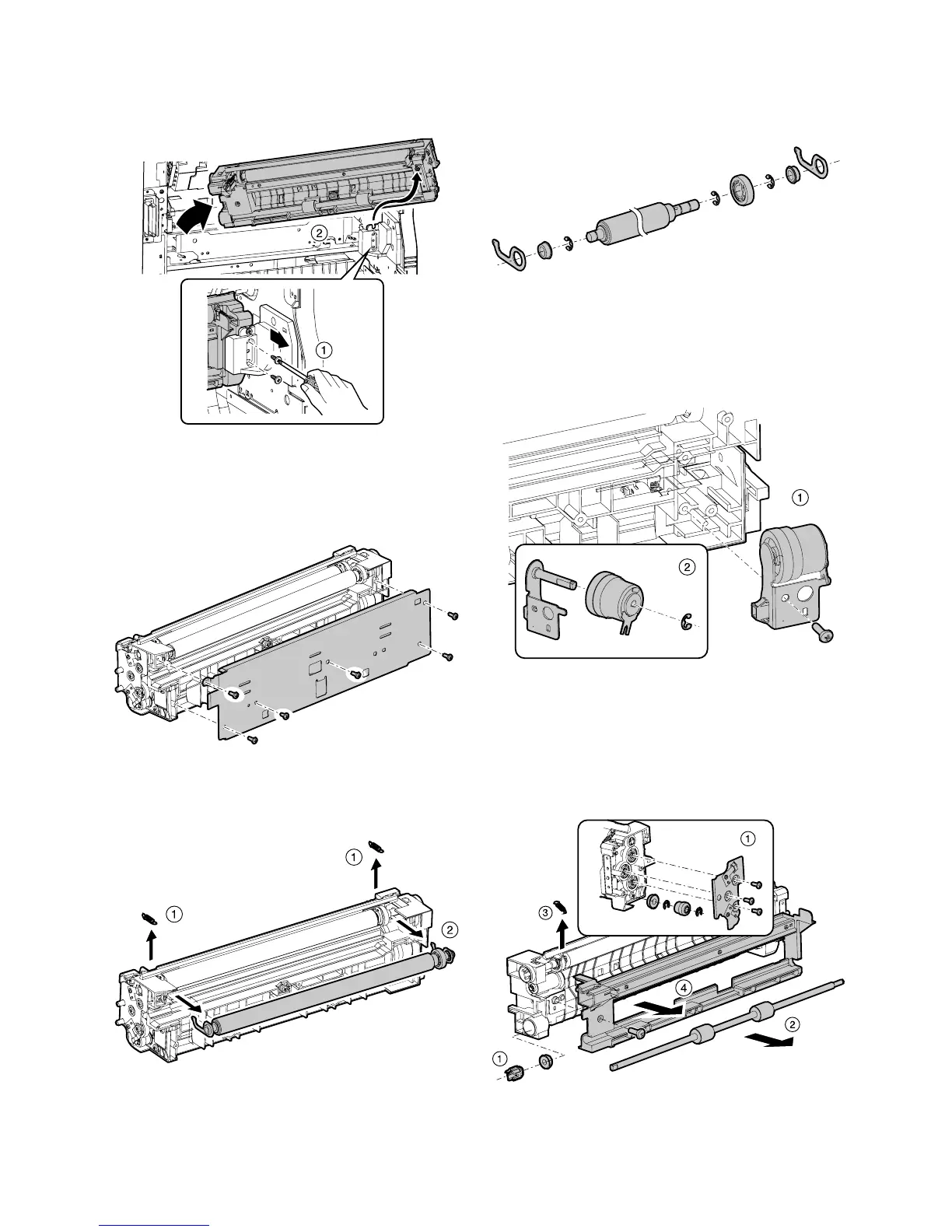
4) Remove the resist roller unit.
a. Resist roller (Idle)
1) Remove the resist roller unit. (See “(1) Resist roller unit”)
2) Remove the cover.
3) Remove the follower roller tension spring.
4) Remove the resist roller (Idle) unit.
5) Remove the bearing, and remove the E-ring, the gear, and
the pin.
b. Resist roller brake clutch
1) Remove the resist roller unit. (See “(1) Resist roller unit”)
2) Remove the cover. (See “a. Resist roller (Idle)”)
3) Remove the resist roller brake clutch fixture.
4) Remove the E-ring and the resist roller break clutch.
c. Transport roller 15
1) Remove the resist roller unit. (See “(1) Resist roller unit”)
2) Remove the front side cover.
3) Remove the E-ring, the gear, and the bearing.
4) Remove the coupling bearing on the rear side.
5) Remove the transport roller 15.

Table of Contents

Related product manuals