EasyManua.ls Logo

Sharp MX-M620N - Page 378

Sharp MX-M620N
412 pages
Print Icon
To Next Page IconTo Next Page
To Next Page IconTo Next Page
To Previous Page IconTo Previous Page
To Previous Page IconTo Previous Page
Loading...
MX-M700N PAPER EXIT SECTION O – 5
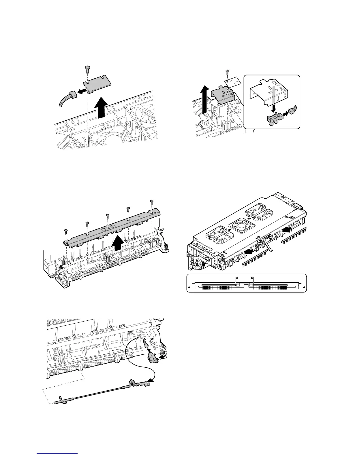
f. Paper exit temperature sensor
1) Remove the upper cover. (See “c. Fusing cooling fan motor 1”)
2) Remove the paper exit temperature sensor.
g. Paper exit detector 1
1) Remove the paper exit unit. (See “(1) Paper exit unit”)
2) Remove the follower roller unit.
3) Remove the paper exit detection 1 detector.
h. Paper exit detector 2
1) Remove the paper exit unit. (See “(1) Paper exit unit”)
2) Remove the upper cover. (See “c. Fusing cooling fan motor 1”)
3) Remove the paper exit detection 2 detector.
i. Discharge brush
1) Remove the paper exit unit. (See “(1) Paper exit unit”)
2) Remove the discharge brush.
* When attaching, attach it to the reference.

Table of Contents

Related product manuals