EasyManua.ls Logo

Sharp UX-177 - Page 84

Sharp UX-177
100 pages
Print Icon
To Next Page IconTo Next Page
To Next Page IconTo Next Page
To Previous Page IconTo Previous Page
To Previous Page IconTo Previous Page
Loading...
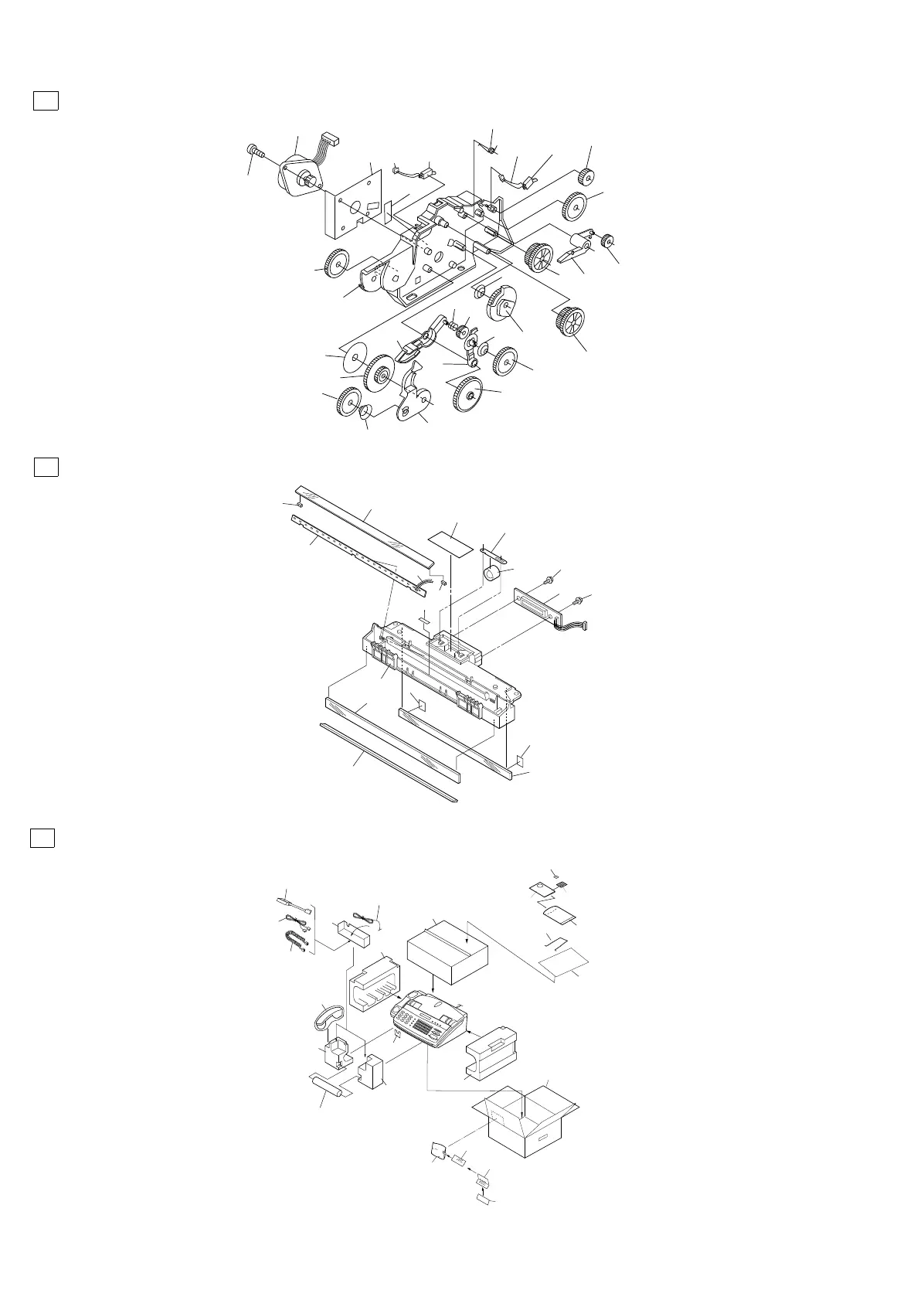
4 Drive unit
5 Optical unit
6 Packing material & Accessories
1
3
15
14
22
15
20
10
2
12
13
23
13
6
8
12
12
18
4
7
11
19
16
21
11
17
5
9
B6
24
19
9
6
12
11
2
3
5
B17
B17
1
7
8
4
14
15
15
13
13
1
4
4
13
15
9
12
8
5
5
14
2
20
3
6
AC CORD
Recording paper
11
10
13
17
18
19
16
UX-177H
– 5 –

Related product manuals