EasyManua.ls Logo

Siemens Milltronics BW500 - Scale - Two Load Cells

Siemens Milltronics BW500
220 pages
Print Icon
To Next Page IconTo Next Page
To Next Page IconTo Next Page
To Previous Page IconTo Previous Page
To Previous Page IconTo Previous Page
Loading...
Installation
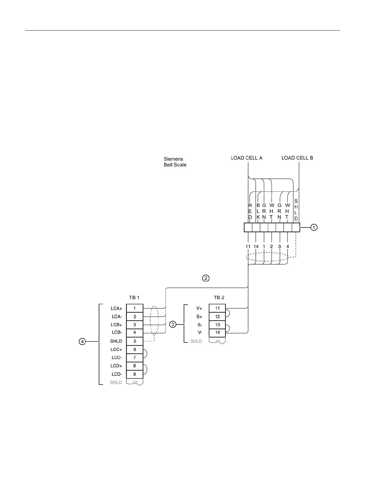
5.4 Interconnection
BW500 and BW500/L
30 Operating Instructions, 12/2016, A5E33482052-AD
Where separation between the BW500 and BW500/L and belt scale exceeds 150 m (500 ft.), or
legal for trade certification:
1. Remove jumpers from BW500 and BW500/L terminal 11/12 and 13/14
2. Run additional conductors from: BW500 and BW500/L terminal 12 to scale 'red' BW500 and
BW500/L terminal 13 to scale 'blk'
If the load cell wiring colors vary from those shown, or if extra wires are provided, consult
Siemens.
5.4.3
Scale - Two Load Cells
Customer junction box
Integrator
Load cell excitation
Load cell inputs

Table of Contents

Other manuals for Siemens Milltronics BW500

Related product manuals