EasyManua.ls Logo

Siemens Milltronics BW500 - Scale - Six Load Cells

Siemens Milltronics BW500
220 pages
Print Icon
To Next Page IconTo Next Page
To Next Page IconTo Next Page
To Previous Page IconTo Previous Page
To Previous Page IconTo Previous Page
Loading...
Installation
5.4 Interconnection
BW500 and BW500/L
Operating Instructions, 12/2016, A5E33482052-AD
33
If the load cell wiring colours vary from those shown, or if extra wires are provided, consult
Siemens.
Note
Not available with the BW500/L.
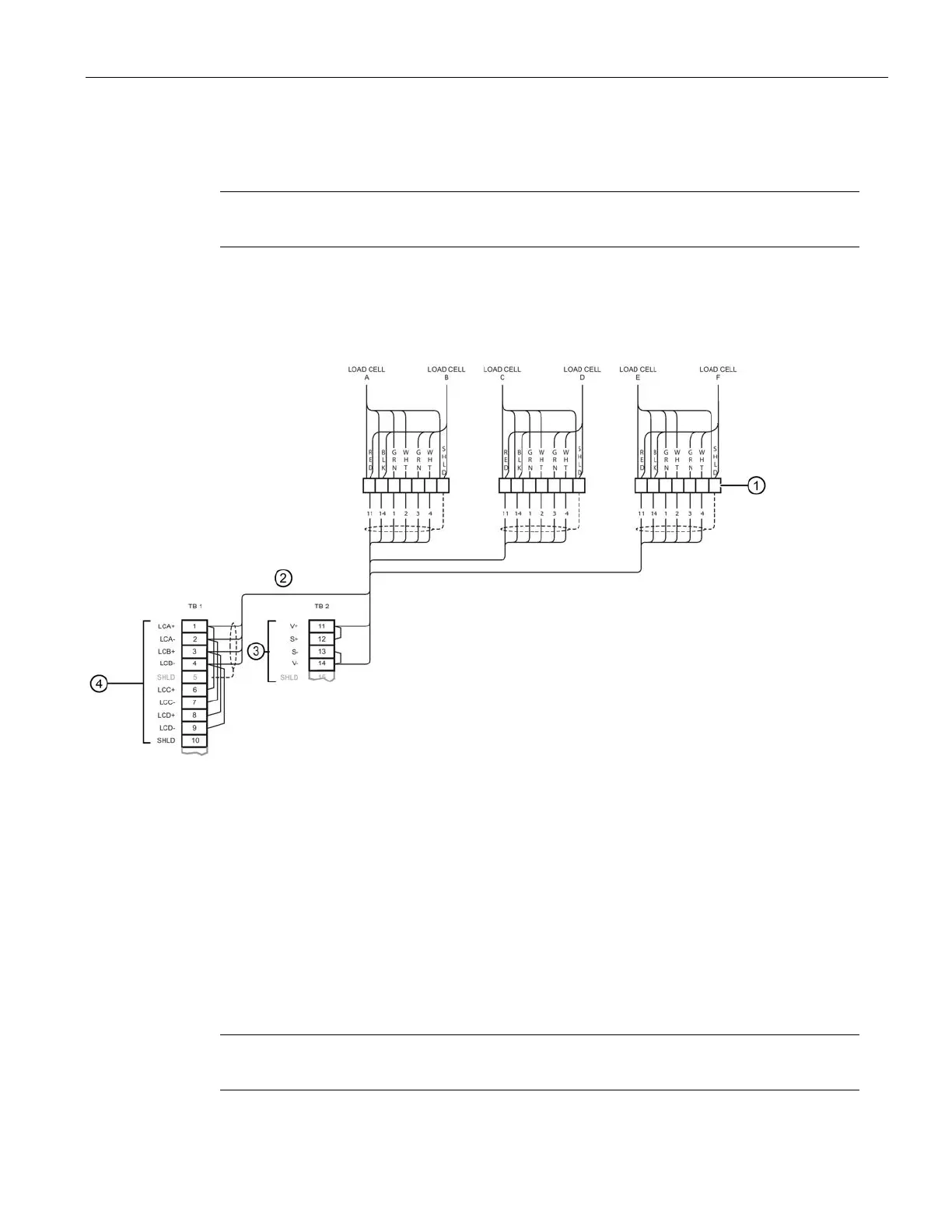
5.4.5
Scale - Six Load Cells
Customer junction box
Integrator
Load excitation
Load cell inputs
Where separation between the BW500 and belt scale exceeds 150 m (500 ft), or legal for trade
certification:
1. remove jumpers from BW500 terminal 11/12 and 13/14
2. run additional conductors from: BW500 terminal 12 to scale 'red' BW500 terminal 13 to scale
'blk'
If the load cell wiring colors vary from those shown, or if extra wires are provided, consult
Siemens.
Note
Six Load Cells not applicable for the BW500/L.

Table of Contents

Other manuals for Siemens Milltronics BW500

Related product manuals