EasyManua.ls Logo

Siemens SIMATIC S7-1200

Siemens SIMATIC S7-1200
364 pages
To Next Page IconTo Next Page
To Next Page IconTo Next Page
To Previous Page IconTo Previous Page
To Previous Page IconTo Previous Page
Loading...
PID is easy
8.2 PID_Compact instruction
Easy Book
176 Manual, 03/2014, A5E02486774-AF
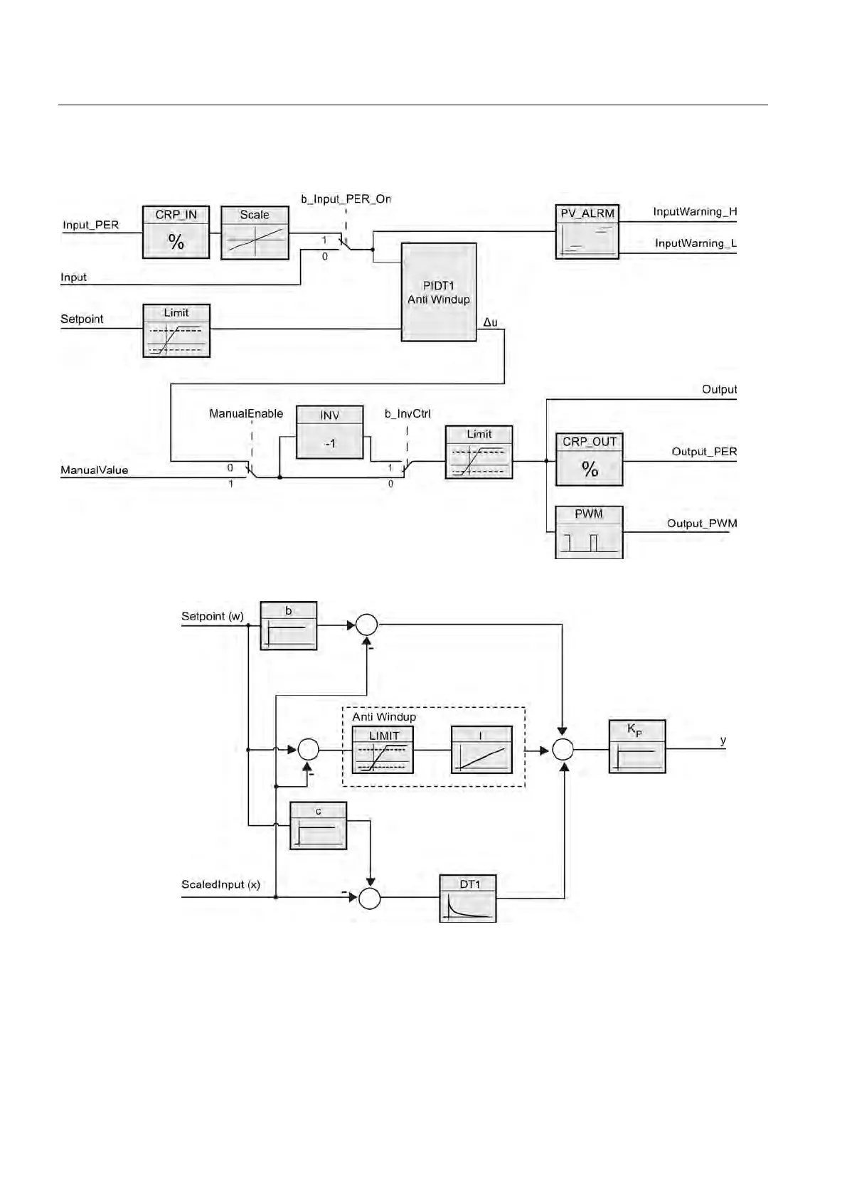
Operation of the PID_Compact controller
Figure 8-1 Operation of the PID_Compact controller
Figure 8-2 Operation of the PID_Compact controller as a PIDT1 controller with anti-windup

Table of Contents

Other manuals for Siemens SIMATIC S7-1200

Related product manuals