EasyManua.ls Logo

Siemens SIMATIC S7-1200

Siemens SIMATIC S7-1200
364 pages
To Next Page IconTo Next Page
To Next Page IconTo Next Page
To Previous Page IconTo Previous Page
To Previous Page IconTo Previous Page
Loading...
IO-Link is easy
12.7 The SM 1278 4xIO-Link Master
Easy Book
278 Manual, 03/2014, A5E02486774-AF
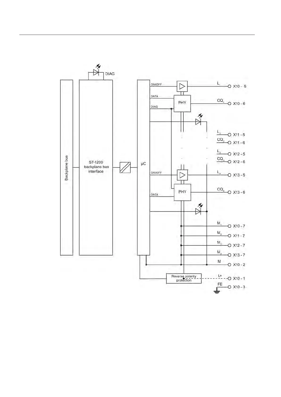
SM 1278 4xIO-Link Master block diagram

Table of Contents

Other manuals for Siemens SIMATIC S7-1200

Related product manuals