EasyManua.ls Logo

Siemens SIMOTICS XP 1MB1 series - 1 Mb1 Sh80

Siemens SIMOTICS XP 1MB1 series
174 pages
To Next Page IconTo Next Page
To Next Page IconTo Next Page
To Previous Page IconTo Previous Page
To Previous Page IconTo Previous Page
Loading...
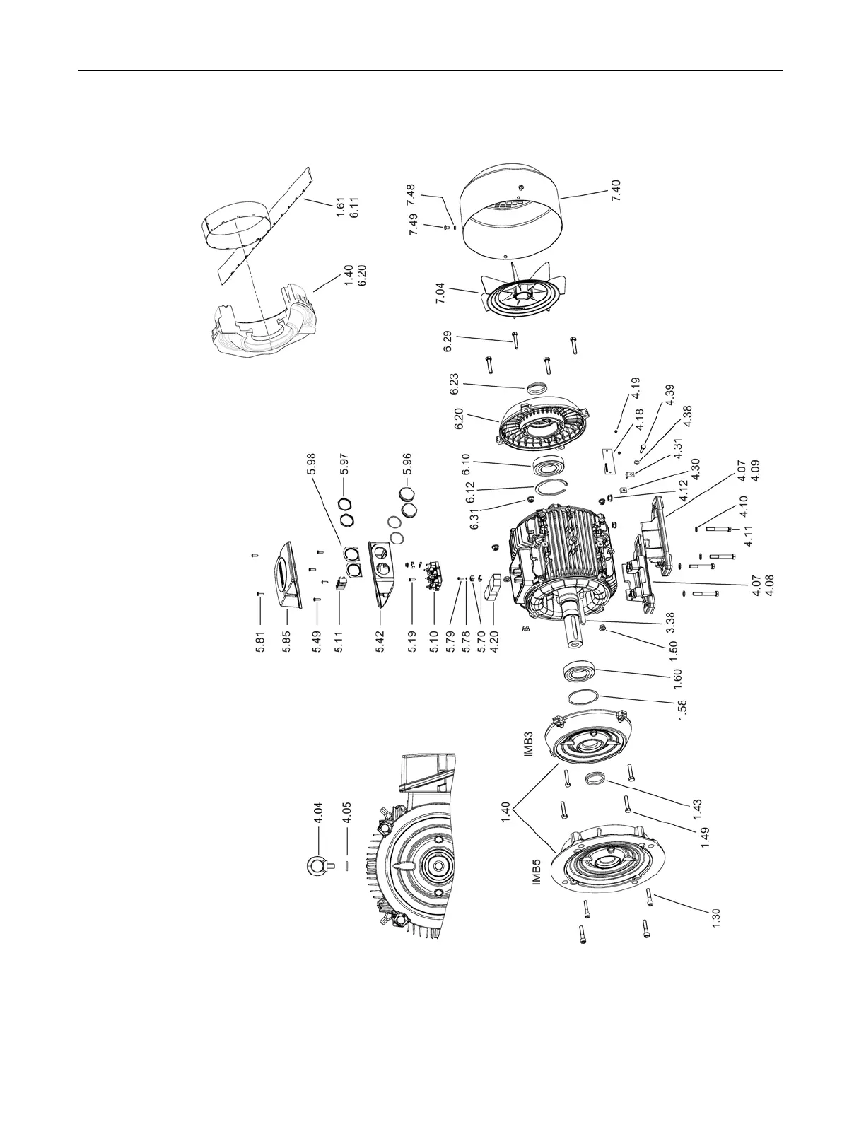
Spare parts
10.12 Exploded drawings
1LA5/6/7/9, 1LG4/6, 1MA6/7, 1MB..1/2/3/4/5 - SH 63 ... 355
Operating Instructions, 06/2018, A5E44455710A
147
10.12.6
1MB1 SH80 ... 160 aluminum

Table of Contents

Related product manuals