EasyManua.ls Logo

Siemens SINAMICS G120 CU240B-2 - Connecting Fail-Safe Digital Inputs

Siemens SINAMICS G120 CU240B-2
290 pages
To Next Page IconTo Next Page
To Next Page IconTo Next Page
To Previous Page IconTo Previous Page
To Previous Page IconTo Previous Page
Loading...
Functions
7.10 Safe Torque Off (STO) safety function
Inverter with CU240B-2 and CU240E-2 Control Units
Operating Instructions, 07/2010, FW 4.3.2, A5E02299792B AA
215
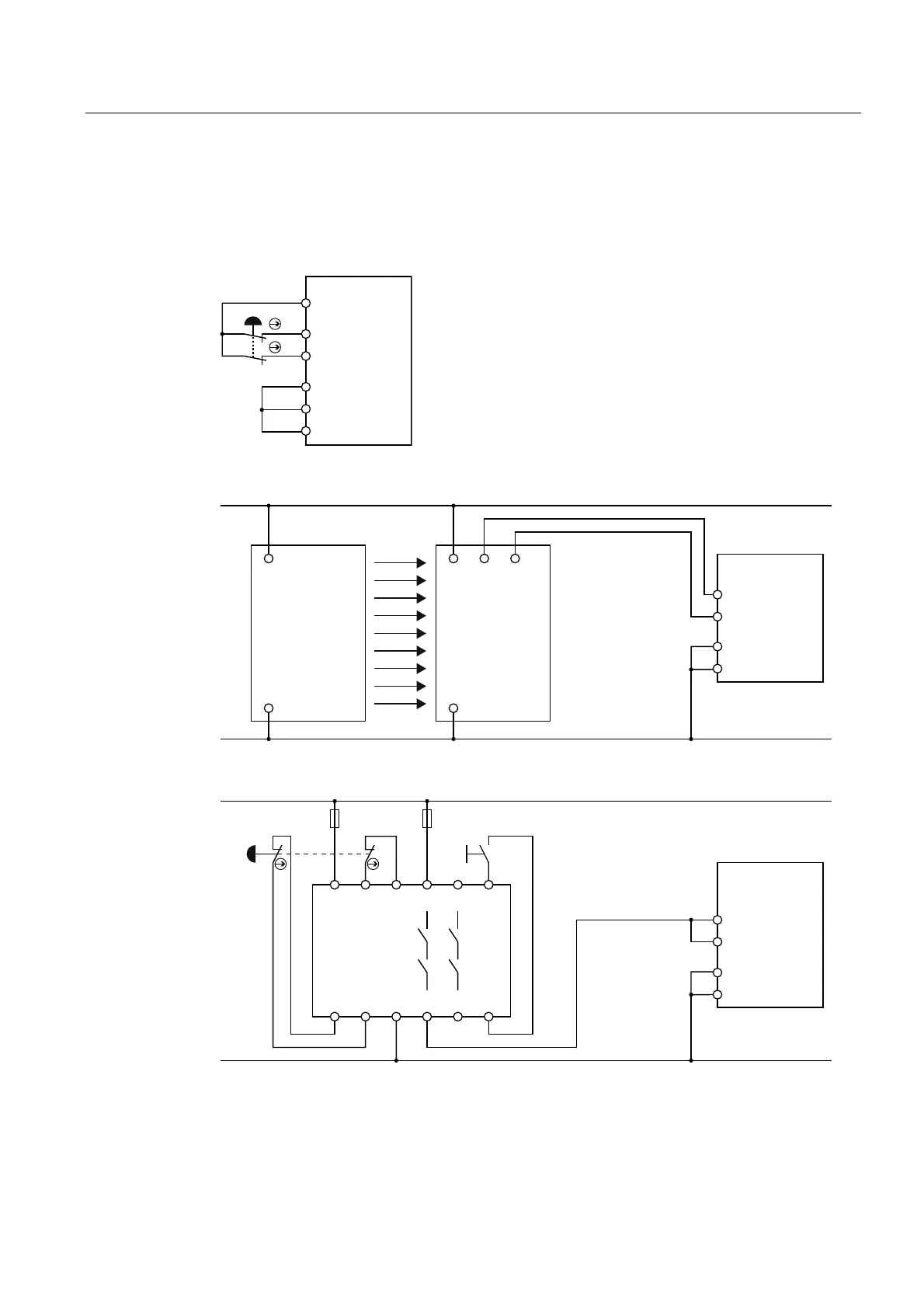
7.10.3 Connecting fail-safe digital inputs
On the following pages, you will find examples of connecting the fail-safe digital input from
"Basic safety", in accordance with PL d according to EN 13849-1 and SIL2 according to IEC
61508 for the case that all of the components are installed in a control cabinet.
9287
&RQWURO8QLW
 *1'
 ',&20
 ',&20

)',

Figure 7-20 Connecting a sensor, e.g. Emergency Stop mushroom pushbutton or limit switch
6,0$7,&)6
5*
6HQGHU
6,0$7,&)6
5*
(PSI¦QJHU
&RQWURO8QLW


 ',&20
 ',&20

)',
9'&
0

99
8V
266'
266'
8V
Figure 7-21 Connecting an electronic sensor, e.g. SIMATIC FS-400 light curtain
7.&%
< < $   <
$ < <
9'&
0
&RQWURO8QLW
 ',&20
 ',&20

)',

Figure 7-22 Connecting a safety relay, e.g. SIRIUS 3TK28

Table of Contents

Related product manuals