EasyManua.ls Logo

Siemens SINAMICS S120 - Page 179

Siemens SINAMICS S120
260 pages
To Next Page IconTo Next Page
To Next Page IconTo Next Page
To Previous Page IconTo Previous Page
To Previous Page IconTo Previous Page
Loading...
Drive functions
5.5 Control voltage output
Hydraulic Drive
System Manual, 04/2015, 6SL3097-4BA00-0BP1
179
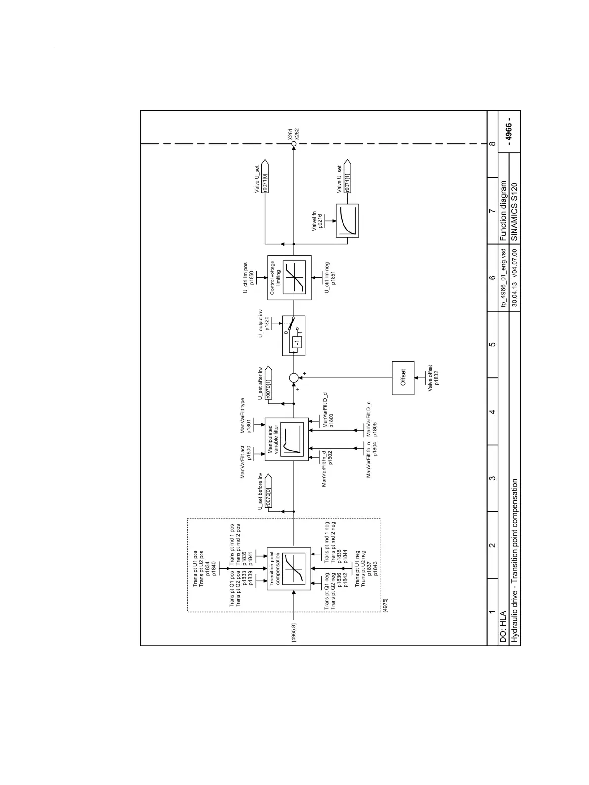
Figure 5-18 Function diagram 4966 - transition point compensation

Table of Contents

Other manuals for Siemens SINAMICS S120

Related product manuals