EasyManua.ls Logo

Simplicity LTH Series - Page 172

Simplicity LTH Series
246 pages
Print Icon
To Next Page IconTo Next Page
To Next Page IconTo Next Page
To Previous Page IconTo Previous Page
To Previous Page IconTo Previous Page
Loading...
7 Transmission Repair
7C Tuff Torq K60
7 - 42
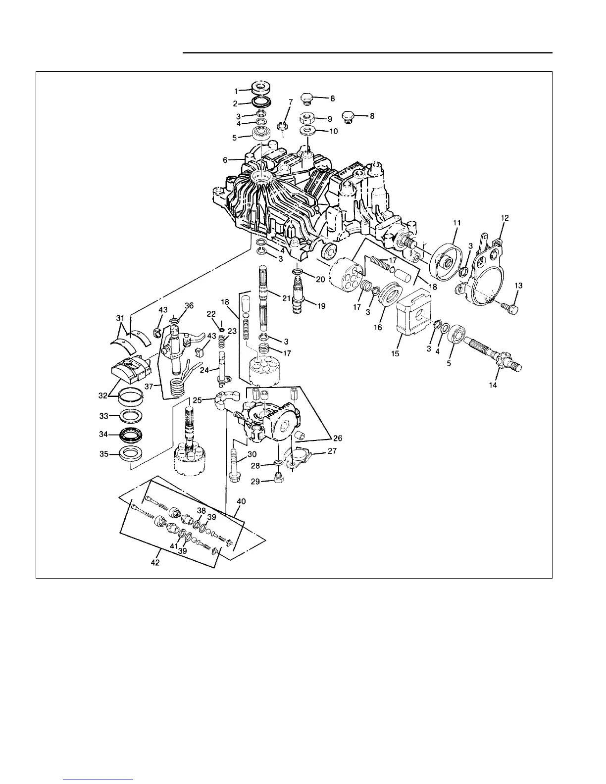
Figure C–2. Broadmoor Tuff Torq K60 Hydrostatic Transaxle
1. Seal
2. Ring, Retaining, Int.
3. Ring, Retaining, Ext
4. Washer
5. Bearing
6. Assembly, Cover, Top
7. Ring, Retaining, Ext.
8. Cap, Sealing
9. Nut
10.Washer
11.Drum, Brake
12.Assembly, Brake
13.Capscrew
14.Shaft, Motor
15. Retainer, Thrust Bearing
16.Bearing, Thrust
17.Spring
18.Assembly, Cylinder
19.Fulcrum
20.Packing
21.Shaft, Pump
22.Packing
23.Spring
24.Shaft, Valve, Bypass
25.Arm, Valve, Bypass
26.Case, Center
27.Magnet
28.Packing
29.Plug, 1/4"
30.Bolt
31.Bearing, Thrust
32.Plate, Swash
33.Plate, Thrust
34.Bearing, Thrust
35.Plate, Thrust
36.Packing
37.Assy. Shaft, Control
38.Ring, Backup
39.Packing
40.Valve, Bypass, Fwd.
41.Ring, Backup
42.Valve, Bypass, Rev.
43.Assy., Block, Pivot

Table of Contents

Other manuals for Simplicity LTH Series

Related product manuals