EasyManua.ls Logo

Sirman PLL 300 - Slicer Wiring Diagram

Sirman PLL 300
28 pages
Print Icon
To Next Page IconTo Next Page
To Next Page IconTo Next Page
To Previous Page IconTo Previous Page
To Previous Page IconTo Previous Page
Loading...
9
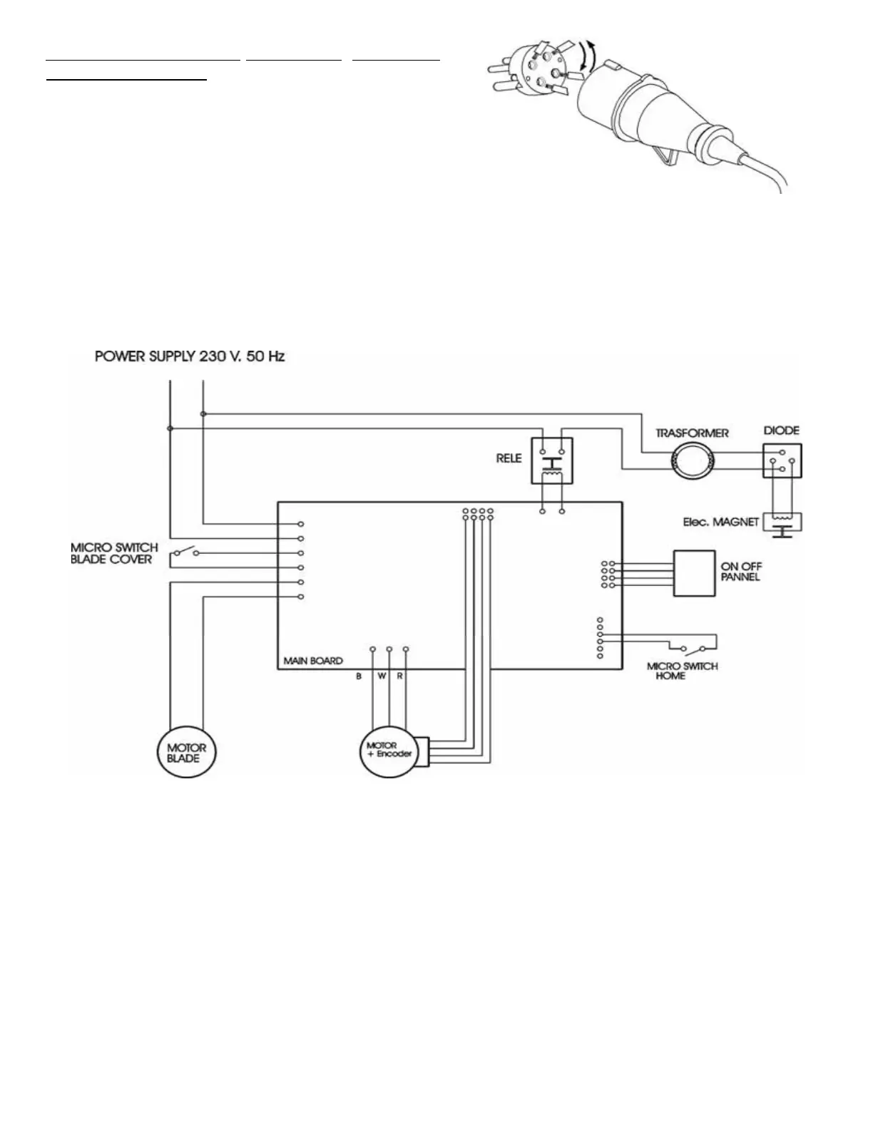
Fig. n°20
2.4 - WIRING DIAGRAM
n°20) two of the three-phase wires (black, grey
or brown) in the plug.
Fig. n°21

Related product manuals