EasyManua.ls Logo

Solartron Mobrey 7828 - Page 40

Default Icon
110 pages
Print Icon
To Next Page IconTo Next Page
To Next Page IconTo Next Page
To Previous Page IconTo Previous Page
To Previous Page IconTo Previous Page
Loading...
Electrical Installation 7828 Density Transmitter Technical Manual
3-10 78285000_AB
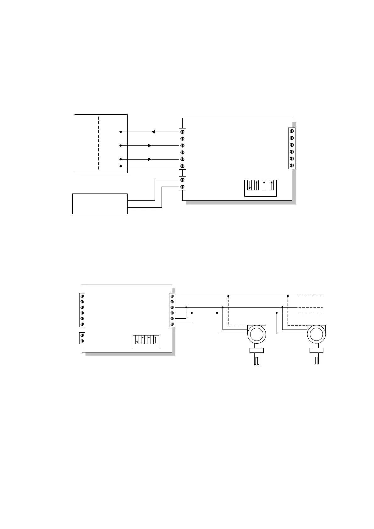
The switch on the KD485-ADE should be set with SW1 On (to enable half-duplex
operation on Port 2), with the other three switches (SW2, 3, 4) set to Off.
Connections to the RS232 port (Port 1) are shown below:
-
KD485-ADE
Tx
Rx
RTS In
Port 1 GND
Power Input
1
2
3
4
5
6
7
8
PC Connector
DB9
DB25
32
23
47
75
Power Supply
7 to 35V DC
Tx
Rx
RTS
GND
+
-
+
Port 1
RS232
6
5
4
3
2
1
RxB
Port 2 GND
RxA
TxA
TxB
Note: For a PC running Windows NT, the RTS connection can be omitted.
Connections to the RS485 port (Port 2) are:
KD485-ADE
Tx
Rx
RTS In
Port 1 GND
Power Input
1
2
3
4
5
6
7
8
-
+
6
5
4
3
2
1
Port 2
RS485
RxB
Port 2 GND
RxA
TxA
TxB
A
B
A
B
GND
GND
3
4
2
7828
A
B
GND
3
4
2
7828
Note: The ‘A’ signals on the 7828 must be connected to the ‘B’ signal on the converter,
and vice-versa.
In most systems, the ground connection will be unnecessary.
When two or more devices are connected on the same RS485 network, this is known as
a multidrop configuration (see next section). Each device must be configured with its
unique slave address before being installed on the network.

Table of Contents