EasyManua.ls Logo

Sony GN3UN - Page 159

Sony GN3UN
163 pages
Print Icon
To Next Page IconTo Next Page
To Next Page IconTo Next Page
To Previous Page IconTo Previous Page
To Previous Page IconTo Previous Page
Loading...
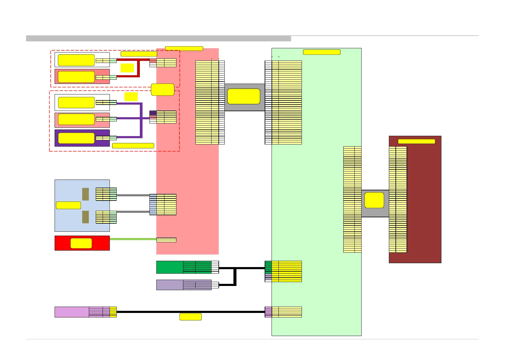
5-3. Connector Diagram : KM_KMW_KML_KMLW_LK1_40
159
CN9601
40 pin LK board connector
(compatible)
1-535-807-31
(compatible)
Connector Maker MOLEX KYOCERA
JST SPS-01T-187* CN4001
184256612 CN9901
KYOCERA
MOLEX Part no:
036600301
036600201
L+
1
4 2
1
R-
036600201
036600301
Connector Name/Model:
505110-40
046806040000846+
L-
2 3
1
2
R+
3.3V
1 40
40 1
GND
1-780-577-11
2 3
L-
NC 2
39
39 2
IP_REF
JST WSPS-01T-110B*
1 4
L+
X_AUDIO_RST
3
38
38
3
PWM
(2.0Ch) X_AUDIO_OMUTE1
4
37 37
4 BL_ON
GND 5
36 36
5
BL_ERR
1-535-807-31
PANEL_SCL0 6
35 35
6
NC
JST SPS-01T-187*
PANEL_SDA0 7
34
34 7
NC
R+
1 2
GND
8 33
33 8
NC
R-
2
1 GND
9 32
32 9
19.5V
1-780-577-11
BCLK
10 31
31 10
19.5V
JST WSPS-01T-110B*
GND
11 30
30
11
19.5V
GND
12
29
29 12
19.5V
LRCLK
13 28
28
13 19.5V
GND 14
27 27
14
19.5V
SDATA0
15 26 26
15
19.5V
GND
16 25
25
16 19.5V
X_AUDIO_IMON1 17
24 24
17 RGATE
1-535-807-31 GND
18 23 23
18
NC
JST SPS-01T-187*
GND 19
22 22
19 NC
L+ 1
6
SDATA1 20
21 21
20 GND
L-
2 5
GND
21 20
20 21
SDATA1
1-780-577-11
NC
22
19 19
22 GND
JST WSPS-01T-110B*
NC
23 18
18
23
GND
CN4002 184256712
RGATE
24 17
17 24
X_AUDIO_IMON1
2
1 SUB-
19.5V 25
16 16
25
GND
1-535-807-31 1
2 SUB+ 19.5V
26
15 15
26 SDATA0
JST SPS-01T-187*
2 3 R-
19.5V 27
14
14 27
GND
R+
1 4
1 4
R+ 19.5V
28
13 13
28 LRCLK
R- 2
3 2
5 L-
19.5V
29 12 12
29
GND
1-780-577-11 1
6 L+
19.5V 30
11 11
30 GND
JST WSPS-01T-110B*
(2.1Ch model) 19.5V
31
10
10 31 BCLK
19.5V 32
9
9 32 GND
NC
33 8 8
33
GND
NC
34 7
7 34
M_SDA1
JST SMP-02VF/N NC
35 6
6 35
MSCL1
1-784-991-21
BL_ERR 36 5 5
36
GND
SUB+
1
2 BL_ON
37 4
4 37
X_AUDIO_O MUTE1 CN8500
SUB- 2 1 PWM
38 3 3
38
X_AUDIO_RST 51P FFC Connector
IP_REF
39 2 2
39
NC Com patible
GND
40 1
1 40
3.3V --> 1-818-693-22
Connector Maker
IPEX(BM11
Molex(BM10)
SM30B-SHLDS-GANF-1-TF(LF)(SN) Part No
1-842-546-
1-844-527-11
right-angle
NC
1 51
NC
FRC_RST
2 50
FRC_RST
NC 3 49
NC
NC 4 48
NC
NC
5 47
NC
NC 6
46 NC
SA_MODE
7
45 SA_MODE
LVDS_SEL
8 44 LVDS_SEL
B_INT/WP 9 43 B_INT/WP
NC 10 42
NC
SDA
11 41
SDA
SCL 12
40
SCL
GND 13
39 GND
EVEN_4P
14 38 EVEN_4P
EVEN_4N
15 37 EVEN_4N
EVEN_3P
16 36
EVEN_3P
EVEN_3N 17
35 EVEN_3N
GND 18
34 GND
EVEN_CLKP 19
33 EVEN_CLKP
EVEN_CLKN 20 32 EVEN_CLKN
CH1 Cathode
L1 5 GND
21 31
GND
Cathode L2 NC
EVEN_2P 22 30 EVEN_2P
Anode L3 1 AWG: 30
CN9000 1-820-289-11 EVEN_2N
23 29 EVEN_2N
Anode
L4 NC L3
1 BL_VCC01 EVEN_1P
24 28 EVEN_1P
CH2
Cathode L5
6 R3 2
BL_VCC02 EVEN_1N 25 27
EVEN_1N
CH3 Cathode
L6 7 3
BL_VCC03 EVEN_0P 26
26 EVEN_0P
4
BL_VCC04 EVEN_0N 27 25
EVEN_0N
L1 5
BL_LED01
GND 28 24 GND
L5 6
BL_LED02 ODD_4P
29 23
ODD_4P
L6
7 BL_LED03 ODD_4N 30
22 ODD_4N
AWG: 30
R1 8 BL_LED04 ODD_3P
31 21 ODD_3P
CH1 Cathode
R1 8 R5
9 BL_LED05 ODD_3N
32 20 ODD_3N
Cathode
R2 NC R6 10
BL_LED06 GND 33
19 GND
Anode R3
2 ODD_CLKP 34
18 ODD_CLKP
Anode
R4 NC ODD_CLKN 35
17 ODD_CLKN
CH2 Cathode R5
9 GND 36
16 GND
CH3 Cathode R6
10 ODD_2P 37
15 ODD_2P
ODD_2N 38
14 ODD_2N
ODD_1P 39
13 ODD_1P
ODD_1N 40 12
ODD_1N
ODD_0P 41 11
ODD_0P
ODD_0N 42 10 ODD_0N
GND
43 9 GND
GND 44
8 GND
19.5V ADAPT GND 45
7 GND
GND NC 46
6 NC
POWER
47 5 PO WER
POWER 48
4 PO WER
POWER 49 3
POWER
POWER 50 2
POWER
POWER
51 1 PO WER
CN100 (1-819-466-11)
CN9602 1-820-289-11 H connector
1 1 1 1 STBY_5V
2 6
3 2 LED_POWER
3 2 4 3 LED_STBY
4 3
6 4 LED_WHITE
5 5
5 5 SIRCS
6 4 2 6
H_GND
1 7
KEY_GND
3 8 POWER_Key
CN1 (1-822-693-11) (JAM SZ15-03WLR) 2 9 TACT_Key
NC
10 STBY_3.3V
1
7
2 9
3 8
Header: 1-816-184-51
CN9500
1 1 1
1 VCC_5V
2 2 2 2 WoWLAN
3 3 3 3 DP
4 4 4 4
DM
5
5 5 5 GND
1-794-362-41
WiFi
VCC_5V
WoWLAN
DP
DM
GND
LS Bar
LS Bar
SIDE KEY MODULE
(3 key)
KEY_GND
TACT_Key
POWER_Key
H-BOARD
STBY_5V
H_GND
LED_POWER
LED_STBY
SIRCS
LED_WHITE
B-Board
Source Board
51-pin
FFC (FHD
MODEL)
LK1-Board
SPEAKER (FRONT)
LEFT
SPEAKER (FRONT)
RIGHT
AC
ADAPTOR
41-Pin FFC
LED DRIVER
5-pin FFC
41-Pin FFC 40-Pin FFC
SPEAKER (FRONT)
LEFT
SPEAKER (FRONT)
RIGHT
SPEAKER
Sub Woofer
For 2.1ch / KMW, KMLW
Overlap CN4001 & CN4002
with reference to
CN4001 Pin4 and CN4002 Pin6.
Only 1 type of connector
available at 1 time.
AWG22
(UL1007)
For 2.0ch / KM, KML
AWG24
(UL1007)

Table of Contents

Related product manuals