EasyManua.ls Logo

Sony GN3UN - Page 162

Sony GN3UN
163 pages
Print Icon
To Next Page IconTo Next Page
To Next Page IconTo Next Page
To Previous Page IconTo Previous Page
To Previous Page IconTo Previous Page
Loading...
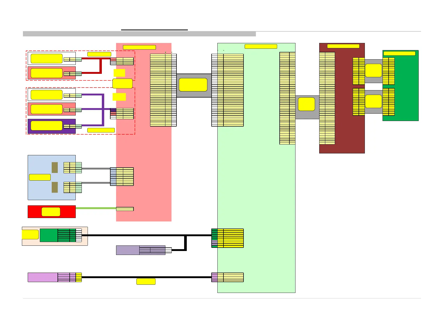
5-3. Connector Diagram : KL_KLW_LK2_49
162
CN9601
40 pin LK board connector CN8500
(compatible) Compatible
(compatible) Connector Maker MOLEX KYOCERA
Connector Maker
IPEX (BM1
Yamaichi (BM10) 51P Connector Type: FI-RXE51S-HF
CN9901 KYOCERA MOLEX Part no:
036600301
036600201 Part No
1-842-546-
1-843-107-12 Maker JAE
036600201
036600301 Connector Name/Model:
505110-40
046806040000846+ NC 1 51 NC
1-535-807-31 3.3V 1 40 40 1 GND FRC_RST 2 50 NC
JST SPS-01T-187* CN4001 184256612 NC 2 39 39 2 IP_REF NC 3 49 NC
L+ 1 4 2 1 R- X_AUDIO_RST 3 38 38 3 PWM NC 4 48 NC NA 1 1 NA
L- 2 3 1 2 R+ X_AUDIO_OMUTE1 4 37 37 4 BL_ON NC 5 47 NC NA 2 2 NA
1-780-577-11 2 3 L- GND 5 36 36 5 BL_ERR NC 6 46 NC NA 3 3 NA
JST WSPS-01T-110B*
1 4 L+ PANEL_SCL0 6 35 35 6 NC SA_MODE 7 45 NC NA 4 4 NA
(2.0Ch/Hotel model) PANEL_SDA0 7 34 34 7 NC LVDS_SEL 8 44 LVDS_SEL NA 5 5 NA
GND 8 33 33 8 NC B_INT/WP 9 43 B_INT/WP NA NA
1-535-807-31 GND 9 32 32 9 19.5V NC 10 42 NC NA NA
JST SPS-01T-187* BCLK 10 31 31 10 19.5V SDA 11 41 SDA NA NA
R+ 1 2 GND 11 30 30 11 19.5V SCL 12 40 SCL NA NA
R- 2 1 GND 12 29 29 12 19.5V GND 13 39 GND NA NA
1-780-577-11 LRCLK 13 28 28 13 19.5V EVEN_4P 14 38 EVEN_4P NA NA
JST WSPS-01T-110B*
GND 14 27 27 14 19.5V EVEN_4N 15 37 EVEN_4N NA 47 47 NA
SDATA0 15 26 26 15 19.5V EVEN_3P 16 36 EVEN_3P NA 48 48 NA
GND 16 25 25 16 19.5V EVEN_3N 17 35 EVEN_3N NA 49 49 NA
X_AUDIO_IMON1 17 24 24 17 RGATE GND 18 34 GND NA 50 50 NA
GND 18 23 23 18 NC EVEN_CLKP 19 33 EVEN_CLKP
GND 19 22 22 19 NC EVEN_CLKN 20 32 EVEN_CLKN
SDATA1 20 21 21 20 GND GND 21 31 GND NA 1 NA 1
1-535-807-31 GND 21 20 20 21 SDATA1 EVEN_2P 22 30 EVEN_2P NA 2 NA 2
JST SPS-01T-187* NC 22 19 19 22 GND EVEN_2N 23 29 EVEN_2N NA 3 NA 3
L+ 1 6 NC 23 18 18 23 GND EVEN_1P 24 28 EVEN_1P NA 4 NA 4
L- 2 5 RGATE 24 17 17 24 X_AUDIO_IMON1 EVEN_1N 25 27 EVEN_1N NA 5 NA 5
1-780-577-11 19.5V 25 16 16 25 GND EVEN_0P 26 26 EVEN_0P NA NA
JST WSPS-01T-110B*
19.5V 26 15 15 26 SDATA0 EVEN_0N 27 25 EVEN_0N NA NA
19.5V 27 14 14 27 GND GND 28 24 GND NA NA
19.5V 28 13 13 28 LRCLK ODD_4P 29 23 ODD_4P NA NA
1-535-807-31 19.5V 29 12 12 29 GND ODD_4N 30 22 ODD_4N NA NA
JST SPS-01T-187* CN4002 184256712 19.5V 30 11 11 30 GND ODD_3P 31 21 ODD_3P NA NA
R+ 1 4 2 1 SUB- 19. 5V 31 10 10 31 BCLK ODD_3N 32 20 ODD_3N NA 47 NA 47
R- 2 3 1 2 SUB+ 19.5V 32 9 9 32 GND GND 33 19 GND NA 48 NA 48
1-780-577-11 2 3 R- NC 33 8 8 33 GND ODD_CLKP 34 18 ODD_CLKP NA 49 NA 49
JST WSPS-01T-110B*
1 4 R+ NC 34 7 7 34 M_SDA1 ODD_CLKN 35 17 ODD_CLKN NA 50 NA 50
2 5 L- NC 35 6 6 35 M SCL1 GND 36 16 GND
1 6 L+ BL_ERR 36 5 5 36 GND ODD_2P 37 15 ODD_2P
(2.1Ch model) BL_ON 37 4 4 37 X_AUDIO_OMUTE1 ODD_2N 38 14 ODD_2N
JST SMP-02VF/N PW M 38 3 3 38 X_AUDIO_RST ODD_1P 39 13 ODD_1P
1-784-991-21 IP_REF 39 2 2 39 NC ODD_1N 40 12 ODD_1N
SUB+ 1 2 GND 40 1 1 40 3.3V --> 1-818-693-22 ODD_0P 41 11 ODD_0P
SUB- 2 1 SM30B-SHLDS-GANF-1-TF(LF)(SN) ODD_0N 42 10 ODD_0N
right-angle GND 43 9 GND
GND 44 8 GND
GND 45 7 GND
NC 46 6 NC
POWER 47 5 PO WER
POWER 48 4 PO WER
POWER 49 3 PO WER
POWER 50 2 PO WER
POWER 51 1 PO WER
CH1 Cathode L1 5
Cathode L2 NC
Anode L3 1 AWG: 30 CN9000 182028911
Anode L4 NC L3 1 BL_VCC01
CH2 Cathode L5 6 R3 2 BL_VCC02
CH3 Cathode L6 7 3 BL_VCC03
4 BL_VCC04
L1 5 BL_LED01
L5 6 BL_LED02
L6 7 BL_LED03
AWG: 30 R1 8 BL_LED04
CH1 Cathode R1 8 R5 9 BL_LED05
Cathode R2 NC R6 10 BL_LED06
Anode R3 2
Anode R4 NC
CH2 Cathode R5 9
CH3 Cathode R6 10
19.5V ADAPT
GND
CN100 (1-820-184-11) CN9602 1-820-289-11 H connector
1 1
1
1 STBY_5V
2 6
3
2 LED_POWER
3 2
4
3 LED_STBY
4 3
6
4 LED_WHITE
5 5
5
5 SIRCS
6 4
2
6 H_GND
7 10 1 7 KE Y_GND
3 8 POWER_Key
CN1 (1-822-693-11) (JAM SZ15-03WLR) 2 9 TACT_Key
7
10 STBY_3. 3V
1 7
2 9
3 8
Header: 1-816-184-51 CN9500
1 1 1 1 VCC_5V
2 2 2 2 WoWLAN
3 3 3 3 DP
4 4 4 4 DM
5 5 5 5 GND
1-794-362-41
LS Bar
LS Bar
H-BOARD
HKD
STBY_5V
H_GND
LED_POWER
LED_STBY
SIRCS
LED_WHITE
WiFi
VCC_5V
WoWLAN
DP
DM
GND
STBY_3.3V
SIDE KEY MODULE
(3 key)
KEY_GND
TACT_Key
POWER_Key
B-Board
T-con Board
51-pin
FFC (FHD
MODEL)
LK1-Board
AC
ADAPTOR
41-Pin FFC
LED DRIVER
5-pin FFC
41-Pin FFC
40-Pin FFC FHD
SPEAKER (FRONT)
LEFT
SPEAKER (FRONT)
RIGHT
SPEAKER
Sub Woofer
SPEAKER (FRONT)
LEFT
SPEAKER (FRONT)
RIGHT
AWG22
(UL1007)
Overlap CN4001 & CN4002
with reference to
CN4001 Pin4 and CN4002 Pin6.
Only 1 type of connector
For 2.0ch / KL
For 2.1ch / KLW
AWG24
(UL1007)
SMART
CORE
50-pin
FFC
50-pin
FFC
Source Board

Table of Contents

Related product manuals