EasyManua.ls Logo

Sony HCD-BX2 - Schematic Diagram - AMP (E Model);Ac;Fuse Boards

Sony HCD-BX2
72 pages
Print Icon
To Next Page IconTo Next Page
To Next Page IconTo Next Page
To Previous Page IconTo Previous Page
To Previous Page IconTo Previous Page
Loading...
3131
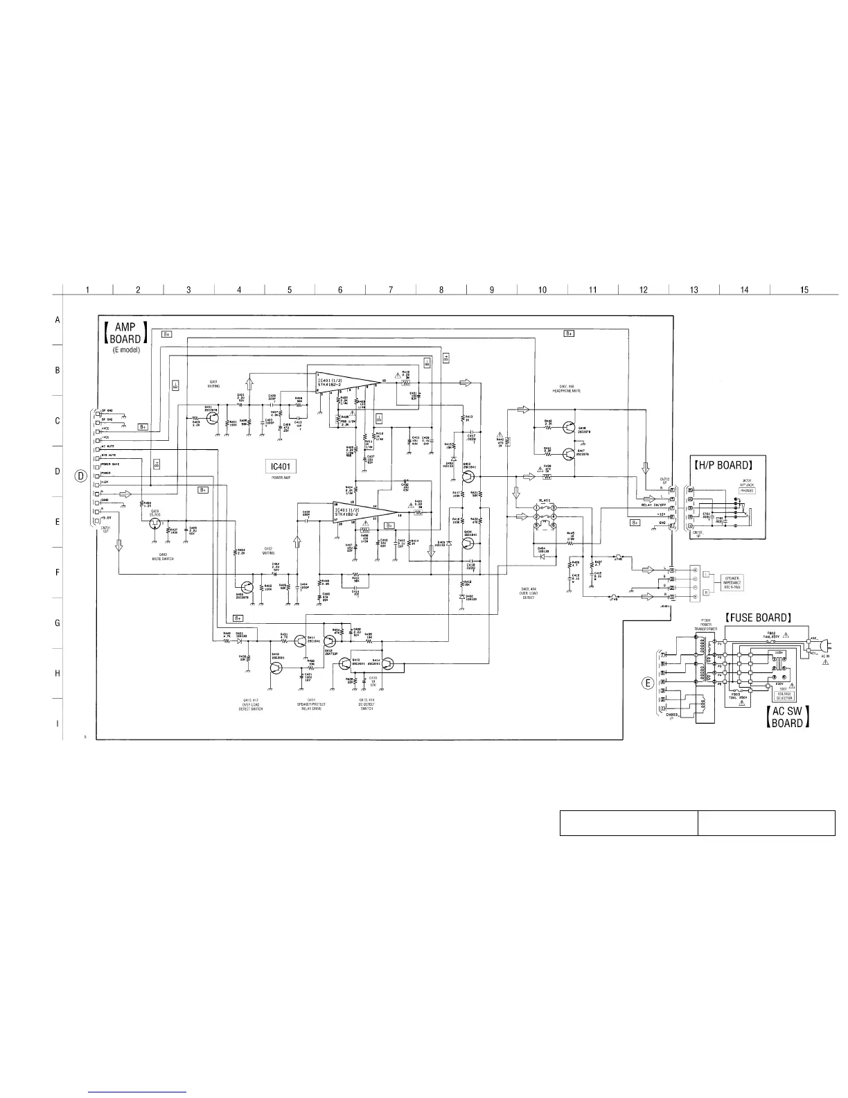
HCD-BX2/DX2/DX2B
4-19. SCHEMATIC DIAGRAM – AMP (E model)/AC/FUSE Boards –
The components identified by mark 0 or dotted
line with mark 0 are critical for safety.
Replace only with part number specified.
Les composants identifiés par une marque 0 sont
critiques pour la sécurité. Ne les remplacer que
par une pièce portant le numéro spécifié.
(Page 23)
(Page 21)

Related product manuals