EasyManua.ls Logo

Sony HCD-D170 - Page 18

Sony HCD-D170
68 pages
Print Icon
To Next Page IconTo Next Page
To Next Page IconTo Next Page
To Previous Page IconTo Previous Page
To Previous Page IconTo Previous Page
Loading...
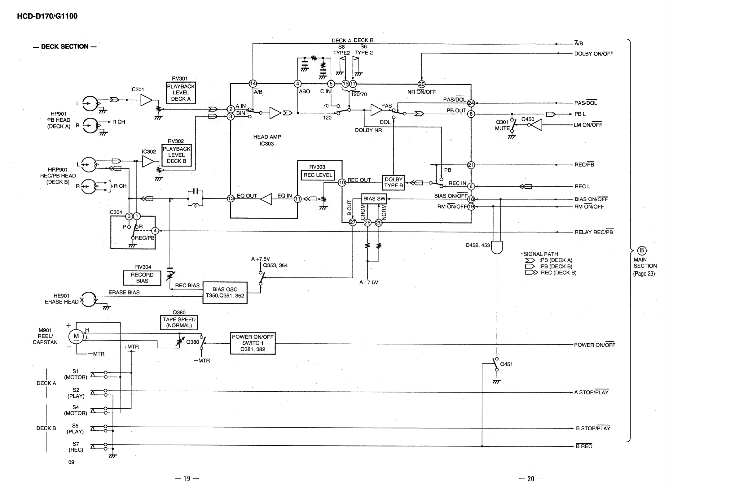
HCD-D170/G1100
eee
ck
a
DECK
A
DECK
B
DECK
SECTION
S3
S6
TYPE2
TYPE
2
<<
>
NR
ON/OFF
L—>
HP901
7
PB
HEAD
RCH
(DECK
A)
R
—>
?
HEAD
AMP
IC303
Lam
4g
=
RV303
HRP9071
,
S
REC/PB
HEAD
REC
LEVEL
~
(DECK
B)
age
Src
b
(8)
BIAS
BIAS
ON/OFF,
A+7.5V
te
RV304
lee
354
RECORD
|
BIAS
|
wily
:
|
REC
BIAS
ERASE
BIAS
BIAS
OSC
Basie
T350,Q351,
352
ERASEHEADX
§&
|
Q380
TAPE
SPEED
M901
H
POWER
ON/OFF
SWITCH
Q381,
382
REEL
C)
teeeeen
emerge
ace
‘CAPSTAN
:
380
:
ag
+MTR
4
—MTR
—MTR
$1
O
DECK
A
|
$2
O
(PLAY)
me
)
ae
DECK
B
S5
(REC)
09
hy
a
ar
Oo
=
i
D452,
453
Ld
as
er
rn
re
Sf
el
AB
DOLBY
ON/OFF
PAS/DOL
oo
PBL
Q450
Q301
O
et
MUTE
-o
|---—-
LM
ON/OFF
REC/PB
REC
L
BIAS
ON/OFF
RM
ON/OFF
RELAY
REC/PB
*
SIGNAL
PATH
|
>>
:PB
(DECK
A)
MAIN
[>
_
:PB
(DECK
B)
SECTION
[>>
:REC
(DECK
B)
(Page
23)
POWER
ON/OFF
O
Q451
A
STOP/PLAY
B
STOP/PLAY
B
REC

Related product manuals