EasyManua.ls Logo

Sony HCD-D170 - IC Block Diagrams - CD Section - ou

Sony HCD-D170
68 pages
Print Icon
To Next Page IconTo Next Page
To Next Page IconTo Next Page
To Previous Page IconTo Previous Page
To Previous Page IconTo Previous Page
Loading...
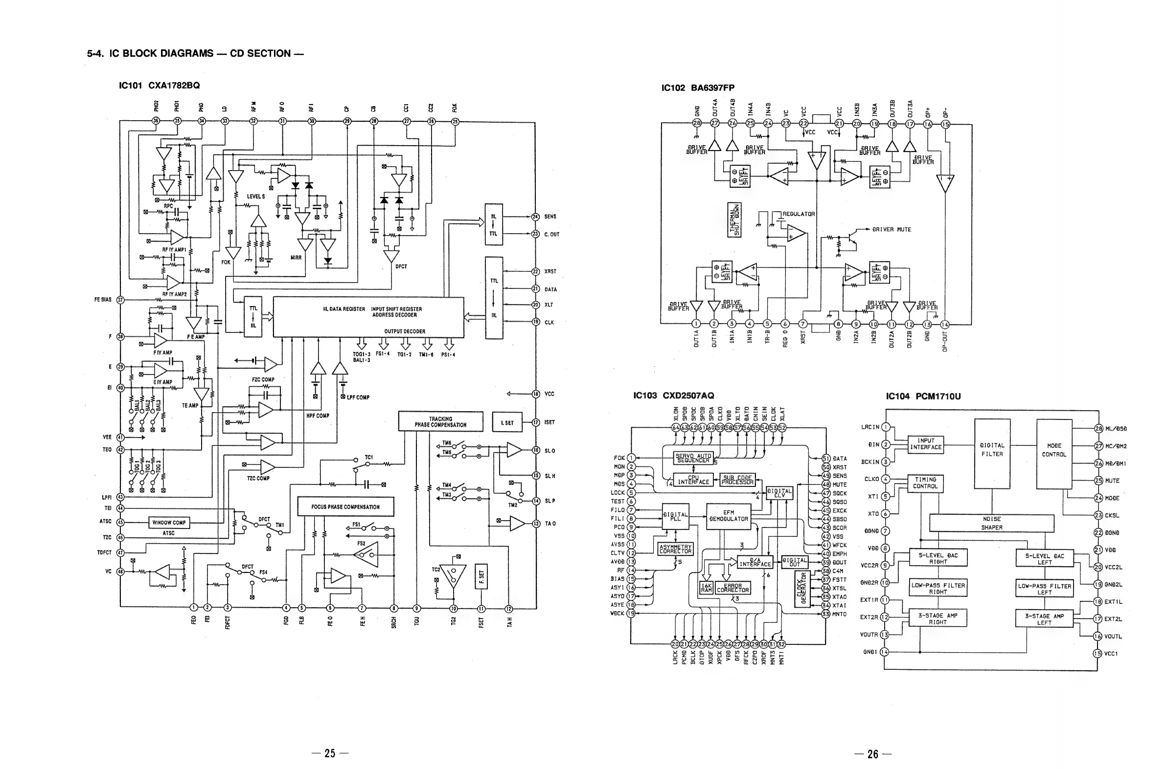
5-4.
IC
BLOCK
DIAGRAMS
CD
SECTION
IC101
CXA1782BQ
1C102
BA6397FP
es
ws
in
5
oO
Q4)
SENS
SRIVER
MUTE
Cc.
OUT
XRST
DATA
FE
BIAS
XLT
\/
IL
DATA
REGISTER
INPUT
SHIFT
REGISTER
ADORESS
DECODER
CLK
(3)
@
OUTPUT
DECODER
a
“a
F
a
3
.
QO
Qo.
ab
Lh
ob
Lb
3
&
TOG1-3
FSI-4
G1-2
TMI-6
PSt-4
BALI-3
E
el
bine
vec
IC103
CXD2507AQ
C104
PCM1710U
TRACKING
PHASE
COMPENSATION
1.
SET
(2)
IseT
VEE
=
INPUT
_
@
INTERFACE
BIGITAL
sto
FILTER
SLH
LPF
a
Tel
ATSC
TAO
S-LEVEL
DAC
Lert
1‘
LOW-PASS
FILTER
(19)
LEFT
‘3-STAGE
AMP
25
26

Related product manuals