EasyManua.ls Logo

Sony HCD-D170 - Main Section

Sony HCD-D170
68 pages
Print Icon
To Next Page IconTo Next Page
To Next Page IconTo Next Page
To Previous Page IconTo Previous Page
To Previous Page IconTo Previous Page
Loading...
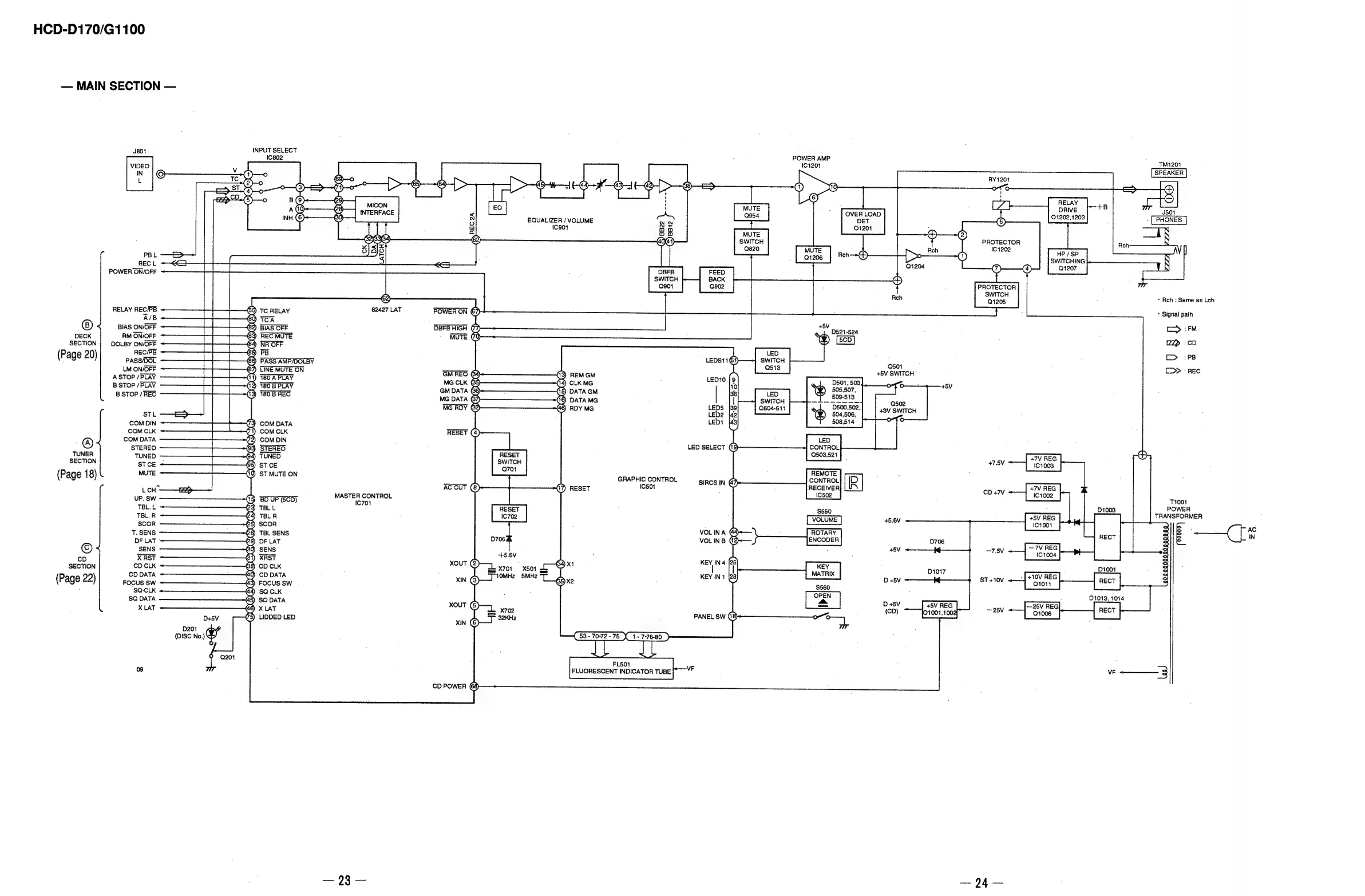
HCD-D170/G1100
MAIN
SECTION
J801
VIDEO
Nn
16
PBL
REC
L
POWER
ON/OFF
RELAY
REC/PB
;
A/B
BIAS
ON/OFF
DECK
RM
ON/OFF
SECTION
DOLBY
ON/OFF
REC/PB
(Page
20)
PASS/DOL
LM
ON/OFF
A
STOP
/PLAY
B
STOP
/PLAY
B
STOP
/REC
STL
COM
DIN
COM
CLK
®
COM
DATA
STEREO
TUNER
TUNED
SECTION
STCE
(Page
18)
MUTE
LCH’-
UP.
SW
TBL.L
TBL.R
SCOR
T.
SENS
DF
LAT
°
©
SENS
cD
X
RST
SECTION
CD
CLK
CD
DATA
(Page
22)|
gous
sw
SQ-CLK
SQ
DATA
X
LAT
‘J
*
Y
(DISC
ny
INPUT
SELECT
Ic802
.
POWER
AMP
161201
RY1201
RELAY
DRIVE
Q1202,1203
OVER
LOAD
DET
Q1201
EQUALIZER
/
VOLUME
IC901
PROTECTOR
1C1202
HP
/
SP
SWITCHING
Q1207
PROTECTOR
SWITCH
Q1205
;
|
cesoninesned
Pe
Le
=
he
aban
a
gale
aa,
UT
63
REC
MUTE
-
Ww
NR
OFF
PB
PASS
AMP/DOLBY
LINE
MU
IN
180
A
PLAY
180
B
PLAY
180
B
REC
LED
SWITCH
Q513
Qs01
+5V
SWITCH
O
:
+5V
LED
SWITCH
J——et-
—--————
——
Qs02
Q504-514
43V
SWITCH
©
508,514
y
COM
DATA
nese:
COM
CLK
eas
COM
DIN
LED
@3
STEREO
LED
SELECT
|
eS
TUNED
0503,521
J
pe
+7V
REG
}
ST
MUTE
ON
GRAPHIC
CONTROL
eet
SIRCS
IN
@?
+7V
REG
cD
+7V
11002
MASTER
CONTROL
G3}
BDUPECD)
iC701
Tee
Bint
D1003
6)
TaLR
VOLUME
+5.6V
ae
@5)
SCOR
bal
VOL
INA
@4)
ROTARY
65)
DF
LAT
—7V
REG
;
+5V
—7.5V
63)
SENS
;
101004
e
XAST
+5.6V
3
XOUT
34
2
G8)
CD
CLK
:
ae
x7o1
xs01
|
MATRIX
eae
TOV
REG]
ac
@Q
CD
DATA
XIN
@)
YOMHz
5MHz
63)
D
+5V
ST
410V
RECT
@3)
Focus
SW
pacts
SQ
CLK
;
01013,
1014
SQ
DATA
D+5V
5V
REG
—25V
REG|
XOUT
a
a
X
LAT
(CD)
PANEL
sw
(8)
O
cae
D45V
LIDDED
LED
§3
-
70:72
-
75
1-
7-76-80
neers
FL501
VE
FLUORESCENT
INDICATOR
TUBE
a
3
:
VF
9
Q201
25193
24
=
*
Reh
:
Same
as
Loh
CLLL
TRANSFORMER
i—a
§0000000000080
60

Related product manuals