EasyManua.ls Logo

Sony HCD-D170 - Block Diagrams

Sony HCD-D170
68 pages
Print Icon
To Next Page IconTo Next Page
To Next Page IconTo Next Page
To Previous Page IconTo Previous Page
To Previous Page IconTo Previous Page
Loading...
HCD-D170/G1100
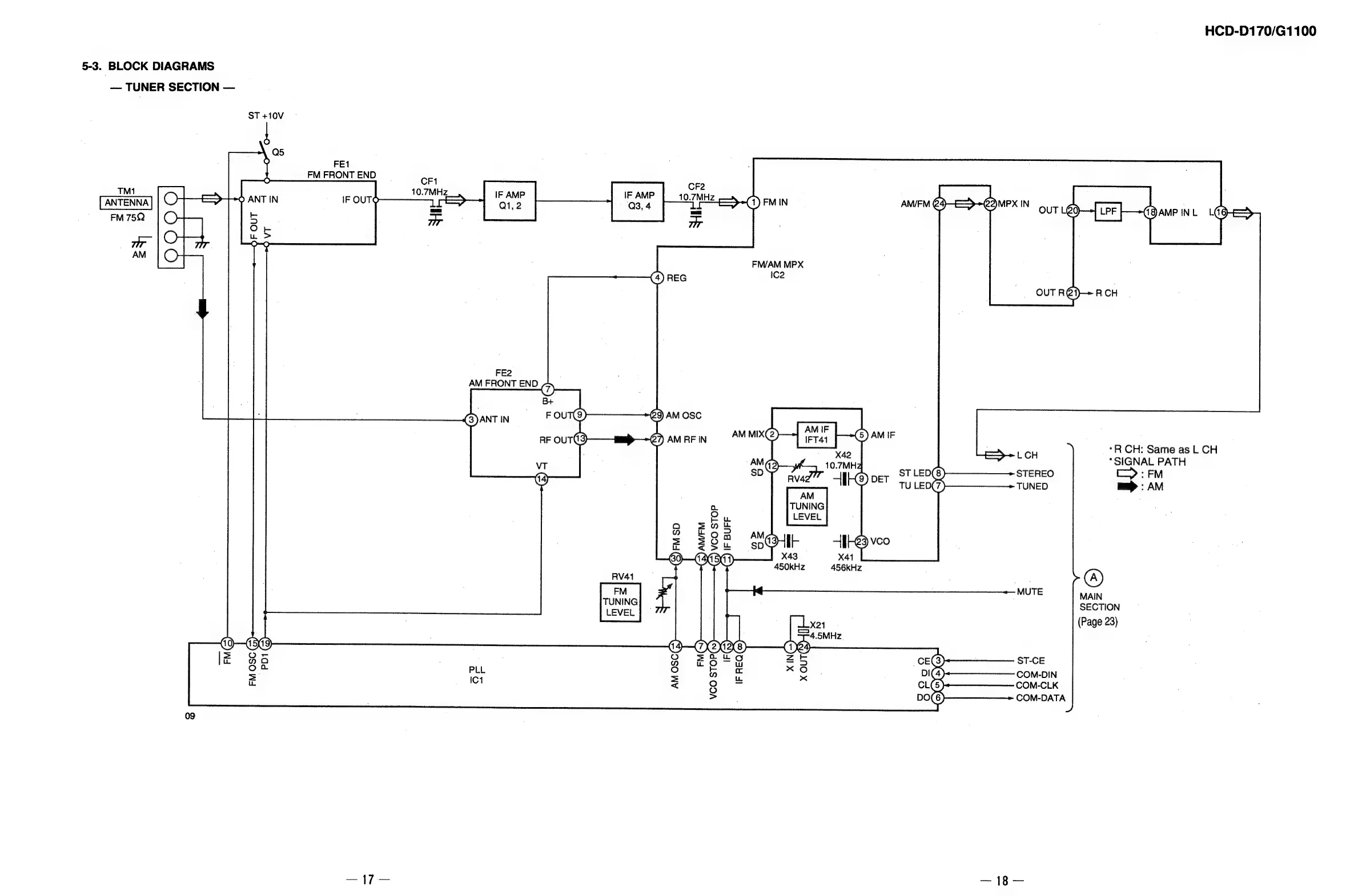
5-3.
BLOCK
DIAGRAMS
TUNER
SECTION
ST
+10V
s
Q5
,
FE1
FM
FRONT
END
ae
=
ANT
IN
iF
OUT
aay
|
©
:
C)
@0
GQAMP
INL
LOGE
FM
75Q
=
wr
|S
AM
FM/AM
MPX
IC2
RCH
FE2
AM
FRONT
END
*R
CH:
Same
as
L
CH
LCH
*SIGNAL
PATH
STEREO
c>:FM
TUNED
map
:
AM
X41
450kHz
456kHz
(A)
|
*MUTE
MAIN
SECTION
(Page
23)
ST-CE
COM-DIN
COM-CLK
-
COM-DATA

Related product manuals