EasyManua.ls Logo

Sony HCD-D170 - Schematic Diagram - Tuner Section

Sony HCD-D170
68 pages
Print Icon
To Next Page IconTo Next Page
To Next Page IconTo Next Page
To Previous Page IconTo Previous Page
To Previous Page IconTo Previous Page
Loading...
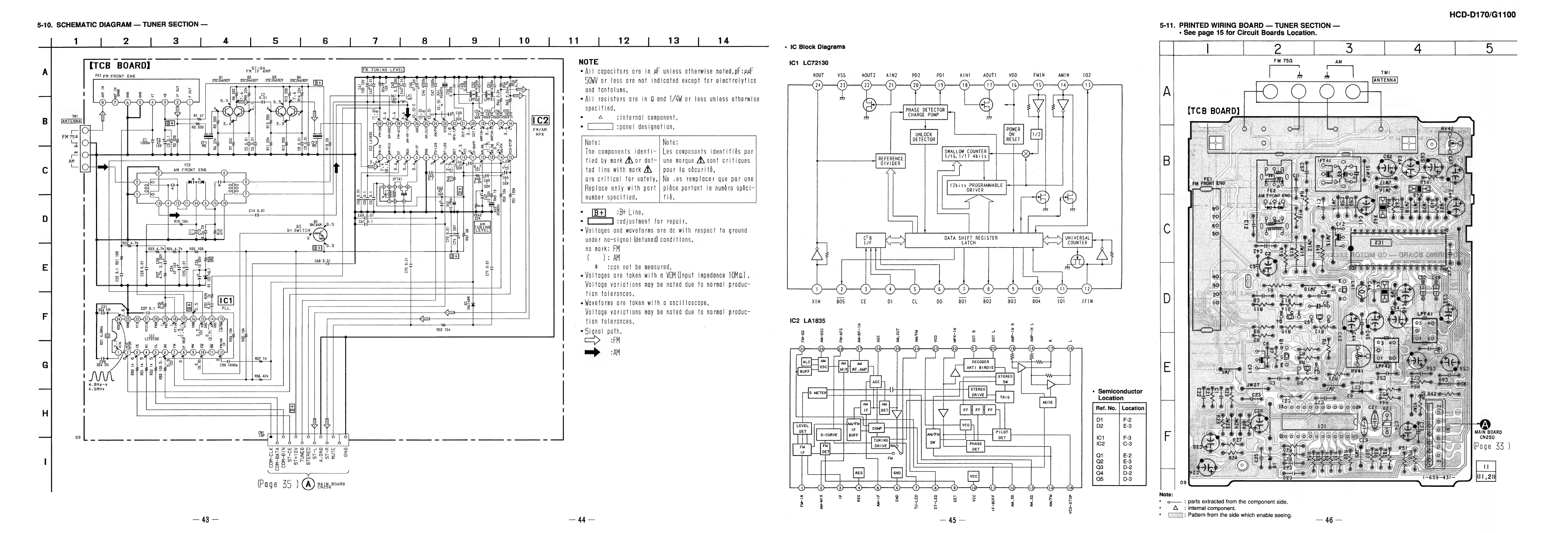
5-10.
SCHEMATIC
DIAGRAM
TUNER
SECTION
1
2
3
4
5
6
T 8
[TCB
BOARD]
ofa
A
FM
IF
AMP
.
FEL
FM
FRONT
END
Ql
a2
a3
Q4
28026690
2sc2éagcy
28C24690Y
2sc2eagny
Tm!
B
ANTENNA
a
FM
750
7
=
AM
C
Ct4
0.01
cé9
9.01
D
C61
0.1
3
-
i
ae
o
=
N
a4
F
G
H
03
©
{)
e,
> ©
Mta2zwW>QoOoOi
JG
tu
G
are
OOWU
|
Zire
az
Oxo
17205
Ore
D
ros)
|
x
ik
=
‘a
a
is
2
<
nes
Oz
OQ
nN
fg)
Qo
3
Qo
|,
on
“WO
Q
Nan)
rae)
CN
C7
~———
Ox
Z>
Nw
Uz
o
ww
Q
>
Ec]
re)
c7t
0.01
11
8
A
12
13 14
NOTE
e
All
capacitors
are
in
pF
unless
otherwise
noted.
pF:
pur
SOW
or
less
are
not
indicated
except
for
electrolytics
and
tantalums,
*
All
resistors
are
in
Q
and
|/4W
or
less
unless
otherwise
specified.
‘internal
component,
«
[J
‘panel
designation,
Note: Note:
|
The
components
identi-|
Les
composants
identifids
par
fied
by
mark
AN or
dot-|
une
marque
A\
sont
critiques
ted
line
with
mark
AX
|
pour
to
sacurite,
are
critical
for
safety.|
Ne
.es
remplacer
que
par
une
Replace
only
with
part
|
piéce
portant
te
numéro
spéci~
number
specified,
fie,
.
‘Bt
Line,
«
[J
sadjustment
for
repair,
*
Voltages
and
waveforms
are
dc
with
respect
to
ground
under
no-signal
(detuned)
conditions,
no
mark:
FM
(
oo):
AM
k
ican
not
be
measured,
¢
Voltages
are
taken
with
o
VOM
(Input
impedance
10MQ).
Voltage
variations
may
be
noted
due
to
normal
produc-
tion
tolerances,
e
Waveforms
are
taken
with
a
oscilloscope,
Voltage
variations
may
be
noted
due
to
normal
produc-
tion
tolerances,
eSignal
path.
“FM
=>
AM
44
—~
¢
IC
Block
Diagrams
IC1
LC72130
XOUT
-VSS_——s
AQUT2.—s
AN
PD2
Pot
AIN)
AOQUT1.
~—s
VOD
FMIN
AMIN
102
ne
COUNTER
1/16,
1/17
ttl
|
12bits
el
DRI
STE
DATA
Ca.
ed
REGISTER
ree
REFERENCE
DIVIDER
es)
fe
XIN
805
CE
B01
802
B03
B04
101
LFIN
¢
Semiconductor
Location
HCD-D170/G1100
5-11.
PRINTED
WIRING
BOARD
TUNER
SECTION
¢
See
page
15
for
Circuit
Boards
Location.
2
AE
A
ESE
EE
SN
BI
FM
750
ze:
ria
|
TMI
Eo
MAIN
BOARD
CN250
(Page
34
)
Note:
*
o——
:
parts
extracted
from
the
component
side.
.
A:
internal
component.
‘=|:
Pattern
from
the
side
which
enable
seeing.

Related product manuals