EasyManua.ls Logo

Sony HCD-EC55 - Block Diagram - MAIN Section

Sony HCD-EC55
104 pages
Print Icon
To Next Page IconTo Next Page
To Next Page IconTo Next Page
To Previous Page IconTo Previous Page
To Previous Page IconTo Previous Page
Loading...
3232
HCD-EC55/EC77/GX99
HCD-EC55/EC77/GX99
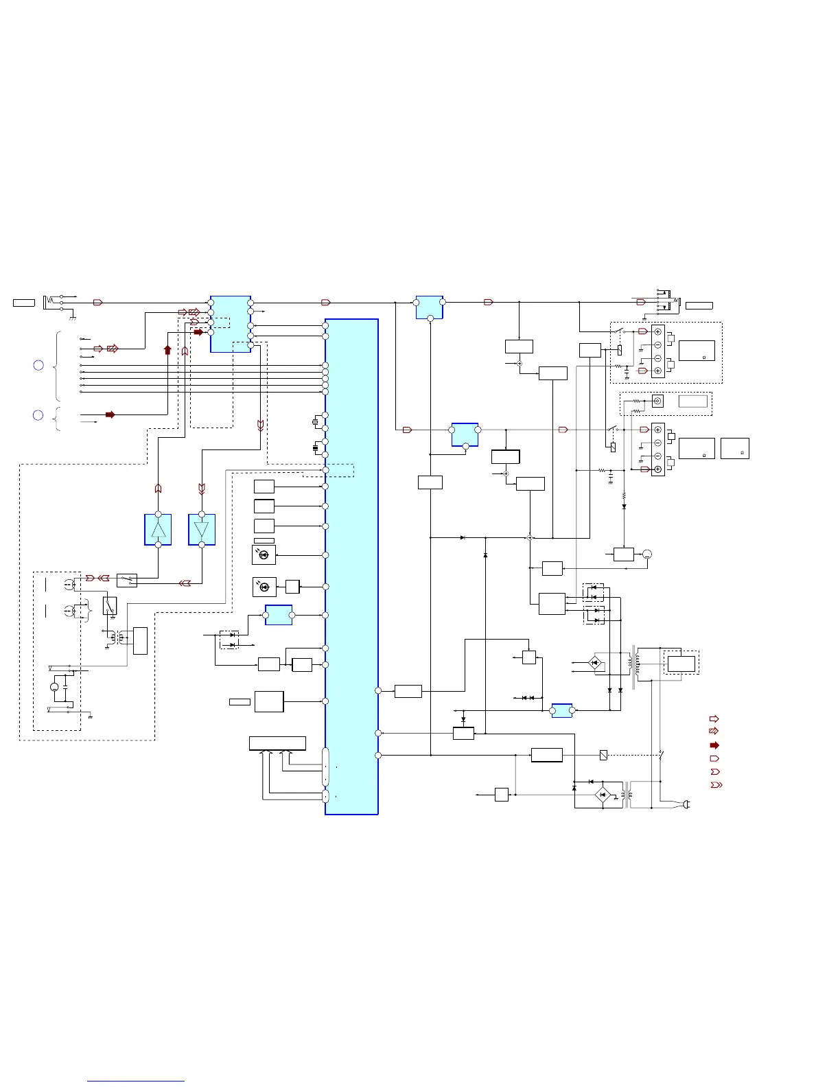
7-3. BLOCK DIAGRAM — MAIN SECTION —
: TUNER(FM)
: TUNER(AM)
: CD
• Signal Path
: AUDIO
: PB (TAPE)
: REC (TAPE)
• R-CH is omitted due to same as L-CH.
BIAS
OSC
Q501
Q502
REC/PB
HEAD
BLOCK
TAPE MECHANISM DECK
SYSTEM CONTROLLER
IC301(2/2)
VOLUME
VOLUME
AUDIO IN
J401
FUCTION
KEY
REMOTE
CONTROL
RECEIVER
IC302
SW303-
310
SW311-318
SW301,302
L-CH
R-CH
R-CH
TU-DO
TU-DI
TU-CLK
TU-ANSD
TU-CE
R-CH
39
55
56
57
33
L501
S501(1/2)
(REC/PB)
(REC/PB)
S501(2/2)
BIAS OSC
I-TP-STATE
40
X1A
14
X0A
13
X301
32.768kHz
X0
93
X1
92
X302
5MHz
9
FUCTION
KEY
FUCTION
KEY
38
31
RESET
SWITCH
Q306
54
RESET
Q304,305
42
D051,052
RELAY
DRIVE
AC
IN
Q619
RY001:EXCEPT E2,E3,E51,MX,KR,AR,SP,AUS
RY002:E2,E3,E51,MX,KR,AR,SP,AUS
37
+9V
AUDIO SELECTOR
IC602
R-CH
AUDIO-L
5 27
L-OUT
26
R-OUT
TUNER-L
6
4
CD-L
7
21
22
8
REC-L
R-CH
R-CH
L-CH
48
POWER
AMP
(HIGH)
SEG0
SEG31
59
62
COM0
COM3
LIQUID CRYSTAL
DISPLAY
LCD301
Q604
Q151
µCON +B
+ 4 V
36
49
+9V
VM9V
11
IC101
IC101
D303
+9V
REG
IC601
+VP
-VP
1
3
Q605,606
D611,612
Q624
+3.3V
+3.3V
REG
D606
D602
VM9V
CD
MONITOR
Q618
+3.6V
REG
Q302,303
1
+4V
67
63
64
89
94
100
.
.
.
28
45
LED302
LED
DRIVE
Q301
LED301
(BACK RIGHT)
STANDBY
J402
PHONES
R-CH
R-CH
R-CH
R-CH
L
R
R-CH
TB601
L
R
R-CH
CD-R
CD-L
A
BD/DRIVER
SECTION
(Page 30)
P-SW
M-SW
VM+7V
POWER
(MAIN)
TRANSFORMER
TP001
TP003 : EC55
TP002 : EC77/GX99
POWER
(SUB)
TRANSFORMER
4
SP RELAY
DRIVER
OVERLOAD
Q101,102
AMP
PROTECT
AC
MONITOR
DET
CD POWER
SWITCH
M
+9V
FAN
CONTROL
Q601,602
FAN
MONITOR
Q603
M901
FAN MOTOR
M
AMP
CONTROL
Q608
13
POWER
AMP
(LOW)
11
IC102
IC102
13
SPEAKER
HIGH FREQ.
IMPEDANCE:
USE 8
TB602
SPEAKER
LOW FREQ.
IMPEDANCE:
USE 8
SPEAKER
IMPEDANCE:
USE 6
O-LED
O-LED-STBY
2
7
I-RMC
I-HOLD
RESET
I-RE-VOL
S301
O-POWER
I-P-MONI
41
I-KEY1
I-KEY2
I-KEY-WAKE
3
DATA
CLK
O-FUNC-DATA
O-FUNC-CLK
TONE CONTROLLER
TAPE-L
I-TU-DO
O-TU-DI
O-TU-CLK
O-TU-CE
I-TU-ANSD
5
5
D617
POWER
D616
D607,609
D619,620
D601
D602
O-CD-ON
Q622
5
IC502
HEAD AMP
5
75
IC501
HEAD AMP
D055(1/2)
D055(2/2)
EXCEPT US,CND
Q151
OVERLOAD
Q101,102
AMP
PROTECT
DET
EC77/GX99
EC77/GX99 EC55
VOLTAGE
SELECTOR
S001
E2,E3,E51,SP
SUBW00FER
OUT
TUNER
SECTION
(Page 31)
B
RY601
RY602
J601
GX99
Ver. 1.1

Table of Contents

Related product manuals