EasyManua.ls Logo

Sony HCD-EC55 - Page 85

Sony HCD-EC55
104 pages
Print Icon
To Next Page IconTo Next Page
To Next Page IconTo Next Page
To Previous Page IconTo Previous Page
To Previous Page IconTo Previous Page
Loading...
99
HCD-EC55/EC77/GX99
HCD-EC55/EC77/GX99
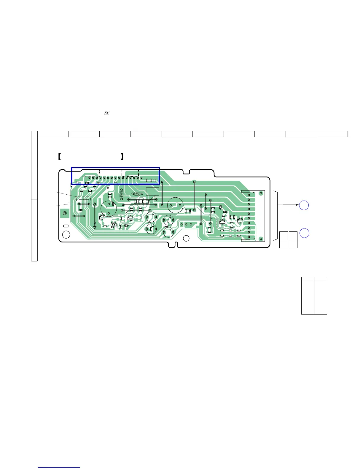
PRINTED WIRING BOARD — HI-AMP BOARD —
:Uses unleaded solder.
IC101
IC102
MAIN BOARD
CN602
1-872-062-
13
(13)
14
(14)
HI-AMP BOARD
C
MAIN BOARD
CN603
L
EC77/GX99
EC55
EC55:AEP,UK,KR
EC77:AEP,RU
EC55-EC77:
EXCEPT US,CND
EC55:EXCEPT
AEP,UK,KR
EC77:EXCEPT
AEP,RU/GX99
C153
C152
C155
C154
C151
C120
C119
C116
C115
C110
C118
C109
C106
C105
C104
C103
R168
R167
R166
R165
R162
R161
R160
R159
R156
R155
R129
R128
R127
R126
R125
R124
R123
R122
R121
R120
R119
R112
R111
R110
R109
R108
R107
R106
R105
R104
R103
R102
R101
Q152
Q151
Q101
Q102
D121
D151
D152
E
E
E
E
EC55
JW120
JW119
JW118
JW117
JW116
JW114
JW113
JW112
JW111
JW110
JW101
A001
R152
R151
C113
C111
C108
C107
C102
C101
CN101
SUPPLEMENT-1
Page 3
(
(
SUPPLEMENT-1
Page 3
(
(
EC77:US,CND/GX99
1
15
R130
12
A
B
C
D
345678910
Semiconductor
Location
Ref. No.
Location
D121 C-6
D151 D-3
D152 C-3
IC101 B-2
IC102 B-3
Q101 C-6
Q102 C-7
Q151 C-3
Q152 C-2
Ver. 1.2

Table of Contents

Related product manuals