EasyManua.ls Logo

Sony HCD-EX5 - Schematic Diagram - POWER Section

Sony HCD-EX5
62 pages
Print Icon
To Next Page IconTo Next Page
To Next Page IconTo Next Page
To Previous Page IconTo Previous Page
To Previous Page IconTo Previous Page
Loading...
4242
HCD-EX5
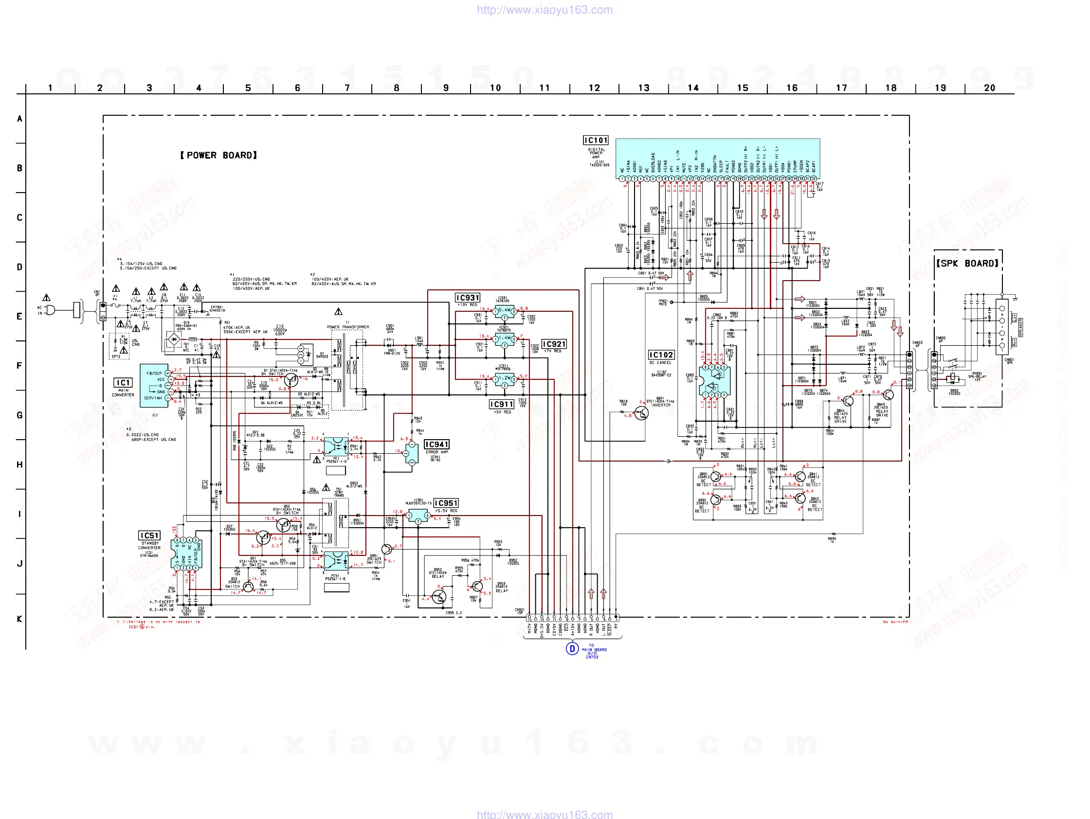
6-16. Schematic Diagram – POWER Section –
PC1
PC51
(Page 33)
AUS,SP,MX,HK,TW,KR
FB801
EPT801
C824 2200p
C825 2200p
C874 2200p
C875 2200p
C826
0.1
C876
0.1
R872
10
R822
10
w
w
w
.
x
i
a
o
y
u
1
6
3
.
c
o
m
Q
Q
3
7
6
3
1
5
1
5
0
9
9
2
8
9
4
2
9
8
T
E
L
1
3
9
4
2
2
9
6
5
1
3
9
9
2
8
9
4
2
9
8
0
5
1
5
1
3
6
7
3
Q
Q
TEL 13942296513 QQ 376315150 892498299
TEL 13942296513 QQ 376315150 892498299
http://www.xiaoyu163.com
http://www.xiaoyu163.com

Related product manuals