EasyManua.ls Logo

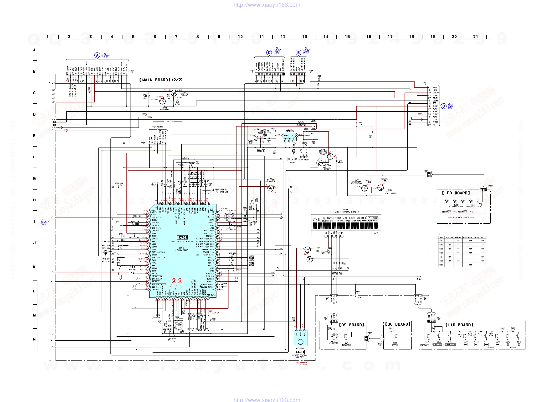
Sony HCD-EX5 - Schematic Diagram - MAIN Section (2;2)

Sony HCD-EX5
62 pages
Print Icon
To Next Page IconTo Next Page
To Next Page IconTo Next Page
To Previous Page IconTo Previous Page
To Previous Page IconTo Previous Page
Loading...
3333
HCD-EX5
6-7. Schematic Diagram – MAIN Section (2/2) –
• See page 43 for IC Pin Function Description. See page 46 for Wavefoms.
(Page 29)
(Page 38) (Page 38)
(Page 42)
C398
0.1
C399
0.1
55
5
Q691
DTA114EKA
SWITCH
Q692
DTC114EKA
DETECT
w
w
w
.
x
i
a
o
y
u
1
6
3
.
c
o
m
Q
Q
3
7
6
3
1
5
1
5
0
9
9
2
8
9
4
2
9
8
T
E
L
1
3
9
4
2
2
9
6
5
1
3
9
9
2
8
9
4
2
9
8
0
5
1
5
1
3
6
7
3
Q
Q
TEL 13942296513 QQ 376315150 892498299
TEL 13942296513 QQ 376315150 892498299
http://www.xiaoyu163.com
http://www.xiaoyu163.com

Related product manuals