EasyManua.ls Logo

Sony HCD-EX5 - Section 6: Diagrams; Block and Schematic Diagrams

Sony HCD-EX5
62 pages
Print Icon
To Next Page IconTo Next Page
To Next Page IconTo Next Page
To Previous Page IconTo Previous Page
To Previous Page IconTo Previous Page
Loading...
2525
HCD-EX5
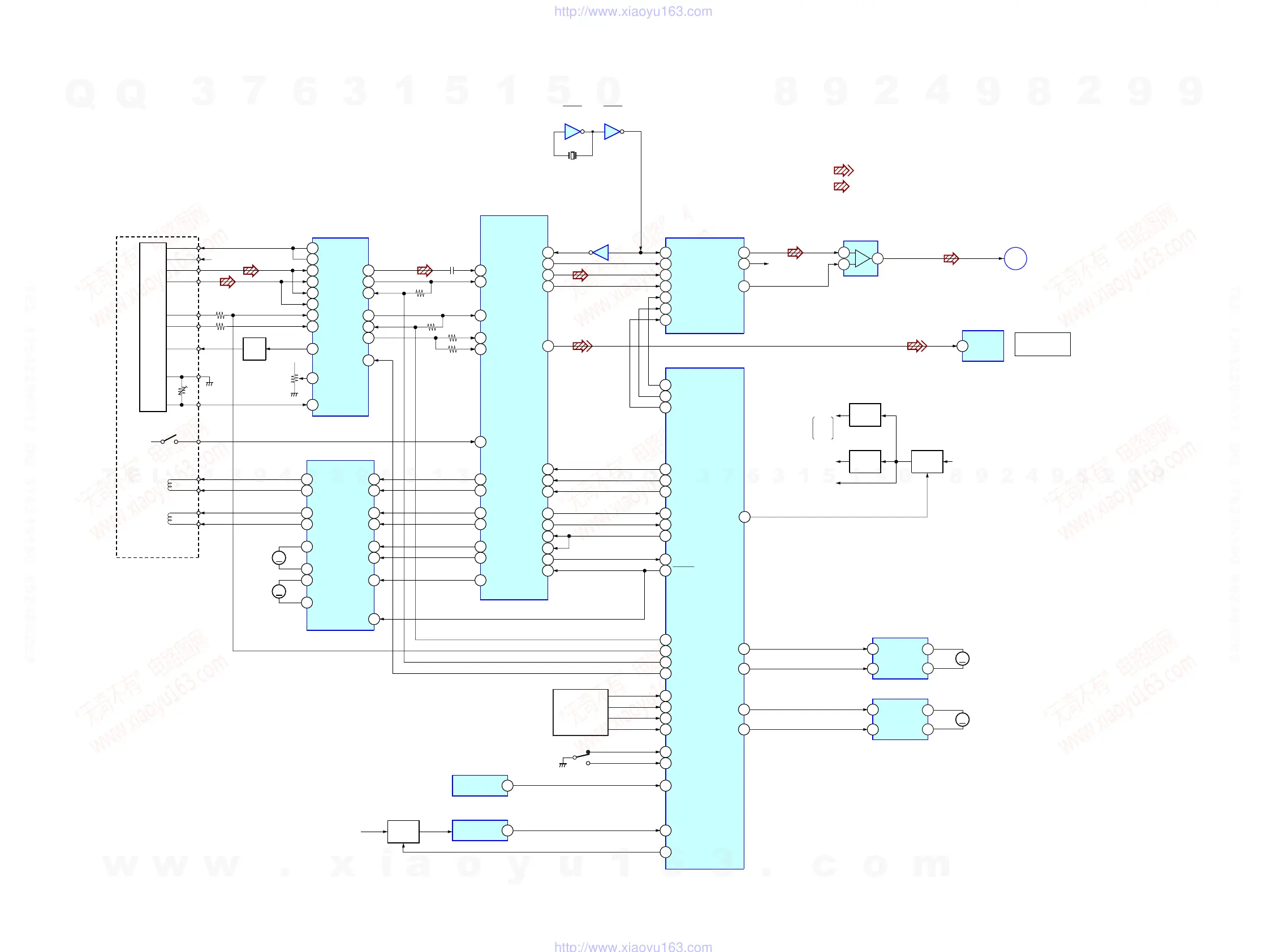
6-1. Block Diagrams
– CD Section –
• Signal Path
: CD DIGITAL OUT
: CD
• R-CH is omitted due to same as L-CH.
OPTICAL PICK-UP
BLOCK
PD1
5
PD2
I5-10
I1-6
LD+
VC
VCC
VCC
CD+5V
GND
PD
SW
LD
DRIVE
Q101
IC103
RF AMP
VC
27
VFC
25
A
6
B
7
C
8
D
9
E
10
F
11
LD
1
PD
2
IC102
MOTOR/COIL DRIVER
VO1+
47
VO1-
52
55
56
M
5
10
2
1
M
F-
FOCUS
COIL
TRACKING
COIL
F+
TR-
TR+
35
IN1+
34IN1-
32
31
27
26
MDP
25
SRDR
30
SFDR29
TRDR
32
TFDR31
FRDR
34
FFDR
33
IC101
DIGITAL SERVO,
DIGITAL SIGNAL PROCESSOR
D OUT
RFAC
50
28
RFDCO
15
RFAC
16FE
17FEI
18TE
12
SW
29
RFDCI
RFDC
43
FE
39
TE
41
SE
CD+5V
RV101
40
4DATA
6CLOK
5XLAT
76
SQSO
7
SENS
26 SSTP
19 TE_BAL
2XRST
XRST
IC701 (1/2)
MASTER CONTROLLER
CXD-DATA
8
SCLK
77
SQCK
15
SCOR
CXD-CLK
CXD-XLT
SUBQ
SENSE
SQCLK
SCOR
BDPWR
22
7
8
11
15
14
17
95
23
LDON
13
BDRST
PWM1
12
PWM2
19
PWM3
20
ENC1
82
ENC2
83
ENC3
84
ENC4
89
L.MTR SW2
73
C.MTR SW1
72
OPT SNS2 (L)813
OPT SNS1 (D)
80
DSNSOUT
71
VO2+
VO2-
VO3+
VO3-
VO4-
VO4+
IN2+
IN2-
IN3+
IN3-
IN4R
8
24
STBY
9
4
10
8
6
11
7
2
M102
SLED
MOTOR
M101
SPINDLE
MOTOR
64
LIMIT IN
SWITCH
CD+5V
+3.3V
REG
Q103,D101
RIPPLE
FILTER
Q391
B+
SWITCH
Q781, 782
+3.3V
+3.3V
IC301
IC371
IC381
CD+5V
XTAI
71
3
IC371
D OUT
IC711
LO MOTOR DRIVER
IC721
L SENSOR
3
IC731
D SENSOR
M701
(LO)
M
4
2
IC701
CK MOTOR DRIVER
OUT1
OUT2
S741
M
7
9
4
2
RIN
FIN
7
9
RIN
FIN
OUT1
OUT2
M702
(CK)
(LO-MTR F)
LOD1POS
(LO-MTR R)
LOD1NEG
69
70
67
68
(CK-MTR F)
LOD2POS
(CK-MTR R)
LOD2NEG
ROTARY
ENCODER
S731
L MOTOR
C MOTOR
LRCK
DATA
BCK R-CH
3
2
1
LAT
CLK
DATA
15
14
13
MCLK
VCOM
ROUT
LOUT CD-L
16
10
8
7
LRCK
65
PCMD
66
BCLK
67
+
IC302
LPF
DACLAT
4
DACCLK
55
DACDAT
54
IC301
DAC
A
MAIN
SECTION
6
23 5
42
X381
16.934MHz
OSCILLATOR
IC381
IC106
OPTICAL
OUT
CD DIGITAL OUT
OPTICAL
CD+5V
B+
SWITCH
Q701
7
6
5
SECTION 6
DIAGRAMS
w
w
w
.
x
i
a
o
y
u
1
6
3
.
c
o
m
Q
Q
3
7
6
3
1
5
1
5
0
9
9
2
8
9
4
2
9
8
T
E
L
1
3
9
4
2
2
9
6
5
1
3
9
9
2
8
9
4
2
9
8
0
5
1
5
1
3
6
7
3
Q
Q
TEL 13942296513 QQ 376315150 892498299
TEL 13942296513 QQ 376315150 892498299
http://www.xiaoyu163.com
http://www.xiaoyu163.com

Related product manuals