EasyManua.ls Logo

Sony HCD-GP6V - MAIN Section

Sony HCD-GP6V
58 pages
Print Icon
To Next Page IconTo Next Page
To Next Page IconTo Next Page
To Previous Page IconTo Previous Page
To Previous Page IconTo Previous Page
Loading...
2222
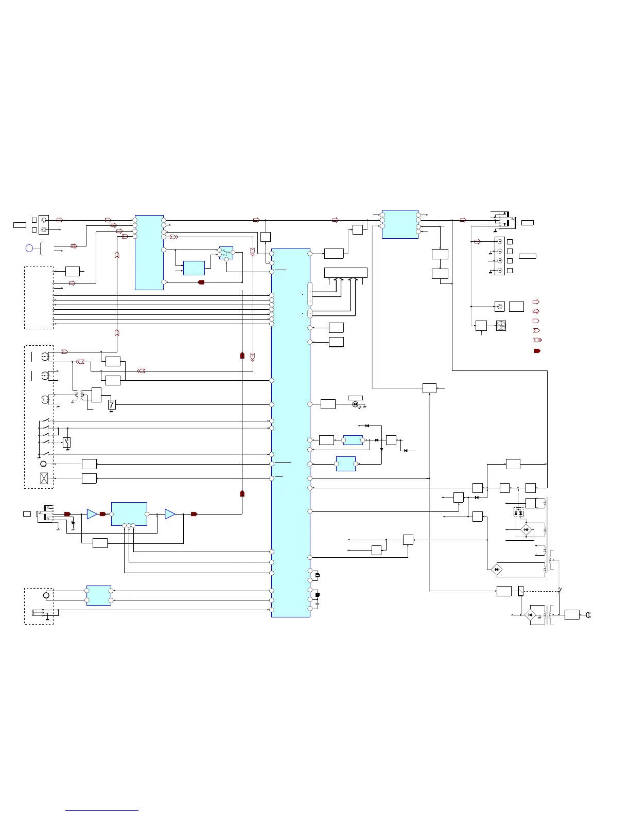
HCD-GP6V
— MAIN SECTION —
: TUNER
: CD
• Signal Path
• R-CH is omitted due to same as L-CH.
: AUX
: PB (TAPE)
: REC (TAPE)
: MIC
R-CH
BIAS
OSC
Q301
Q302
+VM
ERASE
HEAD
REC/PB
HEAD
TAPE
MECHANISM
DECK
Q607
REC/PB
SWITCH
R-COUNT
99
R-CLK
100
R-CE
84
SYSTEM CONTROLLER
IC601(2/2)
R-DATA
98
L
R
AUX IN
J201
MUTE CONT
Q506
J202
PHONES
R-CH
R-CH
+L
-L
+R
-R
FUCTION
KEY
REMOTE
CONTROL
RECEIVER
IC603
S601-607, 612
LED601
STANDBY
TUNER UNIT
L-CH
R-CH
R-CH
DO
DI
CLK
CE
TUNED
R-CH
R-TUNED
93
Q310,311
REC/PB
SWITCH
Q305,306,307
L301
REC BIAS
Q303, 304
SW1
PLAY
SOL
DRIVER
Q605
MOTOR
DRIVER
Q606
T-REC
77
O-BIAS
81
T-SW
24
I-XT1
12
O-XT2
13
X601
32.768kHz
X IN
15
X OUT
16
O-SHIFT
7
X602
8.64MHz
MUTE
Q504
MUTE
Q261
9P AMP-MUTE
29
RMC IN
FUCTION
KEY
S608-611,S613-616
19
I-KEY2
75
LED-CONT
31
RESET
SWITCH
Q601
LED
DRIVER
Q608
11
I-RESET
RESET
IC602
21
D603
26
I-POWER DOWN
D801-804
RELAY
DRIVE
AC
IN
PT802
SUB
Q401 RY801
18
I-KEY1
82CD-ON
RIPPLE
FILTER
Q314
+10V
+10V
SOUND PROCESSOR
IC301
AUX-L
19 18
L-OUT
TUNER-L
23
TAPE-L
2
CD-L
21
16
R-OUT
R-CH
13
CONT
28
RECO-L
6
PBO-L
7
VOLIN-L
R-MUTE
80
R-ST
92
STEREO
MUTE
R-CH
R-CH
SW2
R REC
SW3
F REC
SW4
PACK
SW5
END
M
M1
DECK
MOTOR
SOLENOID
R-OUT
R-CH
L-OUT
F DATA
10
T-PLAY SW
79
T-MTR.CONT
6
T-END
5
T-SOL
4
O-VF-ON
O-DSG
97
76
O-BU-DATA
86
O-BUSTB
87
O-BUCLK
85
MOTOR DRIVER
IC604
OUT1
4 7
FIN
OUT2
2 9
RIN
OPEN SW
M
(LOADING)
CLOSE SW
CD OPEN/CLOSE
28
CD-DOOR-SW
74
O-OPEN
73
O-CLOSE
Q501
+VP
-VP
OVERLOAD
DET
SWITCH
Q502, Q511
OVERLOAD
R-CH
J203
SPEAKERS
45
47
50
.
52
66
.
SEG1
SEG20
34
44
GRID1
GRID11
FLUORESCENT
INDICATOR TUBE
FL601
FIL1
R-CH R-CH
FIL2
D602
+5V
REG
Q602-604
Q503
SWITCH
Q407
SWITCH
µCON +B
V ECO
D608
8
P-CON
VOLTAGE
SELECTOR
S801
V ECO
PT801
POWER
TRANS
FIL2
FIL1
AC1
AC1
D402, 403,
D408, 409
+VM
REG
Q402,403,404
+VM
+VM
+VM
+10V
REG
Q315, 316
+10V
D502
D605
AC
DET
Q508
DC
DET
Q509,510
HOLD
Q507
25
83
I-POWER-MONI
TUNER
L-CH
D
VCD
SECTION
5.8V
REG
Q409, 410
5V
REG
Q405,406
CD+5V
CD+7V
SUB
WOOFER
J204
FAN
DRIVER
Q411-414
VM
S1
M901
R-CH
14
13
10
12
IC502SELECTOR
IC501
VOCAL
FADER
MIC
J501
Q511,512
MIC MUTE
MIC IN
67 31
DISK
IC504ECHO PROCESSOR
IC503
MIC AMP (2/2)
IC503MIC AMP (1/2)
SDI
SLT
SCK
31
3 4 5
23
VL AC
VH AC
VH AC
VL AC
POWER AMP
IC201
CH1 IN
8 3
CH1 OUT
STB
10
CH2 IN
12
4
CH2 OUT
2
+VCC
1
-VCC
D416
D406
-VFL
REG
Q408
-VFL
+VP
-VP

Related product manuals