EasyManua.ls Logo

Sony HCD-GP6V - Schematic Diagram - POWER Section

Sony HCD-GP6V
58 pages
Print Icon
To Next Page IconTo Next Page
To Next Page IconTo Next Page
To Previous Page IconTo Previous Page
To Previous Page IconTo Previous Page
Loading...
3535
HCD-GP6V
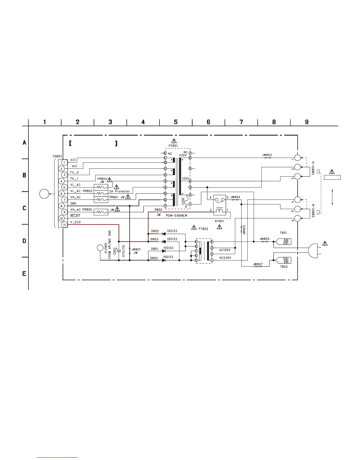
7-14. SCHEMATIC DIAGRAM — POWER SECTION —
*
Not replaceable :
Built in transformer
*
T-77
T-77
T-77
T-77
V
TO
MAIN
BOARD
PN901
(Page 29)
I
AC IN
POWER
TRANSFORMER
SUB POWER
TRANSFORMER
POWER BOARD
AC VOLTAGE
110V
120V
220V
240V

Related product manuals