EasyManua.ls Logo

Sony HCD-GP6V - Page 37

Sony HCD-GP6V
58 pages
Print Icon
To Next Page IconTo Next Page
To Next Page IconTo Next Page
To Previous Page IconTo Previous Page
To Previous Page IconTo Previous Page
Loading...
37
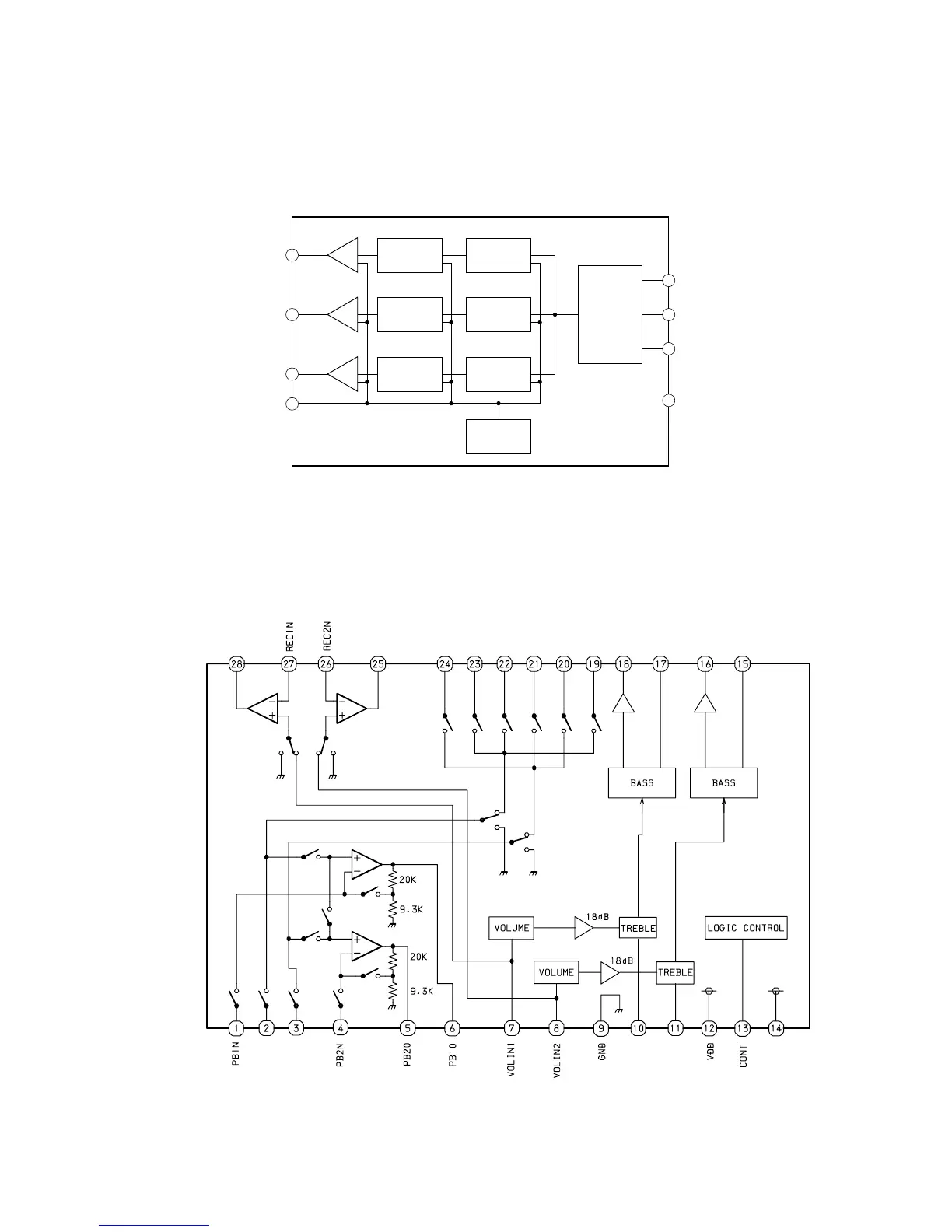
HCD-GP6V
IC805 BH2220FVM-TR
VCD Board –
REC-O_L
REC-O_R
TUNER-R
TUNER-L
CD-L
AUX-L
OUT-L
OUT-R
TON_L-L
TON_L-R
AUX-R
CD-R
VSS
TON_H-R
TON_H-L
TAPE-L
TAPE-R
IC301 BD3881FV
– MAIN Board –
R-2R
DAC
8bit REG
+
DEC
R-2R
DAC
8bit REG
+
DEC
SERIAL
INTERFACE
R-2R
DAC
8bit REG
+
DEC
POWER ON
RESET
1AO1
2AO2 7 CLK
3AO3
4VCC
8LD
6DI
5 GND

Related product manuals