EasyManua.ls Logo

Sony HCD-MG110 - Block Diagram - SURROUND Section

Sony HCD-MG110
74 pages
Print Icon
To Next Page IconTo Next Page
To Next Page IconTo Next Page
To Previous Page IconTo Previous Page
To Previous Page IconTo Previous Page
Loading...
HCD-MG110/MG310AV
2323
74
76
22 23 24 8 7 6
9
3
1
17
1615
26 27
INPUT
AUTO-BALANCE
DELAY
VOLUME
MODIFIED
BNR
TRIMMER,
VOLUME
TRIMMER,
VOLUME
PSEUDO
STEREO
NOISE
SEQUENCER
TRIMMER,
VOLUME
L+R
2
LR
CPU
INTERFACE
DATA
REQ
SCK
COMMAND
SLIN
CIN
LTIN
R-CH
R-CH
SELECTOR
CENTER
MODE
CONTROL
10KBIT S-RAM
LOGIC
CIRCUIT
ADAPTIVE
MATRIX
R-CH
PS
RIN
PS
LIN
DS2L
OUT
DIN
L
C
R
SW
OUT
SWVOL
IN
S
4240
45
1011
DVOL
OUT
R-CH
LOUT
CVOL OUT
SLVOL OUT
SLVOL
IN
CVOL
IN
BNR
IN
+
SWVOL OUT
C
OUT
SL
OUT
DOLBY PRO LOGIC
SURROUND PROCESSOR
IC301
3
5
7
1
9
B1
C1
D1
A1
E1
INPUT SELECT
LINE
OUT
LOGIC
32
1514
DATA
CLK
51 V-DATA
52 V-CLK
DATA
CLK
R-CH
R-CH
J304
VIDEO OUT
J701
J302
VIDEO IN
L
R
AUDIO
L
R
VIDEO
J301
FRONT
L
R
REAR
L
R
CENTER
SUPER
WOOFER
5.1CH
INPUT
R-CH
R-CH
C
FRONT
REAR
CENTER
WOOFER
(Page 22)
5.1CH
REAR
CENTER
FRONT
77
20
OUT1
29
VOL1
SOUND
CONTROL
ELECTRICAL VOLUME
IC302 (2/2)
AMP
IC304 (2/2)
MUTING
Q232
SUPER WOOFER
OUT
MUTING
CONTROL
Q333, 334
LOW-PASS
FILTER
IC304 (1/2)
+
R-CH
J303
G
(Page 24)
FRONT
L-CH
REAR
L-CH
CENTER
H
(Page 24)
(Page 24)
J
F
(Page 25)
E
(Page 22)
A
(Page 21)
B
(Page 22)
D
(Page 22)
CD
L-CH
TUNER
L-CH
TAPE
L-CH
INPUT SELECT
IC302 (1/2)
PL-DATA
PL-RQ
PL-CLK
27 28 25
S/W-MUTE
38
+
R-CH
WOOFER
SWIN
79
80
VRSWIN
LIN
72
DATA
CLK
SYSTEM CONTROLLER
IC801 (3/5)
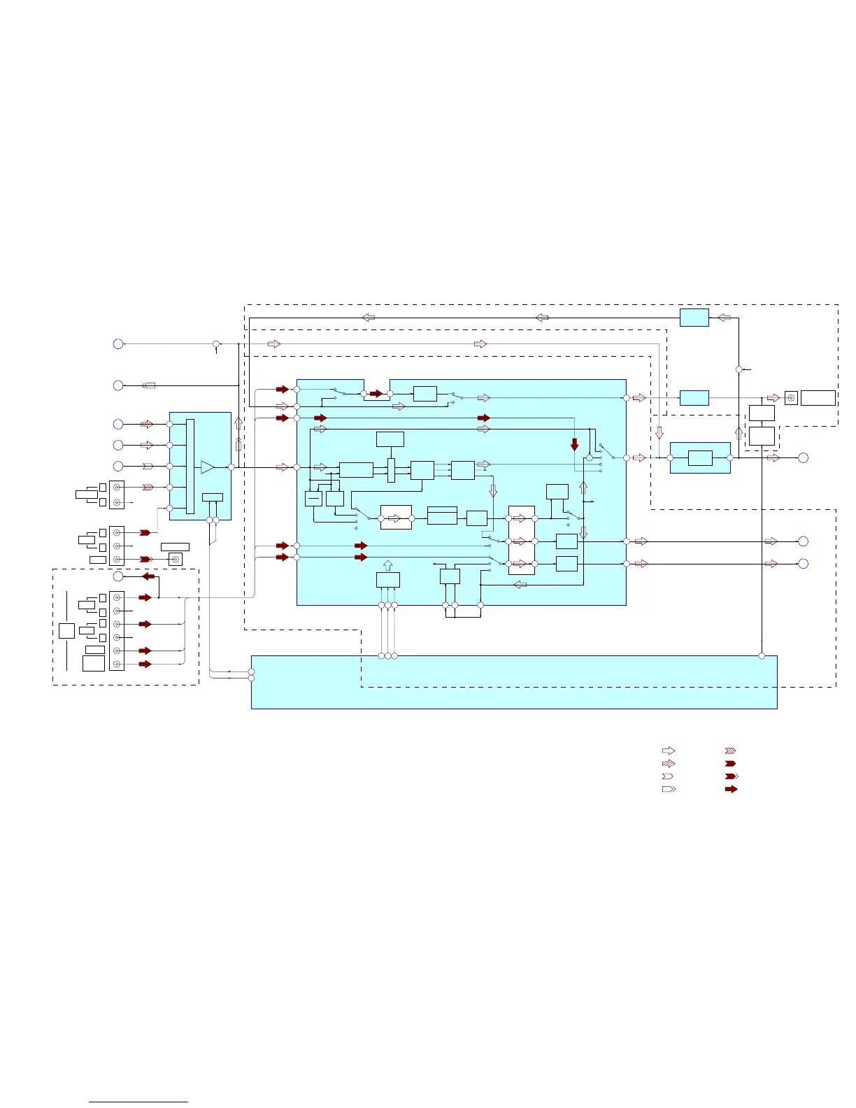
SIGNAL PATH
: TUNER
: CD PLAY
R-ch is omitted due to same as L-ch.
: TAPE PLAY
: REC
: VIDEO IN (AUDIO)
: GAME IN (AUDIO)
: GAME IN (VIDEO)
: 5.1CH INPUT
(HCD-MG310AV)
(HCD-MG110)
(HCD-MG310AV)
REC
L-CH
SPE ANA
(HCD-MG310AV)
7-3. BLOCK DIAGRAM – SURROUND Section –

Table of Contents

Related product manuals