EasyManua.ls Logo

Sony HCD-MG110 - Schematic Diagram - AMP Section

Sony HCD-MG110
74 pages
Print Icon
To Next Page IconTo Next Page
To Next Page IconTo Next Page
To Previous Page IconTo Previous Page
To Previous Page IconTo Previous Page
Loading...
HCD-MG110/MG310AV
4141
2W
2W
2200 2200
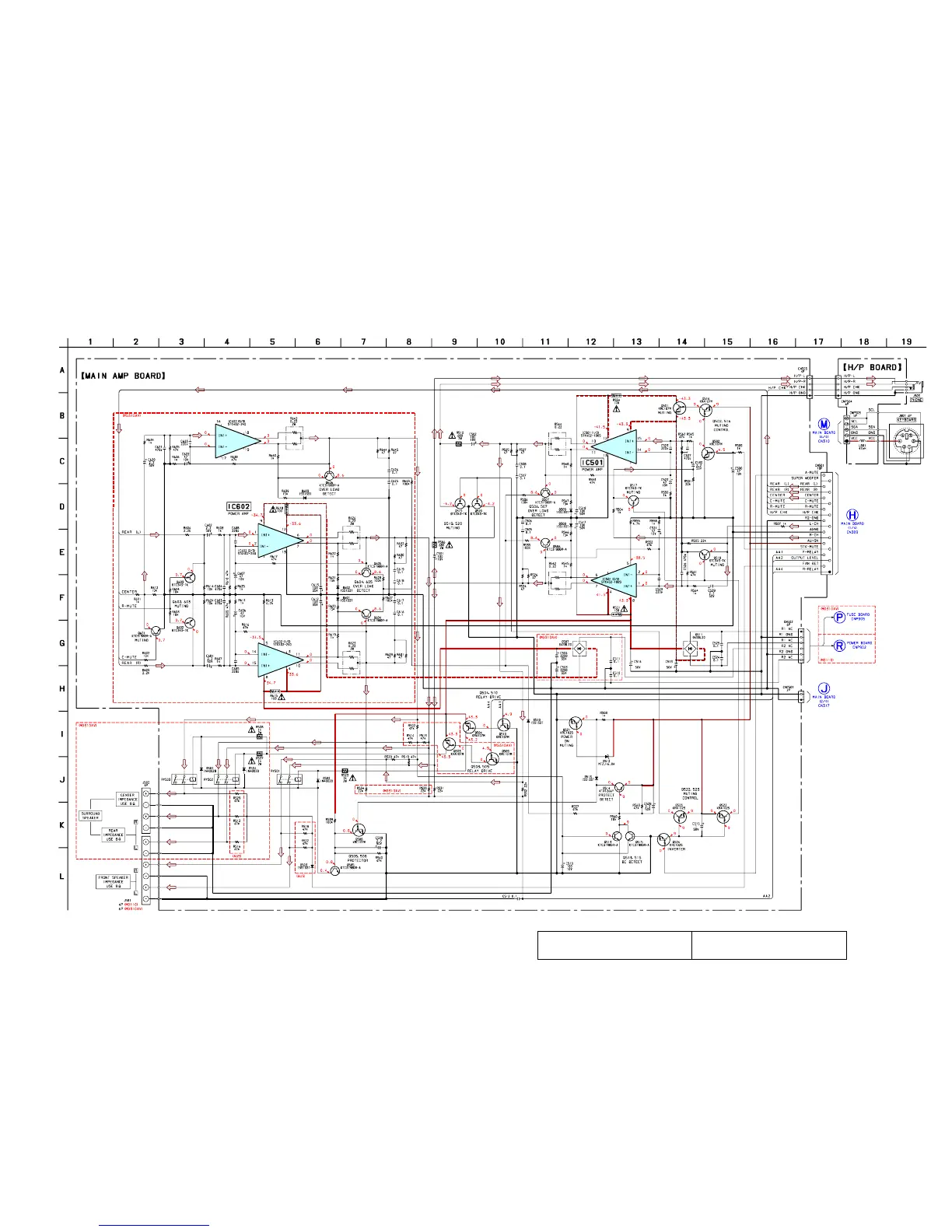
7-19. SCHEMATIC DIAGRAM – AMP Section –
Voltages and waveforms are dc with respect to ground
under no-signal (detuned) conditions.
no mark : FM
(Page 37)
(Page 34)
(Page 47)
(Page 47)
(Page 35)
Ver 1.1
The components identified by mark 0 or dotted
line with mark 0 are critical for safety.
Replace only with part number specified.
Les composants identifiés par une marque 0 sont
critiques pour la sécurité. Ne les remplacer que
par une pièce portant le numéro spécifié.

Table of Contents

Related product manuals