EasyManua.ls Logo

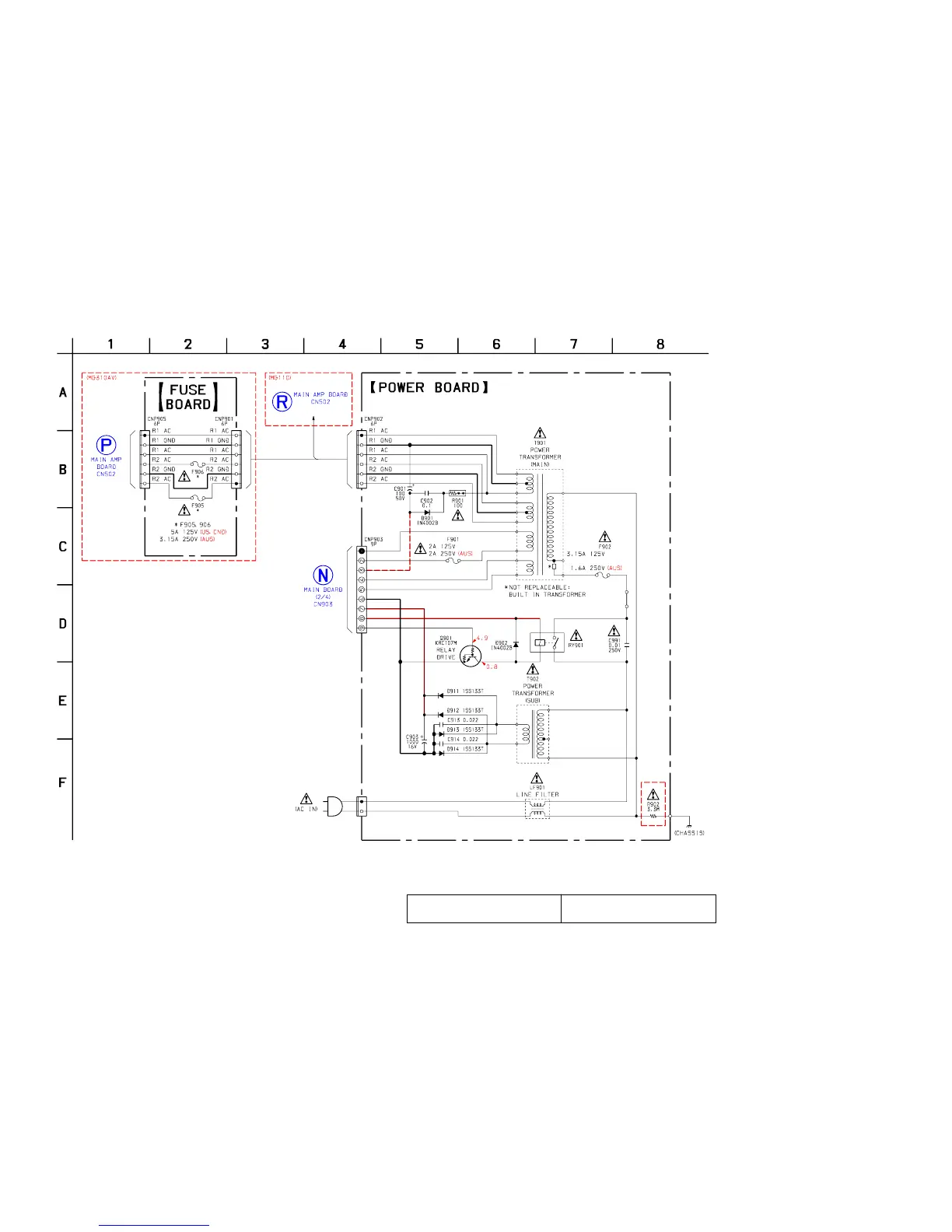
Sony HCD-MG110 - Schematic Diagram - POWER Section

Sony HCD-MG110
74 pages
Print Icon
To Next Page IconTo Next Page
To Next Page IconTo Next Page
To Previous Page IconTo Previous Page
To Previous Page IconTo Previous Page
Loading...
HCD-MG110/MG310AV
4747
(US, CND, MX)
(US, CND, MX)
(US, CND, MX)
7-25. SCHEMATIC DIAGRAM – POWER Section –
Voltages and waveforms are dc with respect to ground
under no-signal (detuned) conditions.
no mark : FM
(Page 41)
(Page 41)
(Page 35)
The components identified by mark 0 or dotted
line with mark 0 are critical for safety.
Replace only with part number specified.
Les composants identifiés par une marque 0 sont
critiques pour la sécurité. Ne les remplacer que
par une pièce portant le numéro spécifié.
Ver 1.3

Table of Contents

Related product manuals