EasyManua.ls Logo

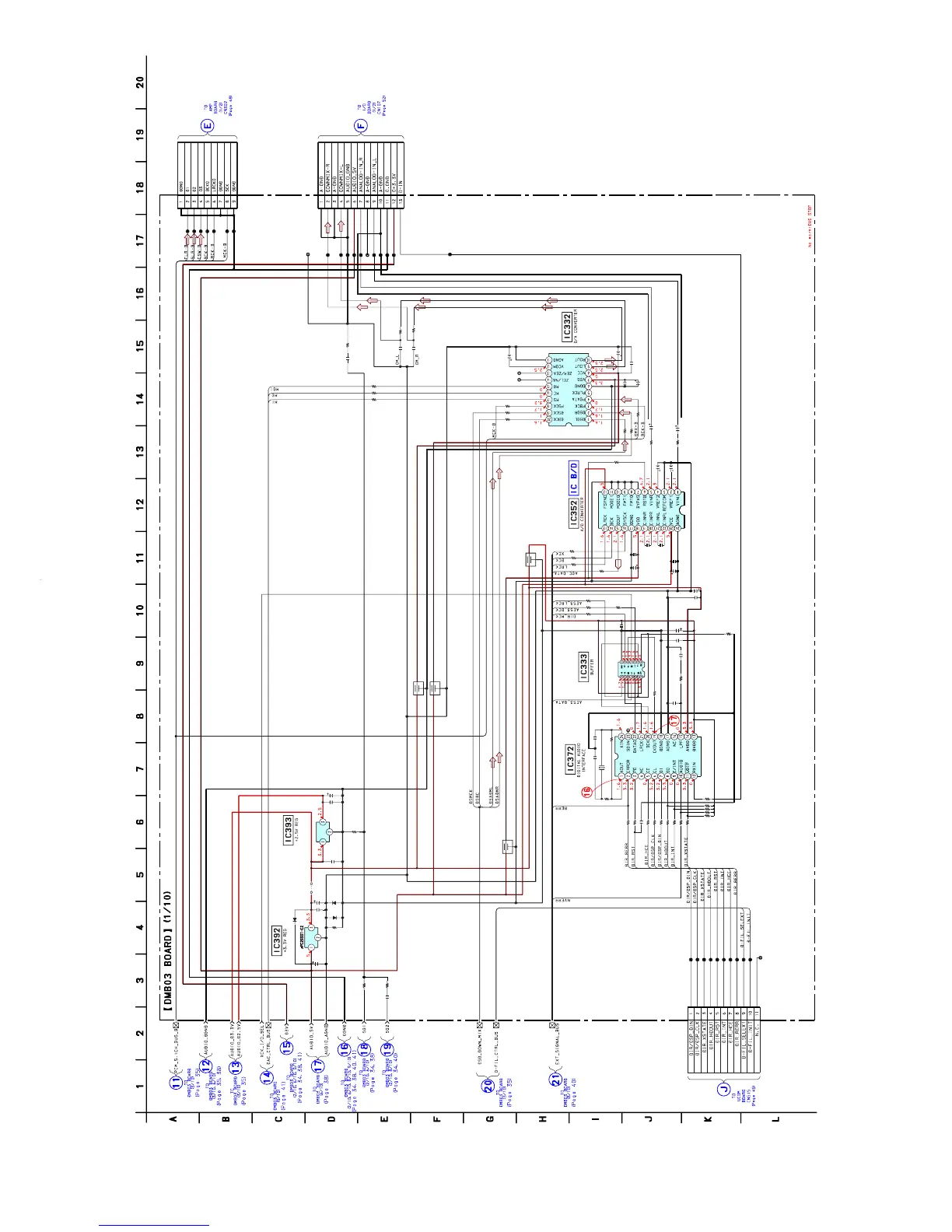
Sony HCD-SA30 - Schematic Diagram - DMB Section (1;10)

Sony HCD-SA30
108 pages
Print Icon
To Next Page IconTo Next Page
To Next Page IconTo Next Page
To Previous Page IconTo Previous Page
To Previous Page IconTo Previous Page
Loading...
3333
HCD-SA30
5-7. Schematic Diagram — DMB Section (1/10) —
JL302
JL
303
JL
304
R32
8
R32
9
R3
35
R
32
7
IC333
IC372
R315
C343
FL332
FL333
C356
C364
C366
FL352
IC352
R352
R353
C392
C394
JW392
C385
FL372
X372
R345
R346
R330
IC332
R1304
R1302
C1302
C1304
R1301
R1303
R344
R319
C355
C352
R387
C345
CN106
C
397
CN103
R372
R373
R374
R375
R376
R377
R378
R379
R380
R384
R383
R382
R
381
C372
R389
C386
C387
R388
C375
R385
C374
C382
C383
C384
R22
C330
R21
R20
R
18
C363
C367
C368
C365
R362
C
342
C344
C346
R
342
R
343
R308C308
C309 R309
R310
R
31
1
R312
D392
IC392
C393
R392
D393
C396
IC393
C395
D394
C357
CL302
CL303
CL304
CL305
CL306
CL307
CL308
CL314
CL316
CL317
CL318
CL319
CL320
CL321
CL322
CL323
CL324
CL325
CL327
CN107
CL337
CL338
CL339
CL340
CL341
CL342
CL343
CL344
CL345
CL346
CL391
0
11P
11P
10
16V
0UH
0UH
0
0
22
16V
220
4V
0
1
50V
100 6.3V
100
6.3V
100
4V
0UH
0UH
PCM1800E/2 K
LC89052T-T
LM-E
0
0
12.288MHz
0
0
0
0
DSD1751DBQR
TC74LVX125
FT(EL)
0
220k
220k
0.1
10V
0.1
10V
100P
47P
0
0
100 6.3V
100 6.3V
0
10
16V
9P
220
4V
100
100
100
100
100
100
100
100
100
10k
10k
10k
10
k
0.1
330
10p
10p
1M
0.0047
150
0.068
0.1
100
4V
0.1
47
0.1
33
22
22
0.1
470p
470p
0.1
10k
0.1
0.1
10
16V
22
22
220100p
100p 220
100
10
0
100
1SS355TE-17
0.01
10
1SS355TE-17
0.1
BA25BC0FP-E2
0.1
1SS355TE-17
1
50V
• See page 61 for Wavefoms. • See page 63 for IC Block Diagrams.

Table of Contents

Related product manuals