EasyManua.ls Logo

Sony HCD-SA30 - Schematic Diagram - DMB Section (8;10)

Sony HCD-SA30
108 pages
Print Icon
To Next Page IconTo Next Page
To Next Page IconTo Next Page
To Previous Page IconTo Previous Page
To Previous Page IconTo Previous Page
Loading...
4040
HCD-SA30
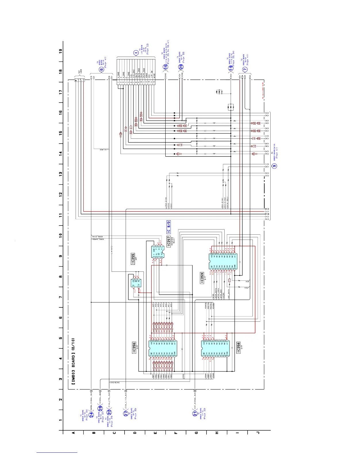
5-14. Schematic Diagram — DMB Section (8/10) —
CN202
CN105
C
L2
1
4
C
L
21
3
C
L2
12
C
L
2
11
C
L2
10
C
L2
09
C
L2
0
8
C
L2
0
7
C
L
20
6
C
L2
0
4
R201
R202R281R280R279
R278
L412 L416
L415
L414L413
D1204
D1203
D1201
D1202
R219
R220
R9992
R9993
R221
R217
R223
R224
R9994
R9995
IC259
R9982
R9983
R9984
R9985
C287
R296
R295
R
29
3
R
2
94
R292
R291
R9981
IC257
C285
IC255
R9998
R9999
C284
IC258
C286
R9980
R218
R222
C415
C414
C413C412
L402
L403 L404 L405 L406
C416
IC256
R1201
R1202
C283
4P
15P
0
75757575
75
00
0
00
1SS355TE-17
1SS355TE-17
1SS355TE-17
1SS355TE-17
0
0
0
0
0
0
0
0
0
0
SN74LV573A
PWR
0
0
0
0
0.01 50V F
0
0
0
0
0
0
0
TC7WH157FK
(TE85R)
0.01
50V
F
TC7S00FU
(TE85R)
0
0
0.01 50V F
SN74LV573A
PWR
0.01 50V F
0
0
0
0
0
00
0
0000
0
SN74LV573A
PWR
0.1 25V F
0.1
25V
F
0.01
• See page 63 for IC Block Diagrams.

Table of Contents

Related product manuals