EasyManua.ls Logo

Sony HCD-SA30 - Schematic Diagram - PHONES, LOADING Section

Sony HCD-SA30
108 pages
Print Icon
To Next Page IconTo Next Page
To Next Page IconTo Next Page
To Previous Page IconTo Previous Page
To Previous Page IconTo Previous Page
Loading...
5656
HCD-SA30
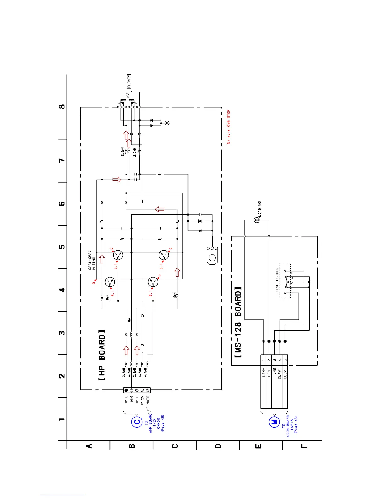
5-30. Schematic Diagram — PHONES, LOADING Section —
EPT802
J851
L885
L810
L809
L808
L807
L806
D885
D887
L812
L813
L883
L884
FB881
FB882
C881
C883
Q881
Q882
Q883
Q884
FB851
CNP881
R885
R886
FB852
C802C803
JR804
R881
R882
CNP801
R878
D884
D883
FB883 FB886
R880
R879
FB884
S001
JL001
JL002
JL003
JL004
JL005
M001
CN001
C876
RB501V-40T
E-17
RB501V-40T
E-17
0UH
0UH
0.01
25V
B
0.01
25V
B
DTC343TK-T
-146
DTC343TK-T
-146
DTC343TK-T
-146
DTC343TK-T
-146
0UH
5P
BOARD IN
L
150 1/4W
150 1/4W
0UH
0.0022
50V
B
0.0022
50V
B
0
4.7k
4.7k
0
1SS355TE-17
1SS355TE-17
0UH 0UH
0
0
0UH
5P
0.001
50V
B

Table of Contents

Related product manuals