EasyManua.ls Logo

Sony HCD-SR4W - Schematic Diagram - DMB08 Board (7;10)

Sony HCD-SR4W
130 pages
Print Icon
To Next Page IconTo Next Page
To Next Page IconTo Next Page
To Previous Page IconTo Previous Page
To Previous Page IconTo Previous Page
Loading...
4747
HCD-SR4W
HCD-SR4W
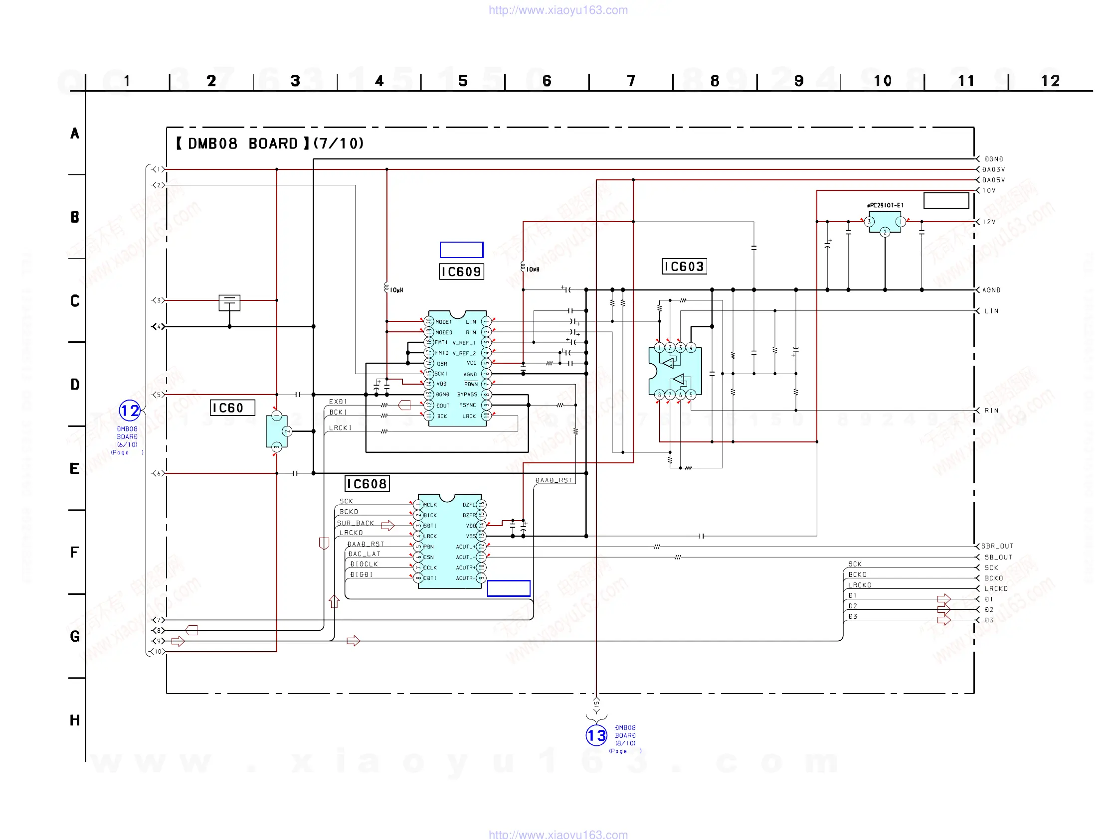
6-19. SCHEMATIC DIAGRAM — DMB08 BOARD (7/10) —
See page 75 for IC Block Diagrams.
IC B/D
IC B/D
3.3
2.5
3.3
3.3
1.6
3.3
1.5
2.5
1.6
1.6
0
1.7
4.7
4.7
4.7
3.8
2.1
2.1
2.1
2.1
2.1
4.8
2.5
5
2.5
2.5
4.4
3.1
3.1
10
4.4
3.1
3.1
10
12
NO MARK : DVD STOP
5
IC601
C552
C600
C601
C602C607
C618
C624
C628
C631
C638
C639
C657
IC601
IC605
L600
R609
R612
R613
R618
R619
R626
R627
R630
R657
IC609
A/D CONVERTER
L601
R621
R622
R624
C
633
R683
R739
R599
R601
C630
FL605
C622
C610
R590
C620
C619
C615
R610
C655
IC608
C625
C614
IC
603
0.1
0.1
0.1
1000.1
10 16V
0.1
10
16V
0.1
0.1
0.1
0.1
NJM2391DL1
-26(TE1)
470
47k
4.7k
4.7k
47k
1k
2.2k
470
1k
PCM1802DBR
100
100
100
0.1
2.2k
4.7k
0
0
10
10V
0UH
10 16V
47
6.3V
1k
0.1
0.1
0.1
2.2k
100
6.3V
AK4381VT-E2
1 50V
1 50V
N
JM
2904V(TE2)
46
48
LOW-PASS FILTER
REG
REG
D/A CONVERTER
w
w
w
.
x
i
a
o
y
u
1
6
3
.
c
o
m
Q
Q
3
7
6
3
1
5
1
5
0
9
9
2
8
9
4
2
9
8
T
E
L
1
3
9
4
2
2
9
6
5
1
3
9
9
2
8
9
4
2
9
8
0
5
1
5
1
3
6
7
3
Q
Q
TEL 13942296513 QQ 376315150 892498299
TEL 13942296513 QQ 376315150 892498299
http://www.xiaoyu163.com
http://www.xiaoyu163.com

Table of Contents

Related product manuals