EasyManua.ls Logo

Sony HCD-SR4W - Printed Wiring Board - DRIVER Board; Schematic Diagram - DRIVER Board

Sony HCD-SR4W
130 pages
Print Icon
To Next Page IconTo Next Page
To Next Page IconTo Next Page
To Previous Page IconTo Previous Page
To Previous Page IconTo Previous Page
Loading...
3838
HCD-SR4W
HCD-SR4W
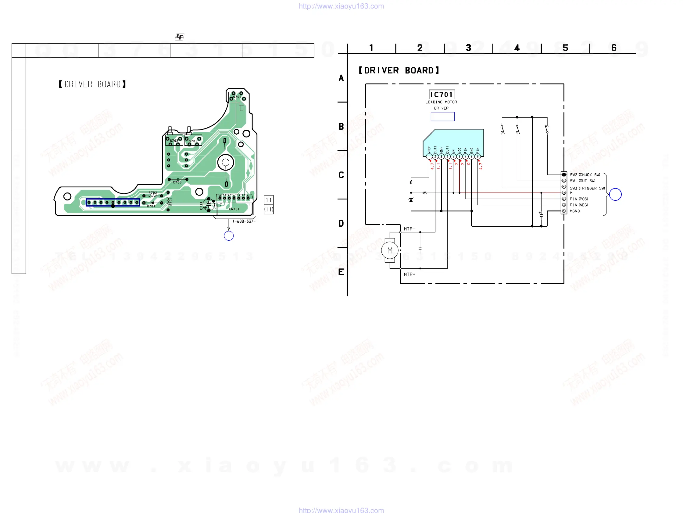
6-10. SCHEMATIC DIAGRAM — DRIVER BOARD —6-9. PRINTED WIRING BOARD — DRIVER BOARD —
See page 28 for Circuit Boards Location.
:Uses unleaded solder.
IC701
G
DMB08 BOARD
CN007
(Page 39)
M701
(LOADING)
(TRIGGER) (DISC IN/OUT)
(CHUKING)
1
9
M
12
A
B
C
34
IC B/D
No mark : DVD STOP
+7V
G
DMB08 BOARD (10/10)
CN007
(Page 50)
IC701
CN701
R702
R701
C711
C705
D701
S703 S701 S702
M701
BA6956AN
7P
CT-L
100
680
10
50V
0.01
M
TZJ-T-77-4.7C
(TRIGGER) (DISC IN/OUT) (CHUKING)
(LOADING)
See page 78 for IC Block Diagram.
w
w
w
.
x
i
a
o
y
u
1
6
3
.
c
o
m
Q
Q
3
7
6
3
1
5
1
5
0
9
9
2
8
9
4
2
9
8
T
E
L
1
3
9
4
2
2
9
6
5
1
3
9
9
2
8
9
4
2
9
8
0
5
1
5
1
3
6
7
3
Q
Q
TEL 13942296513 QQ 376315150 892498299
TEL 13942296513 QQ 376315150 892498299
http://www.xiaoyu163.com
http://www.xiaoyu163.com

Table of Contents

Related product manuals