EasyManua.ls Logo

Sony HCD-SR4W - Schematic Diagram - RF Board

Sony HCD-SR4W
130 pages
Print Icon
To Next Page IconTo Next Page
To Next Page IconTo Next Page
To Previous Page IconTo Previous Page
To Previous Page IconTo Previous Page
Loading...
3737
HCD-SR4W
HCD-SR4W
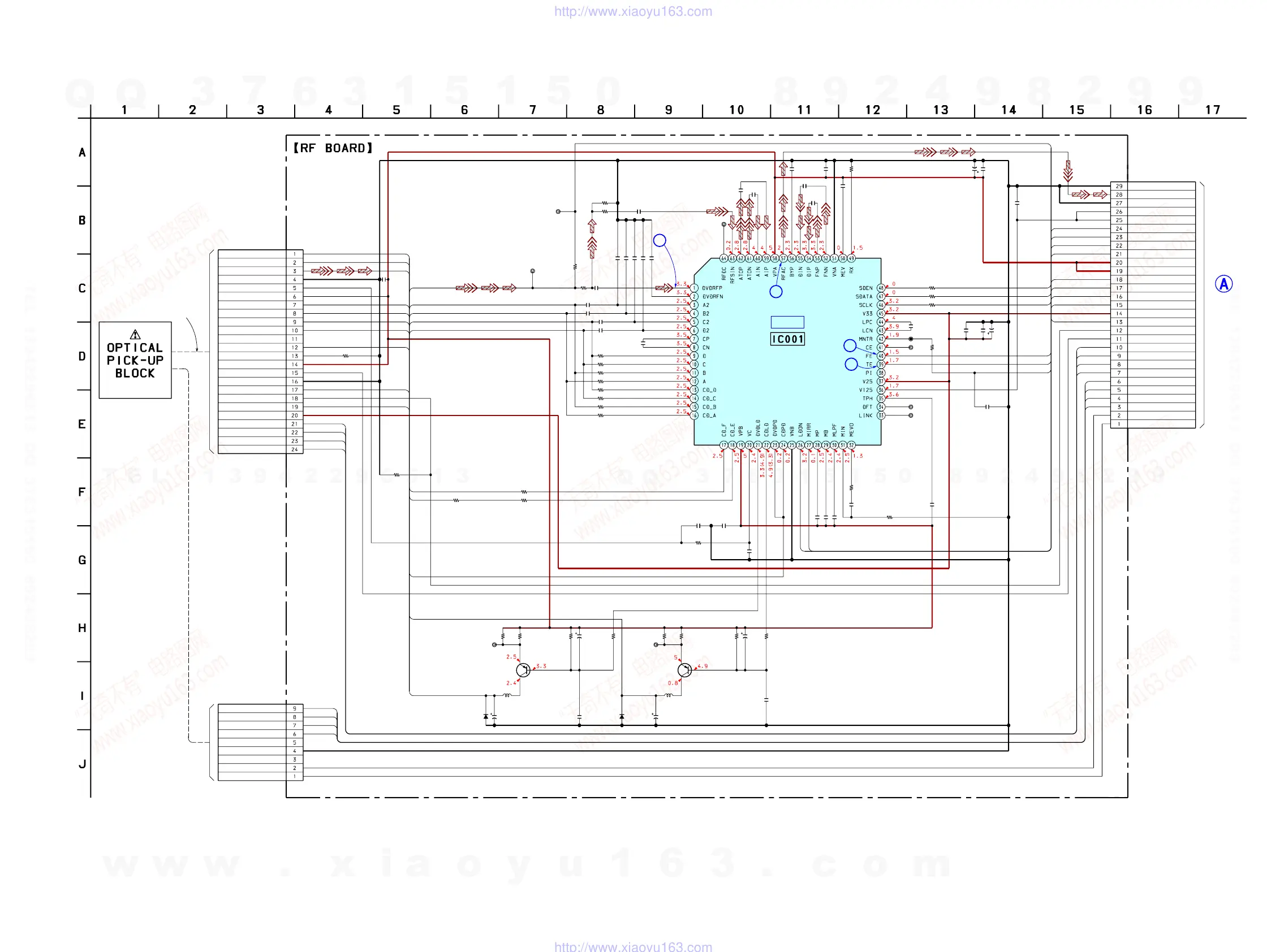
6-8. SCHEMATIC DIAGRAM — RF BOARD —
JL005
C011
R033
C036
R034
C039
C038
C037
C040
R021
JL007
C003
R010R008R007
IOP1
L002
C004D002
R006
C001
C010
R004R003
IOP2
L001
C002D001
R022
R025
R023
C016
C015
C014
R014
R013
R012
R011
R018
R017
R016
R015
C042
C020
C021
C022
C023
R024
R026C027C028
C029
C018
C017
C019
C024
C031
C033 C012
C005
R032
JL003
JL006
R029
R028
R027
JL002
JL001
C032
C034
C049
C009
C035
IC001
CN003
CN001
CN002
C025
C006
C013
R005 R009
R035
R019 R020
C041
R001
Q001 Q002
C008
R041
JL004
C030
C026
1000p
0
0.47
10M
0.033
0.033
330p
0.1
0
100
6.3V
4703333
10
16V
1SS355TE
-17
470
100
6.3V
1000p
3333
10
16V
1SS355TE
-17
220
100
820
2200p
2200p
2200p
0
0
0
0
0
0
0
0
180p
22p
22p
22p
22p
0
12k0.10.1
0.01
5600p
2200p
5600p
0.01
1000p
0.1 0.1
22
10V
100
0
0
0
0.047
0.1
0.1
0.1
0.1
CXD1881AR
9P
24P
29P
0.1
22
10V
0.1
47k 47k
0
00
0.1
100
2SB1132-T100-QR 2SB1132-T100-QR
0.1
1k
0.01
0.1
MIRR
RFP
CD_LD
DVD_LD
SDEN
DATA_RF
CLK_RF
SDEN
DATA_RF
CLK_RF
LDON
A
B
C
D
E
F
TE
FE
TE
FE
P
D
RFMON
RFMON
B
A
F
D
C
RFP
E
CD_LD
DVD_LD
PD FD-
FD+
TD-
TD+
FD+
FD-
TD+
TD-
SLB-
SLB+
SLA-
SLA+
PI/CE
PI/CE
L
D
O
N
M
IR
R
SLA+
SLB+
SLB-
SLA-
B
A
F
RF
GND
VC
VCC
C
D
E
PD
VR
SW
LD GND
DVD LD
CD LD
N.C
FCS+
FCS-
TRK+
TRK-
AGND
RFAC
AGND
AVC
AVC
MIRR
TE
FE
A5V
A5V
SDEN
DATA_RF
CLK_RF
LDON
A3V
RFMON
INLIM
LDSEL
VCC
SPDL+
SPDL-
SLEDA+
SLEDA-
SLEDB+
SLEDB-
TD+
TD-
FD+
FD-
SLEDA+
SLEDB+
SLEDA-
SLEDB-
LED
GND
INLIM
SPDL-
SPDL+
INLIM
INLIM_3V
{LIMIT-SW(A)}
{LIMIT-SW(B)}
{LIMIT-SW(B)}
PI
FOCUS/TRACKING ERROR AMP
CD/DVD/SACD RF AMP,
AUTOMATIC POWER
CONTROL
(FOR DVD)
AUTOMATIC POWER
CONTROL
(FOR CD)
FLEXIBLE
BOARD
47µH
47µH
DMB08 BOARD
(1/10)
CN401
(Page 41)
4
1
3
2
IC B/D
No mark : DVD STOP
(DBU-1)
See page 70 for Waveforms. See page 80 for IC Block Diagram.
w
w
w
.
x
i
a
o
y
u
1
6
3
.
c
o
m
Q
Q
3
7
6
3
1
5
1
5
0
9
9
2
8
9
4
2
9
8
T
E
L
1
3
9
4
2
2
9
6
5
1
3
9
9
2
8
9
4
2
9
8
0
5
1
5
1
3
6
7
3
Q
Q
TEL 13942296513 QQ 376315150 892498299
TEL 13942296513 QQ 376315150 892498299
http://www.xiaoyu163.com
http://www.xiaoyu163.com

Table of Contents

Related product manuals