EasyManua.ls Logo

Sony HCD-SR4W - Schematic Diagram - IO Section (2;2)

Sony HCD-SR4W
130 pages
Print Icon
To Next Page IconTo Next Page
To Next Page IconTo Next Page
To Previous Page IconTo Previous Page
To Previous Page IconTo Previous Page
Loading...
5959
HCD-SR4W
HCD-SR4W
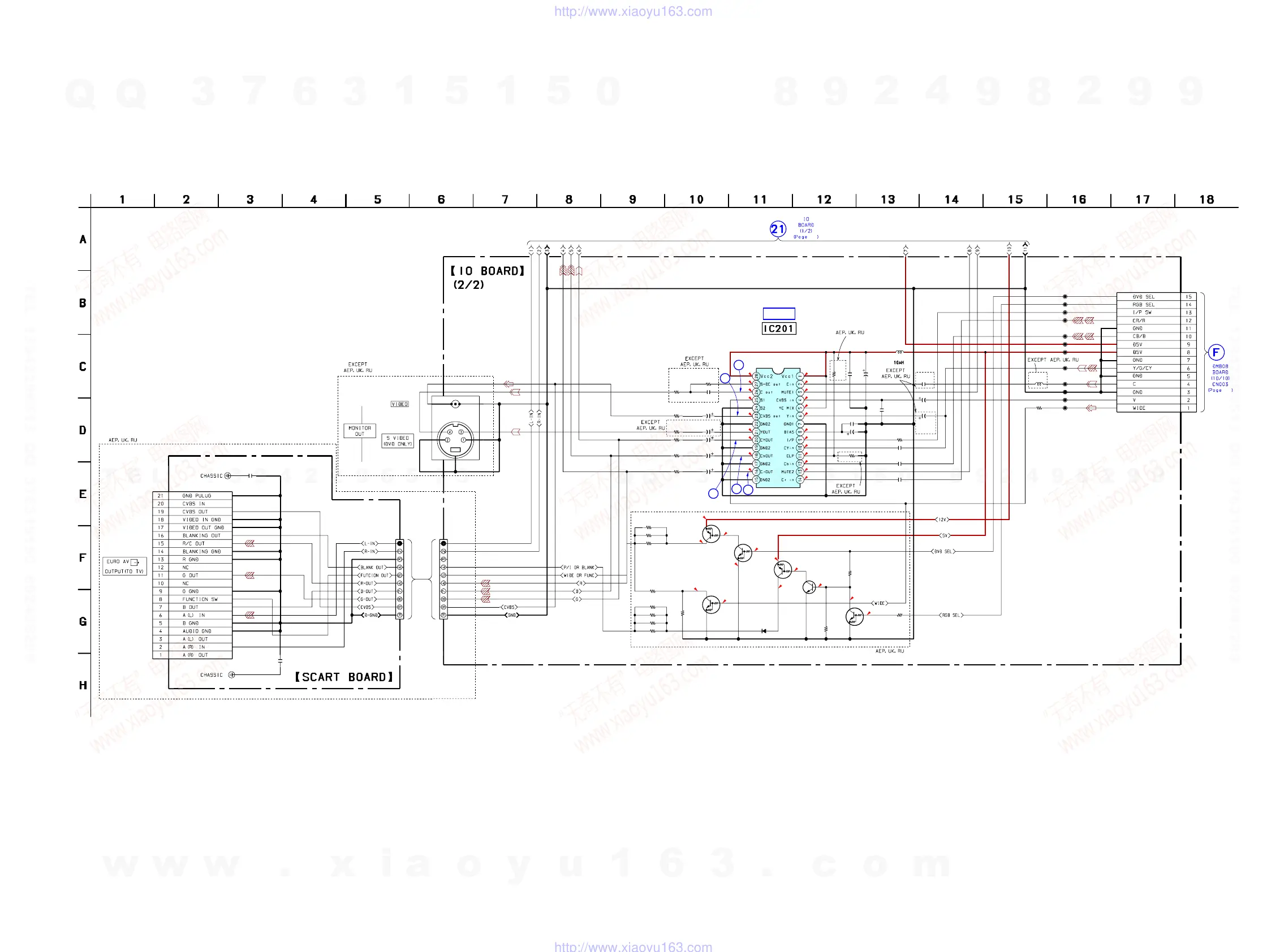
6-31. SCHEMATIC DIAGRAM — IO SECTION (2/2) — See page 70 for Waveforms. See page 79 for IC Block Diagram.
58
50
22
24
25
26
23
IC B/D
5
0
2.4
0
2.4
2.3
2.4
11.4
5
11.4
11.4
10.5
1.5
1.1
5
2.3
4.8
1.7
5
1.5
0
0
2.3
3.5
2.3
4.8
2.3
0
4.5
5
0
0
0
4.8
0
NO MARK : DVD STOP
C227
C235
C240
TP213
C241
C239
L209
R230
R229
R228
C225
TP202
TP203
TP204
TP205
TP206
TP207
TP208
TP209
TP210
TP211
TP212
R226
R225
C217
C216
L214
C234
R224
R227
C224
CN201
C278
C222C223
C221
R202
Q201
C218
R204
J202
C238
R213
R212
R211
R214
R216
R217
R218
R215
R219
Q205
Q204
Q206
Q203
Q202
D201
R210
R208
R234
C229
R203
R235
IC201
VIDEO AMP, 75 ohm DRIVER
C230
C231
J203
CNP205 CN205
22
25V
1000 6.3V
1000 6.3V
1000 6.3V
1000 6.3V
75
75
75
0.1
75
100
16V
15P
10 50V
1 10V1 10V
1 10V
100p
50V
1k
0.1
1k
MM1623BFBE
75
0.1
10
50V
0
0.1
10k
75
1k
DTC114EKA-T146
2P
1000 6.3V
2.2k
3.3k
2.2k
1k
330
330
330
22k
330
DTA114EKA-T146
DTA114EKA-T146
DTA114EKA-T146
DTA114EKA-T146
DTA114EKA-T146
1SS355TE-17
220k
47k
10k
10k
0.001
0.001
21P
10P 10P
Q201 - Q203
BLANKOUT SWITCH
w
w
w
.
x
i
a
o
y
u
1
6
3
.
c
o
m
Q
Q
3
7
6
3
1
5
1
5
0
9
9
2
8
9
4
2
9
8
T
E
L
1
3
9
4
2
2
9
6
5
1
3
9
9
2
8
9
4
2
9
8
0
5
1
5
1
3
6
7
3
Q
Q
TEL 13942296513 QQ 376315150 892498299
TEL 13942296513 QQ 376315150 892498299
http://www.xiaoyu163.com
http://www.xiaoyu163.com

Table of Contents

Related product manuals