EasyManua.ls Logo

Sony HCD-VR90AV - Schematic Diagram Deck Section

Sony HCD-VR90AV
96 pages
Print Icon
To Next Page IconTo Next Page
To Next Page IconTo Next Page
To Previous Page IconTo Previous Page
To Previous Page IconTo Previous Page
Loading...
HCD-VR90AV
4040
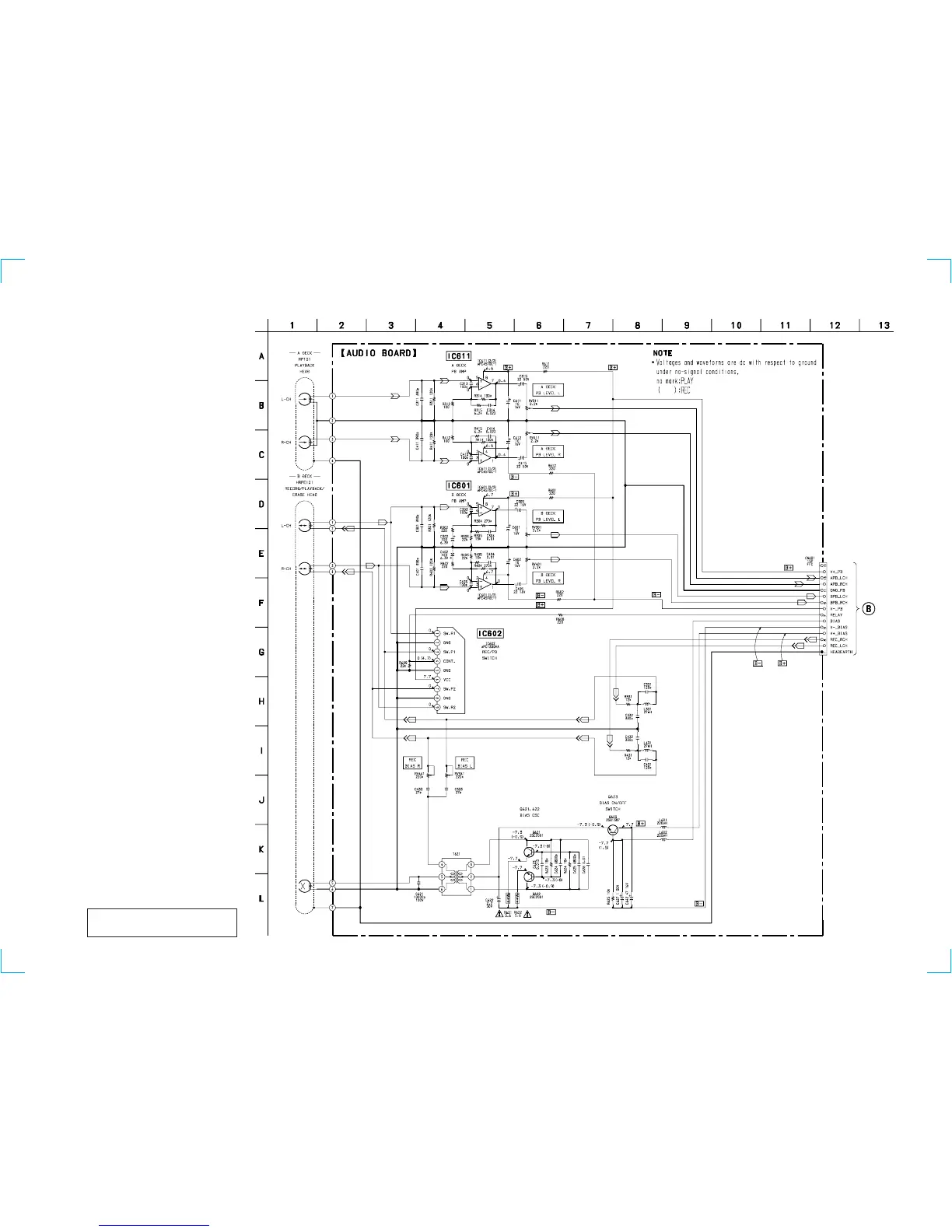
6-15. SCHEMATIC DIAGRAM DECK SECTION
(Page 38)
16
The components identified by mark ! or dotted
line with mark ! are critical for safety.
Replace only with part number specified.

Table of Contents

Related product manuals