EasyManua.ls Logo

Sony HCD-VR90AV - Schematic Diagram; Jack Section

Sony HCD-VR90AV
96 pages
Print Icon
To Next Page IconTo Next Page
To Next Page IconTo Next Page
To Previous Page IconTo Previous Page
To Previous Page IconTo Previous Page
Loading...
HCD-VR90AV
5656
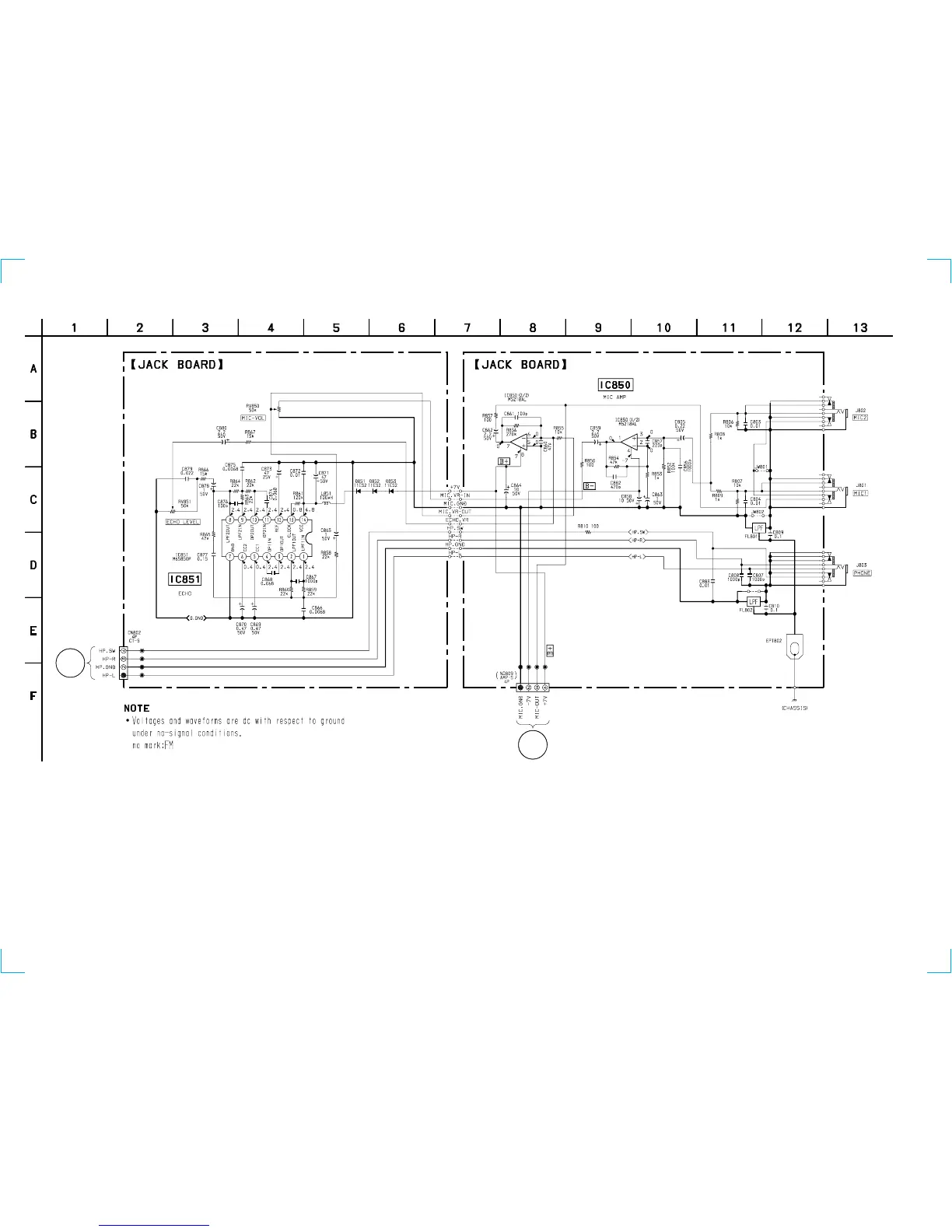
6-32. SCHEMATIC DIAGRAM JACK SECTION
• Refer to page 60 for IC Block Diagrams.
(Page 43)
(Page 39)
16
J
AMP
F

Table of Contents

Related product manuals