EasyManua.ls Logo

Sony HCD-VR90AV - Schematic Diagram Power (2;2) Section

Sony HCD-VR90AV
96 pages
Print Icon
To Next Page IconTo Next Page
To Next Page IconTo Next Page
To Previous Page IconTo Previous Page
To Previous Page IconTo Previous Page
Loading...
HCD-VR90AV
4444
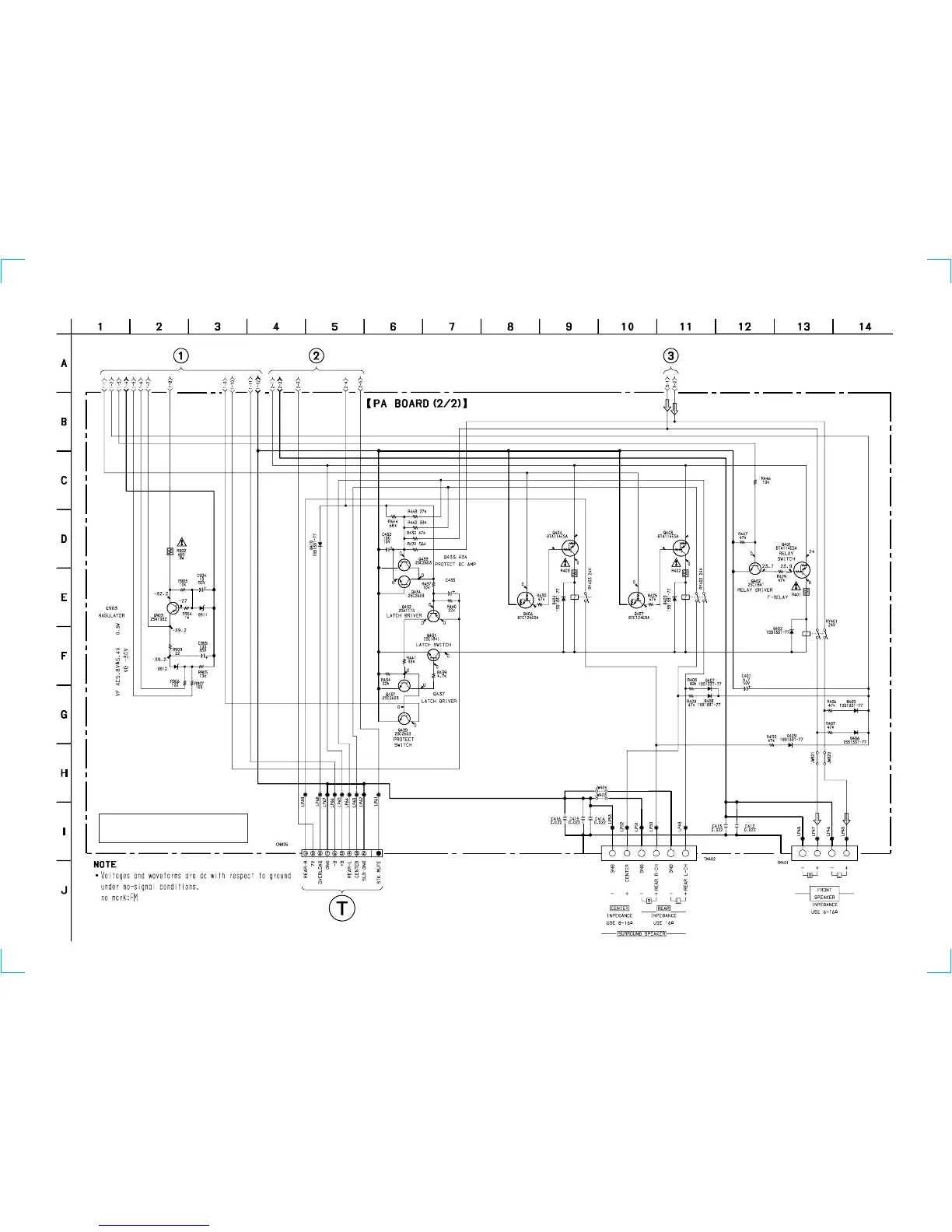
6-19. SCHEMATIC DIAGRAM POWER (2/2) SECTION
• Refer to page 42 for Printed Wiring Board.
(Page 43)
(Page 43)
(Page 45)
(Page 43)
30.8
330
2W
330
2W
330
2W
3.3
50V
30.8
Q404,406
RELAY DRIVE
Q403,407
RELAY DRIVE
31
31
31
31
16
HZS33-1LTD
MTZJ-T-77-5.6
The components identified by mark ! or dotted
line with mark ! are critical for safety.
Replace only with part number specified.

Table of Contents

Related product manuals