EasyManua.ls Logo

Sony HCD-VR90AV - Schematic Diagram Power (1;2) Section

Sony HCD-VR90AV
96 pages
Print Icon
To Next Page IconTo Next Page
To Next Page IconTo Next Page
To Previous Page IconTo Previous Page
To Previous Page IconTo Previous Page
Loading...
HCD-VR90AV
4343
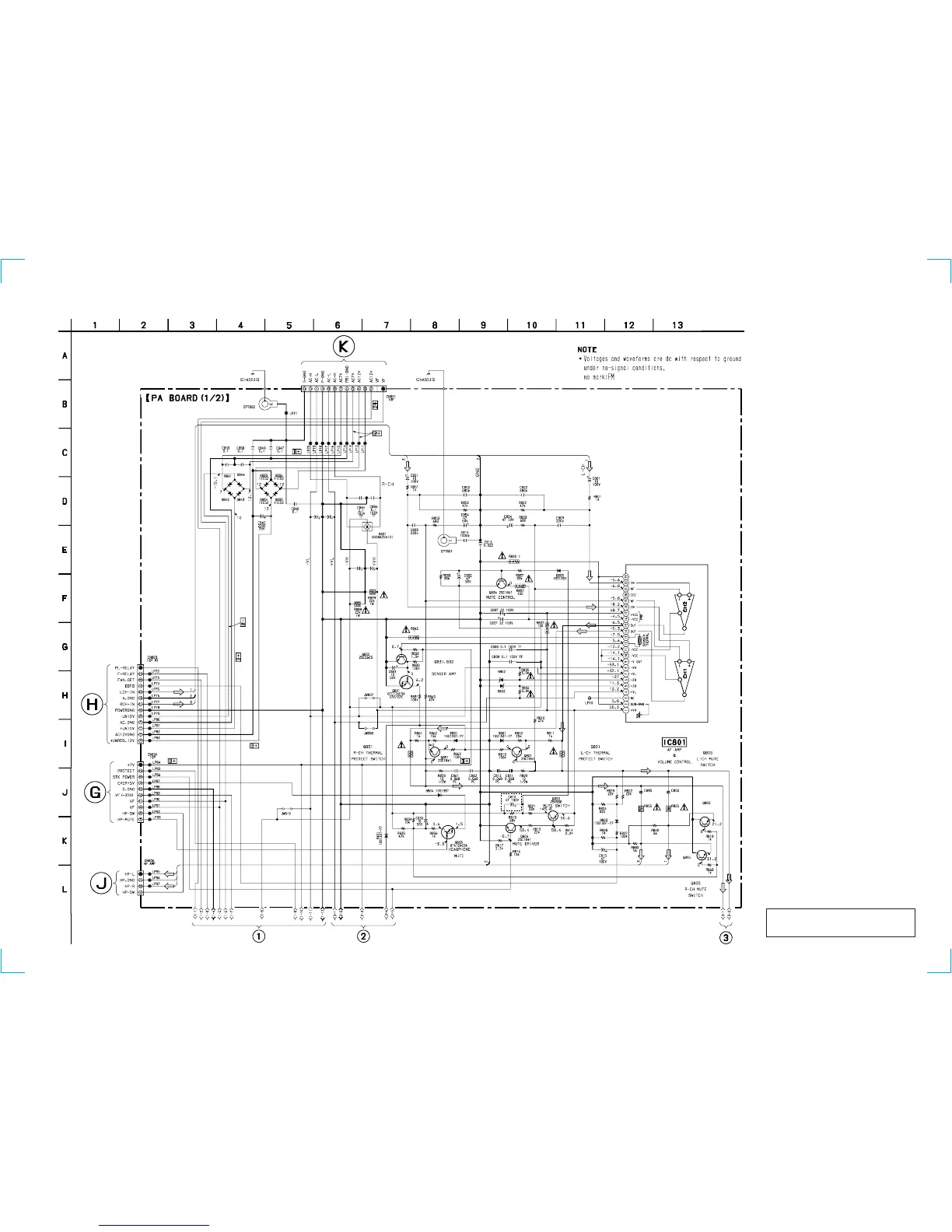
6-18. SCHEMATIC DIAGRAM POWER (1/2) SECTION
(Page 39)
(Page 39)
(Page 56)
(Page 44)
(Page 44)
(Page 44)
(Page 58)
16
IC801
STK411-230M
2CH CLASS AB + VOL CONTROL
THERMAL
C891
3300
50V
C841
3300
50V
C892
3300
80V
C842
3300
80V
R808
0.22
5W
R858
0.22
5W
21DQ04N
21DQ04N
21 DQ04N
21DQ04N
MTZJ-T-77-8.2A
MTZJ-T-77-8.2A
4.7
100V
4.7
100V
680
2W
680
2W
2SC2878AB
2SC2878AB
(TH ONLY)
The components identified by mark ! or dotted
line with mark ! are critical for safety.
Replace only with part number specified.

Table of Contents

Related product manuals