EasyManua.ls Logo

Sony HCD-VX77 - Schematic Diagram - Video (3;3) Section

Sony HCD-VX77
84 pages
Print Icon
To Next Page IconTo Next Page
To Next Page IconTo Next Page
To Previous Page IconTo Previous Page
To Previous Page IconTo Previous Page
Loading...
HCD-VX77/VX77J
3333
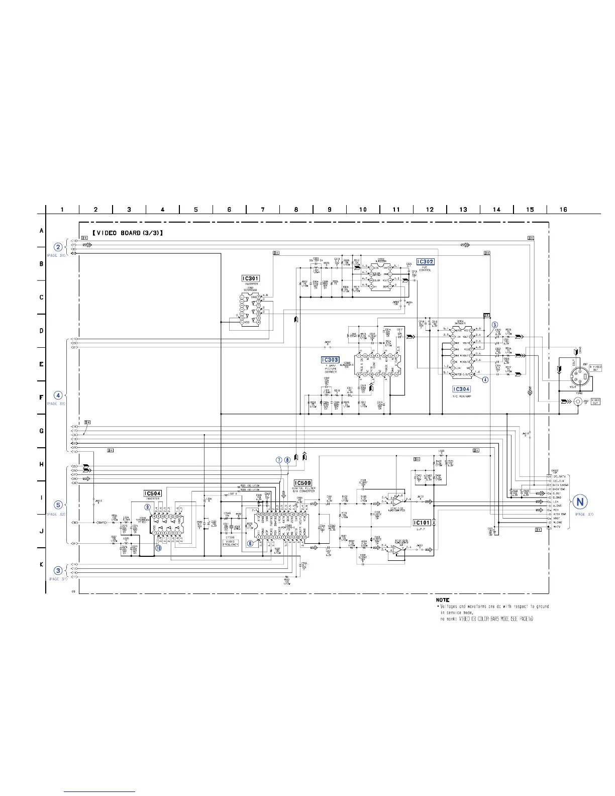
7-8. SCHEMATIC DIAGRAM – VIDEO (3/3) SECTION –
• See page 24 for Waveforms.
• See page 49 for IC Pin Function.
• See page 30 for Printed Wiring Board.

Related product manuals